new to me 1976 KZ 900, wires go where?
- rscone11
-
Topic Author
- Offline
- User
-

Registered
- Posts: 114
- Thanks: 7
new to me 1976 KZ 900, wires go where?
17 Dec 2021 02:26
Good morning gents,Bought @ auction, non running, no key, engine turns. Added new battery, new ignition switch with key Hooked up the battery and get no response when switching the key on, NOTHING. SO when I look at the wiring I don't know if this is factory loom but its been messed with. Black wire in the center isn't connected? Green wire disconnected. The disconnected plug in the center I believe went to the 4x4 flasher system. SO electric troubleshooting is not my area of expertise but I can usually sort things out. Where to begin? Any ideas to begin tracing the power up to ignition. I'd like to get power to the ignition, lights glowing on the key panel and the electric starter working. A couple of other things I noticed, many wires are labeled, horn side and throttle side, is this in relation to the coil packs? is it best to add new coil packs? Can I test the coil packs? photos attached
.Thanks in advance.
Ray
.Thanks in advance.
Ray
Please Log in or Create an account to join the conversation.
- Wheelhop
-
- Offline
- Sustaining Member
-

Registered
- Posts: 522
- Thanks: 305
Re: new to me 1976 KZ 900, wires go where?
17 Dec 2021 08:59
doesn't look like the pics you posted are able to be opened.
There are factory assembly manuals available on this site that may help.
There are factory assembly manuals available on this site that may help.
1978 KZ 1000B (73 tribute)
1977 KZ1000 project
1976 KZ 900
1976 KV 75
1976 Honda Elsinore MT250
1974 Z1 900 project
1971 Honda CT70
2000 ZRX 1100
1977 KZ1000 project
1976 KZ 900
1976 KV 75
1976 Honda Elsinore MT250
1974 Z1 900 project
1971 Honda CT70
2000 ZRX 1100
Please Log in or Create an account to join the conversation.
- Mikaw
-
- Offline
- Sustaining Member
-

Registered
- Posts: 4825
- Thanks: 1851
Re: new to me 1976 KZ 900, wires go where?
17 Dec 2021 09:04 - 17 Dec 2021 09:07
Pictures didn’t load.
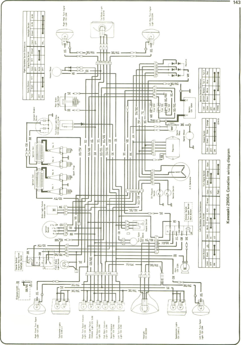
The following is available here www.kzrider.com/filebase?task=download.s...id=1156&catid=18&m=0
The following is available here www.kzrider.com/filebase?task=download.s...id=1156&catid=18&m=0
1976 KZ 900 A4
kzrider.com/forum/11-projects/613548-1976-kz-900-a4
1976 KZ 900 B1 LTD
1978 KZ 1000 B2 LTD
1980 KZ 750 E1
Kowledge Speaks, But Wisdom Listens.
Jimi Hendrix.
1976 KZ 900 B1 LTD
1978 KZ 1000 B2 LTD
1980 KZ 750 E1
Kowledge Speaks, But Wisdom Listens.
Jimi Hendrix.
Last edit: 17 Dec 2021 09:07 by Mikaw. Reason: Add photo
Please Log in or Create an account to join the conversation.
- rscone11
-
Topic Author
- Offline
- User
-

Registered
- Posts: 114
- Thanks: 7
Re: new to me 1976 KZ 900, wires go where?
17 Dec 2021 09:40
thanks for responding and the info.
I will see if I can post the pics again.
I will see if I can post the pics again.
Please Log in or Create an account to join the conversation.
- SWest
-
- Offline
- Sustaining Member
-

Registered
- 10 22 2014
- Posts: 23615
- Thanks: 2985
Re: new to me 1976 KZ 900, wires go where?
17 Dec 2021 09:48
Check the large fuse in the fuse block. Pics would help.
Steve
Steve
Z1b1000 1975 Z1b
kzrider.com/forum/11-projects/598262-kz-...-will-it-live#672882
kzrider.com/forum/2-engine/597654-poser?start=240#704229
kzrider.com/forum/11-projects/598262-kz-...-will-it-live#672882
kzrider.com/forum/2-engine/597654-poser?start=240#704229
Please Log in or Create an account to join the conversation.
- rscone11
-
Topic Author
- Offline
- User
-

Registered
- Posts: 114
- Thanks: 7
Re: new to me 1976 KZ 900, wires go where?
17 Dec 2021 09:57 - 04 Jan 2022 11:54
Last edit: 04 Jan 2022 11:54 by Street Fighter LTD.
Please Log in or Create an account to join the conversation.
- rscone11
-
Topic Author
- Offline
- User
-

Registered
- Posts: 114
- Thanks: 7
Re: new to me 1976 KZ 900, wires go where?
17 Dec 2021 09:59 - 04 Jan 2022 11:55
Last edit: 04 Jan 2022 11:55 by Street Fighter LTD.
Please Log in or Create an account to join the conversation.
- rscone11
-
Topic Author
- Offline
- User
-

Registered
- Posts: 114
- Thanks: 7
Re: new to me 1976 KZ 900, wires go where?
17 Dec 2021 10:21
I was able to add some photos I believe, I checked the fuses, all look good. Thanks for responding.
Please Log in or Create an account to join the conversation.
- SWest
-
- Offline
- Sustaining Member
-

Registered
- 10 22 2014
- Posts: 23615
- Thanks: 2985
Re: new to me 1976 KZ 900, wires go where?
17 Dec 2021 10:52
Click insert all after uploading them. Looks can be deceiving. Need pics of the connectors. Aftermarket switches aren't all the same. You may have to move connections to the right spots. Colors can be different as well.
Steve
Steve
Z1b1000 1975 Z1b
kzrider.com/forum/11-projects/598262-kz-...-will-it-live#672882
kzrider.com/forum/2-engine/597654-poser?start=240#704229
kzrider.com/forum/11-projects/598262-kz-...-will-it-live#672882
kzrider.com/forum/2-engine/597654-poser?start=240#704229
The following user(s) said Thank You: rscone11
Please Log in or Create an account to join the conversation.
- F64
-
- Offline
- User
-

Registered
- 81-KZ440D2
- Posts: 1144
- Thanks: 415
Re: new to me 1976 KZ 900, wires go where?
17 Dec 2021 11:47 - 17 Dec 2021 12:09
Grab your voltmeter
Set to DC V
Black probe on the center of the negative battery post(post being the metal part of the battery)
Red probe on positive battery post
What is your voltage.
Look in your fuse box.
There should be a white wire with a fuse on it.
Leaving your black probe on the negative terminal move your red probe to each side of the fuse for the white wire.
What are your 2 voltages.
That white wire then goes to the ignition switch and supplies power for most of the bike.
Locate it at the switch and move your red probe to the white wire terminal on the switch.
Black probe should still be on the negative battery post.
What is your voltage?
Also, don't worry about your coil packs unless they are broken and leaking. You have to get power to the bike first.
Set to DC V
Black probe on the center of the negative battery post(post being the metal part of the battery)
Red probe on positive battery post
What is your voltage.
Look in your fuse box.
There should be a white wire with a fuse on it.
Leaving your black probe on the negative terminal move your red probe to each side of the fuse for the white wire.
What are your 2 voltages.
That white wire then goes to the ignition switch and supplies power for most of the bike.
Locate it at the switch and move your red probe to the white wire terminal on the switch.
Black probe should still be on the negative battery post.
What is your voltage?
Also, don't worry about your coil packs unless they are broken and leaking. You have to get power to the bike first.
81-KZ440-D2.
Louis Dudzik's GM HEI ignitor conversion installed 2015 s3.amazonaws.com/gpzweb/Ignition/GPZgmHEImod.html
Motogadget m-unit blue installed 2017.
LIC, NY
Louis Dudzik's GM HEI ignitor conversion installed 2015 s3.amazonaws.com/gpzweb/Ignition/GPZgmHEImod.html
Motogadget m-unit blue installed 2017.
LIC, NY
Last edit: 17 Dec 2021 12:09 by F64.
Please Log in or Create an account to join the conversation.
- Mikaw
-
- Offline
- Sustaining Member
-

Registered
- Posts: 4825
- Thanks: 1851
Re: new to me 1976 KZ 900, wires go where?
17 Dec 2021 11:52
Looks like the cut black and brown are for the horn
1976 KZ 900 A4
kzrider.com/forum/11-projects/613548-1976-kz-900-a4
1976 KZ 900 B1 LTD
1978 KZ 1000 B2 LTD
1980 KZ 750 E1
Kowledge Speaks, But Wisdom Listens.
Jimi Hendrix.
1976 KZ 900 B1 LTD
1978 KZ 1000 B2 LTD
1980 KZ 750 E1
Kowledge Speaks, But Wisdom Listens.
Jimi Hendrix.
Please Log in or Create an account to join the conversation.
- rscone11
-
Topic Author
- Offline
- User
-

Registered
- Posts: 114
- Thanks: 7
Re: new to me 1976 KZ 900, wires go where?
17 Dec 2021 12:37
Thanks everyone and F64. I will be wrestling with this tonight and through the weekend. I will keep you up to date onF 64 instructions.
Please Log in or Create an account to join the conversation.
Moderators: Street Fighter LTD
