new to me 1976 KZ 900, wires go where?
- rscone11
-
Topic Author
- Offline
- User
-

Registered
- Posts: 114
- Thanks: 7
Re: new to me 1976 KZ 900, wires go where?
18 Dec 2021 04:47
thanks for all replies. Appreciate the help, My voltmeter is old and no longer works, picking up a new one today. Here is a photo of the fuse panel, looks like a black wire connector at the bottom is also disconnected. I will post voltage results this morning once I pick up a new multimeter. photo attached
Please Log in or Create an account to join the conversation.
- rscone11
-
Topic Author
- Offline
- User
-

Registered
- Posts: 114
- Thanks: 7
Re: new to me 1976 KZ 900, wires go where?
18 Dec 2021 09:08
ok, some progress I guess @F64. Battery and white wire at fuse box checked in at 12v. I traced the white wire to the ignition switch, power 12v was consistent. I have the headlight bucket disassembled. I don't think the plug was secure inside the headlight bucket. I turned the key and on the first stop of the key the neutral light came on! Yea!! 2nd stop of the key and light went out. I next pushed the starter button and heard a few clicks and a strange noise, burned something up?? not sure!
Now I don't get any lights on the panel at all. Fuse at the white wire in the block looks fine. Sounded like maybe I shorted something, the neutral light in the first key position now does not come on. Not sure what to do next, take out the starter and test it?
Thanks in advance.
Thanks in advance.
Please Log in or Create an account to join the conversation.
- Mikaw
-
- Offline
- Sustaining Member
-

Registered
- Posts: 4833
- Thanks: 1852
Re: new to me 1976 KZ 900, wires go where?
18 Dec 2021 09:12
I will let F 64 help you with the wire trace and diagnostic he is far better at that than I. But there is no need to remove the starter to test it. you can remove the black heavy gauge wire from the starter to the relay and connect that to a auxiliary battery and then touch the negative of the auxiliary battery to the chassis or engine ground and the starter should rotate. Make sure the transmission is in neutral and it would be better if the bike was on the center stand. If it does not then that would possibly warrant starter being physically removed.
1976 KZ 900 A4
kzrider.com/forum/11-projects/613548-1976-kz-900-a4
1976 KZ 900 B1 LTD
1978 KZ 1000 B2 LTD
1980 KZ 750 E1
Kowledge Speaks, But Wisdom Listens.
Jimi Hendrix.
1976 KZ 900 B1 LTD
1978 KZ 1000 B2 LTD
1980 KZ 750 E1
Kowledge Speaks, But Wisdom Listens.
Jimi Hendrix.
Please Log in or Create an account to join the conversation.
- SWest
-
- Offline
- Sustaining Member
-

Registered
- 10 22 2014
- Posts: 23673
- Thanks: 2973
Re: new to me 1976 KZ 900, wires go where?
18 Dec 2021 09:22
The second position of the switch is park where the tail light stays on. I used it when I was eating out and would look out the window to see if the bike was still there.
Steve
Steve
Z1b1000 1975 Z1b
kzrider.com/forum/11-projects/598262-kz-...-will-it-live#672882
kzrider.com/forum/2-engine/597654-poser?start=240#704229
kzrider.com/forum/11-projects/598262-kz-...-will-it-live#672882
kzrider.com/forum/2-engine/597654-poser?start=240#704229
The following user(s) said Thank You: Mikaw
Please Log in or Create an account to join the conversation.
- F64
-
- Offline
- User
-

Registered
- 81-KZ440D2
- Posts: 1145
- Thanks: 416
Re: new to me 1976 KZ 900, wires go where?
18 Dec 2021 10:16
Check your white wire fuse with the voltmeter again.
The neutral light gets its power from the brown wire at the ignition switch.
When you turn the key the brown wire gets directly connected to the white wire. There is no other fuse between white wire and the neutral light.
I may have you disconnect connectors later as we should power up one circuit at a time to eliminate issues.
Get some electrical tape and tape off any visible loose connections to prevent shorts.
Don't try to start the bike yet.
The neutral light gets its power from the brown wire at the ignition switch.
When you turn the key the brown wire gets directly connected to the white wire. There is no other fuse between white wire and the neutral light.
I may have you disconnect connectors later as we should power up one circuit at a time to eliminate issues.
Get some electrical tape and tape off any visible loose connections to prevent shorts.
Don't try to start the bike yet.
81-KZ440-D2.
Louis Dudzik's GM HEI ignitor conversion installed 2015 s3.amazonaws.com/gpzweb/Ignition/GPZgmHEImod.html
Motogadget m-unit blue installed 2017.
LIC, NY
Louis Dudzik's GM HEI ignitor conversion installed 2015 s3.amazonaws.com/gpzweb/Ignition/GPZgmHEImod.html
Motogadget m-unit blue installed 2017.
LIC, NY
Please Log in or Create an account to join the conversation.
- rscone11
-
Topic Author
- Offline
- User
-

Registered
- Posts: 114
- Thanks: 7
Re: new to me 1976 KZ 900, wires go where?
18 Dec 2021 11:44
Thanks again for all the help. Really great with everyone weighing in and assisting.
@F64, The voltage checks out 12v at the white wire on each side of the fuse.
@F64, The voltage checks out 12v at the white wire on each side of the fuse.
Please Log in or Create an account to join the conversation.
- F64
-
- Offline
- User
-

Registered
- 81-KZ440D2
- Posts: 1145
- Thanks: 416
Re: new to me 1976 KZ 900, wires go where?
18 Dec 2021 16:23
Turn the key to the on position and check the other wires coming out of the ignition switch.
black probe to negative post
red probe on brown,blue,red wires at ignition switch.
All 3 voltages should be close to battery voltage
black probe to negative post
red probe on brown,blue,red wires at ignition switch.
All 3 voltages should be close to battery voltage
81-KZ440-D2.
Louis Dudzik's GM HEI ignitor conversion installed 2015 s3.amazonaws.com/gpzweb/Ignition/GPZgmHEImod.html
Motogadget m-unit blue installed 2017.
LIC, NY
Louis Dudzik's GM HEI ignitor conversion installed 2015 s3.amazonaws.com/gpzweb/Ignition/GPZgmHEImod.html
Motogadget m-unit blue installed 2017.
LIC, NY
Please Log in or Create an account to join the conversation.
- rscone11
-
Topic Author
- Offline
- User
-

Registered
- Posts: 114
- Thanks: 7
Re: new to me 1976 KZ 900, wires go where?
19 Dec 2021 04:20
good morning @F64.
Checked all wires with ignition key on, white, brown, blue and red wires all register with 12.5 volts.
Checked all wires with ignition key on, white, brown, blue and red wires all register with 12.5 volts.
Please Log in or Create an account to join the conversation.
- F64
-
- Offline
- User
-

Registered
- 81-KZ440D2
- Posts: 1145
- Thanks: 416
Re: new to me 1976 KZ 900, wires go where?
19 Dec 2021 10:49 - 19 Dec 2021 11:06
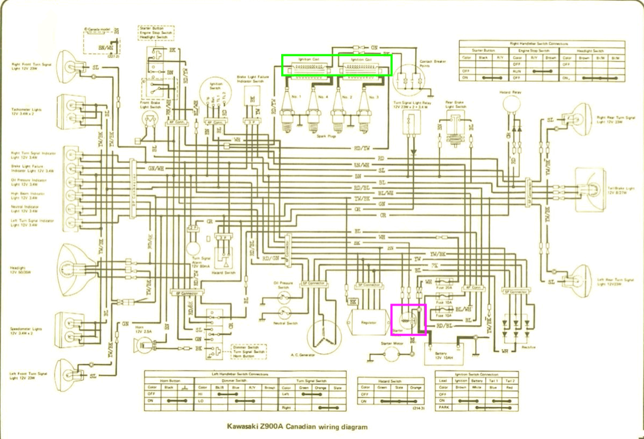
Key on/Ignition on/Engine not running
meter DC V
Inside the green box
Black probe negative battery post
Red probe on red/yellow wire on each coil
Note 2 voltages
Then probe the other wires on the coil( looks like a black wire and a green wire)
Note 2 voltages
Inside the pink box--Disconnect the large wire going to the starter at the starter relay
Red probe the starter relay terminal. Measure the large wire going to the battery(not sure of the color)
Note voltage
Hit starter button
Note voltage
Move the red probe to the other large wire terminal at the starter relay(this wire goes to the starter that we disconnected)
Note voltage
Hit the starter button
Note voltage
I need to know the voltages on all of these measurements to the tenth(for instance 12.5)
schematic courtesy of Mikaw
meter DC V
Inside the green box
Black probe negative battery post
Red probe on red/yellow wire on each coil
Note 2 voltages
Then probe the other wires on the coil( looks like a black wire and a green wire)
Note 2 voltages
Inside the pink box--Disconnect the large wire going to the starter at the starter relay
Red probe the starter relay terminal. Measure the large wire going to the battery(not sure of the color)
Note voltage
Hit starter button
Note voltage
Move the red probe to the other large wire terminal at the starter relay(this wire goes to the starter that we disconnected)
Note voltage
Hit the starter button
Note voltage
I need to know the voltages on all of these measurements to the tenth(for instance 12.5)
schematic courtesy of Mikaw
81-KZ440-D2.
Louis Dudzik's GM HEI ignitor conversion installed 2015 s3.amazonaws.com/gpzweb/Ignition/GPZgmHEImod.html
Motogadget m-unit blue installed 2017.
LIC, NY
Louis Dudzik's GM HEI ignitor conversion installed 2015 s3.amazonaws.com/gpzweb/Ignition/GPZgmHEImod.html
Motogadget m-unit blue installed 2017.
LIC, NY
Last edit: 19 Dec 2021 11:06 by F64.
Please Log in or Create an account to join the conversation.
- rscone11
-
Topic Author
- Offline
- User
-

Registered
- Posts: 114
- Thanks: 7
Re: new to me 1976 KZ 900, wires go where?
19 Dec 2021 15:00
Good evening,
@F64
Out shopping today so wasn't able to check this till now.
When I went to check the coil voltages I noticed a rectangular white plug disconnected that led to the coil on the left. I plugged that together and then turned key to on and the neutral light came on.
Voltage readings are below, key in the on position with neutral light glowing. Black probe on battery negative throughout the readings below
Coil red/yellow wire left 54.7v, right 20.8v
Coil Black/green left 42.8v , right 56.4v
Starter relay to the battery 12.3v, with starter button pressed 12.3v
red probe on the the other large wire terminal opposite the red battery wire terminal, those voltage numbers jump all over from 58.4 up to 138.2, with starter button pressed or not, constant jumping of voltage range.
When the starter button is pressed the starter does not engage, no sounds.
Thanks
Randy
@F64
Out shopping today so wasn't able to check this till now.
When I went to check the coil voltages I noticed a rectangular white plug disconnected that led to the coil on the left. I plugged that together and then turned key to on and the neutral light came on.
Voltage readings are below, key in the on position with neutral light glowing. Black probe on battery negative throughout the readings below
Coil red/yellow wire left 54.7v, right 20.8v
Coil Black/green left 42.8v , right 56.4v
Starter relay to the battery 12.3v, with starter button pressed 12.3v
red probe on the the other large wire terminal opposite the red battery wire terminal, those voltage numbers jump all over from 58.4 up to 138.2, with starter button pressed or not, constant jumping of voltage range.
When the starter button is pressed the starter does not engage, no sounds.
Thanks
Randy
Please Log in or Create an account to join the conversation.
- F64
-
- Offline
- User
-

Registered
- 81-KZ440D2
- Posts: 1145
- Thanks: 416
Re: new to me 1976 KZ 900, wires go where?
19 Dec 2021 16:40 - 19 Dec 2021 17:01
The voltages on the coils seems really high.
As does the starter relay on the starter side.
Did the former owner add any electronics to the bike?
I may have you retake the measurements at the coil as well as the starter side of the relay.
Sometimes when the numbers jump around you are experiencing ghost voltage.
Ghost voltage happens when there is no connection... the circuit is open. You can see this if you wave the probes around in the air.
As does the starter relay on the starter side.
Did the former owner add any electronics to the bike?
I may have you retake the measurements at the coil as well as the starter side of the relay.
Sometimes when the numbers jump around you are experiencing ghost voltage.
Ghost voltage happens when there is no connection... the circuit is open. You can see this if you wave the probes around in the air.
81-KZ440-D2.
Louis Dudzik's GM HEI ignitor conversion installed 2015 s3.amazonaws.com/gpzweb/Ignition/GPZgmHEImod.html
Motogadget m-unit blue installed 2017.
LIC, NY
Louis Dudzik's GM HEI ignitor conversion installed 2015 s3.amazonaws.com/gpzweb/Ignition/GPZgmHEImod.html
Motogadget m-unit blue installed 2017.
LIC, NY
Last edit: 19 Dec 2021 17:01 by F64.
Please Log in or Create an account to join the conversation.
- rscone11
-
Topic Author
- Offline
- User
-

Registered
- Posts: 114
- Thanks: 7
Re: new to me 1976 KZ 900, wires go where?
19 Dec 2021 17:10
Hi,
What should typical voltages be? I don't see an electronic ignition, points are still present so that doesn't appear to have been added. Previous owner is long gone so I have no idea if anything was added.
I do see a few wires not connected or a couple that were cut but I think those may be for the horn I can post photos. I was just wondering why the neutral light worked with the plug coil disconnected and then came back on when I connected it. I understand circuits but tend to get overwhelmed looking at the schematics. I appreciate your help. I can take new readings in the morning. I had the key on when I took the readings and the last readings had the starter wire disconnected from the starter relay.
What should typical voltages be? I don't see an electronic ignition, points are still present so that doesn't appear to have been added. Previous owner is long gone so I have no idea if anything was added.
I do see a few wires not connected or a couple that were cut but I think those may be for the horn I can post photos. I was just wondering why the neutral light worked with the plug coil disconnected and then came back on when I connected it. I understand circuits but tend to get overwhelmed looking at the schematics. I appreciate your help. I can take new readings in the morning. I had the key on when I took the readings and the last readings had the starter wire disconnected from the starter relay.
Please Log in or Create an account to join the conversation.
Moderators: Street Fighter LTD
