Wiring diagram with munit - REVIEW
- Wookie58
-
- Offline
- Moderator
-

Registered
- Posts: 6088
- Thanks: 3825
Re: Wiring diagram with munit - REVIEW
27 Feb 2025 03:54
Do you mean to a mounting bracket ?
1982 KZ1000 Ltd
www.kzrider.com/forum/11-projects/617631...-82-begins?start=192
kzrider.com/filebase-alias?view=download...d-fault-diagnosis&ca
www.kzrider.com/forum/11-projects/617631...-82-begins?start=192
kzrider.com/filebase-alias?view=download...d-fault-diagnosis&ca
Please Log in or Create an account to join the conversation.
- gordone
-
Topic Author
- Offline
- Sustaining Member
-

Registered
- Posts: 1533
- Thanks: 93
Re: Wiring diagram with munit - REVIEW
27 Feb 2025 04:28 - 27 Feb 2025 04:29
Yes some like that.
Will any DTM mounting bracket fit these cheaper connectors I have purchased on Amazon ?
Will any DTM mounting bracket fit these cheaper connectors I have purchased on Amazon ?
1981 KZ650-D4, with 1981 z750L engine (Wiensco 810 big bore).
Project:
www.kzrider.com/forum/11-projects/607213...sr-1981-z750l-engine
Project:
www.kzrider.com/forum/11-projects/607213...sr-1981-z750l-engine
Last edit: 27 Feb 2025 04:29 by gordone.
Please Log in or Create an account to join the conversation.
- Wookie58
-
- Offline
- Moderator
-

Registered
- Posts: 6088
- Thanks: 3825
Re: Wiring diagram with munit - REVIEW
27 Feb 2025 05:38I don't know is the simple answer. I made my own from 2mm sheet metal (just remember the slots need to be dovetailed for the connectors to hold in place, easily done with a flat file)Yes some like that.
Will any DTM mounting bracket fit these cheaper connectors I have purchased on Amazon ?
1982 KZ1000 Ltd
www.kzrider.com/forum/11-projects/617631...-82-begins?start=192
kzrider.com/filebase-alias?view=download...d-fault-diagnosis&ca
www.kzrider.com/forum/11-projects/617631...-82-begins?start=192
kzrider.com/filebase-alias?view=download...d-fault-diagnosis&ca
Please Log in or Create an account to join the conversation.
- gordone
-
Topic Author
- Offline
- Sustaining Member
-

Registered
- Posts: 1533
- Thanks: 93
Re: Wiring diagram with munit - REVIEW
27 Feb 2025 06:53
ahh
I will se if I can find some finish made, don`t think it will be so many that is loose.
maybe a cable strip around them is good enough also...?
I will se if I can find some finish made, don`t think it will be so many that is loose.
maybe a cable strip around them is good enough also...?
1981 KZ650-D4, with 1981 z750L engine (Wiensco 810 big bore).
Project:
www.kzrider.com/forum/11-projects/607213...sr-1981-z750l-engine
Project:
www.kzrider.com/forum/11-projects/607213...sr-1981-z750l-engine
Please Log in or Create an account to join the conversation.
- Wookie58
-
- Offline
- Moderator
-

Registered
- Posts: 6088
- Thanks: 3825
Re: Wiring diagram with munit - REVIEW
27 Feb 2025 06:56I have made the slots a tight fit so nothing else should be required (hopefullyahh![]()
I will se if I can find some finish made, don`t think it will be so many that is loose.
maybe a cable strip around them is good enough also...?
1982 KZ1000 Ltd
www.kzrider.com/forum/11-projects/617631...-82-begins?start=192
kzrider.com/filebase-alias?view=download...d-fault-diagnosis&ca
www.kzrider.com/forum/11-projects/617631...-82-begins?start=192
kzrider.com/filebase-alias?view=download...d-fault-diagnosis&ca
The following user(s) said Thank You: gordone
Please Log in or Create an account to join the conversation.
- gordone
-
Topic Author
- Offline
- Sustaining Member
-

Registered
- Posts: 1533
- Thanks: 93
Re: Wiring diagram with munit - REVIEW
07 Mar 2025 00:10
Good day sir,
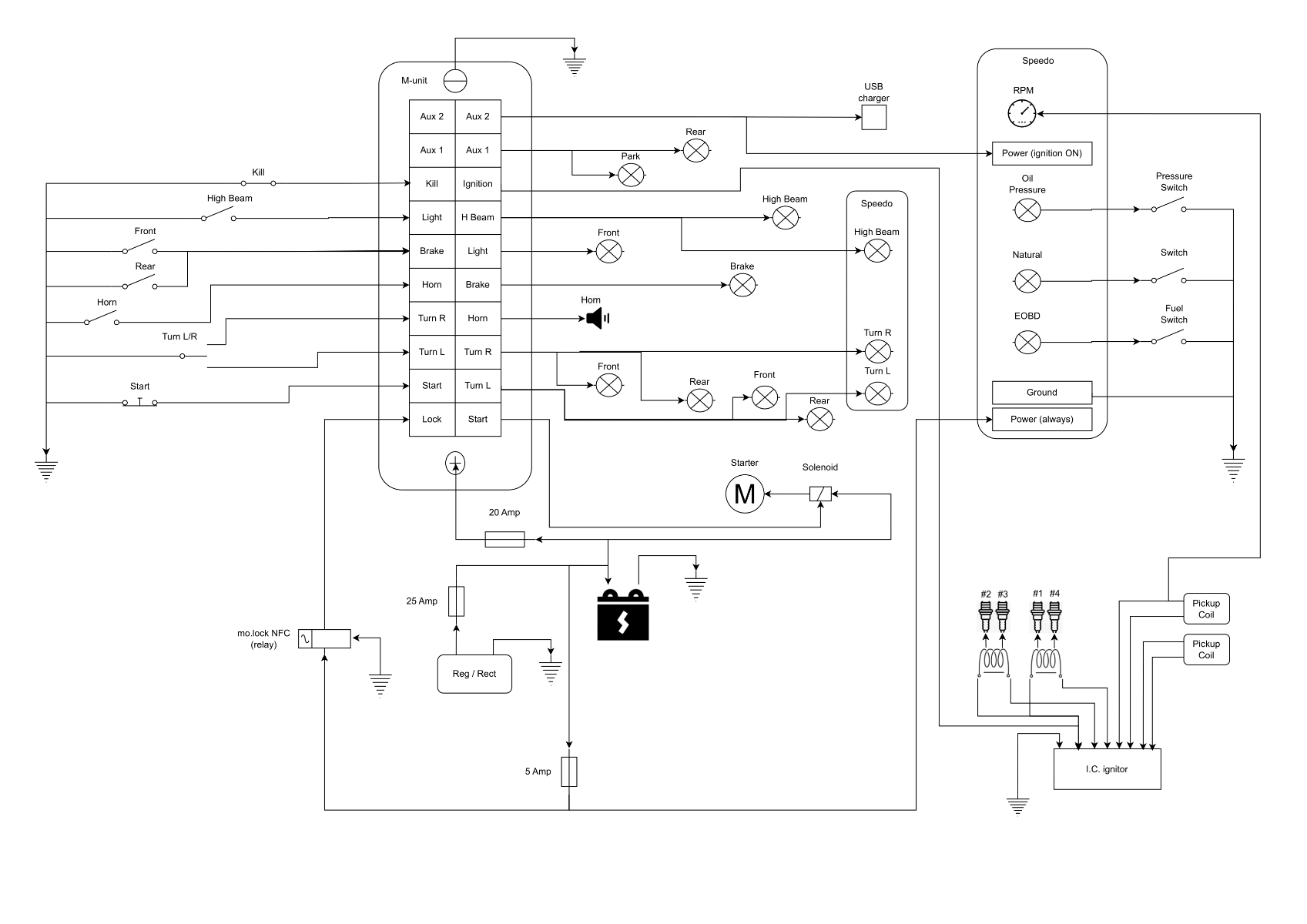
I have make update to the drawing below and have two questions:
I have make update to the drawing below and have two questions:
- I have added a USB charger to the AUX output (see the drawing below). The charger comes with a fuse, but I don't see the reason for adding it. The AUX output from the M-unit is already capable of protecting itself from a short circuit, correct? So, if a short circuit occurs, I will lose power to the speedometer, but the engine will continue to work as normal. Have I understood this correctly?
- Regarding the switches for fuel level, oil pressure, etc.: Looking at the drawing, I assume that the speedometer supplies 12V to the circuit, and the ground is connected after the switch. From the speedometer's point of view, is this correct?
In other words, I don’t need to supply 12V separately to the circuit between the speedometer and the switches for fuel level, oil pressure, etc., correct?
1981 KZ650-D4, with 1981 z750L engine (Wiensco 810 big bore).
Project:
www.kzrider.com/forum/11-projects/607213...sr-1981-z750l-engine
Project:
www.kzrider.com/forum/11-projects/607213...sr-1981-z750l-engine
Please Log in or Create an account to join the conversation.
- Wookie58
-
- Offline
- Moderator
-

Registered
- Posts: 6088
- Thanks: 3825
Re: Wiring diagram with munit - REVIEW
07 Mar 2025 00:52Good day sir,
I have make update to the drawing below and have two questions:PS: I assume you know your diagram is missing the grounds for the starter solenoid and the USB charger ?
- I have added a USB charger to the AUX output (see the drawing below). The charger comes with a fuse, but I don't see the reason for adding it. The AUX output from the M-unit is already capable of protecting itself from a short circuit, correct? -Yes So, if a short circuit occurs, I will lose power to the speedometer, but the engine will continue to work as normal. Have I understood this correctly? - Yes
- Regarding the switches for fuel level, oil pressure, etc.: Looking at the drawing, I assume that the speedometer supplies 12V to the circuit, and the ground is connected after the switch. From the speedometer's point of view, is this correct? - Yes
In other words, I don’t need to supply 12V separately to the circuit between the speedometer and the switches for fuel level, oil pressure, etc., correct? - Yes, connecting 12v to the switched side would cause a "short circuit" when the switch operates
1982 KZ1000 Ltd
www.kzrider.com/forum/11-projects/617631...-82-begins?start=192
kzrider.com/filebase-alias?view=download...d-fault-diagnosis&ca
www.kzrider.com/forum/11-projects/617631...-82-begins?start=192
kzrider.com/filebase-alias?view=download...d-fault-diagnosis&ca
The following user(s) said Thank You: gordone
Please Log in or Create an account to join the conversation.
- gordone
-
Topic Author
- Offline
- Sustaining Member
-

Registered
- Posts: 1533
- Thanks: 93
Re: Wiring diagram with munit - REVIEW
07 Mar 2025 05:14
Thank you, yes I will add the ground to the diagram.
1981 KZ650-D4, with 1981 z750L engine (Wiensco 810 big bore).
Project:
www.kzrider.com/forum/11-projects/607213...sr-1981-z750l-engine
Project:
www.kzrider.com/forum/11-projects/607213...sr-1981-z750l-engine
Please Log in or Create an account to join the conversation.
- gordone
-
Topic Author
- Offline
- Sustaining Member
-

Registered
- Posts: 1533
- Thanks: 93
Re: Wiring diagram with munit - REVIEW
07 Mar 2025 06:02 - 07 Mar 2025 06:02
I found the connectors you show me to be good to working with, but how are blocking of the pin if are not planning to use all?
I have now set in a dummy cabel in the whole.
I have now set in a dummy cabel in the whole.
1981 KZ650-D4, with 1981 z750L engine (Wiensco 810 big bore).
Project:
www.kzrider.com/forum/11-projects/607213...sr-1981-z750l-engine
Project:
www.kzrider.com/forum/11-projects/607213...sr-1981-z750l-engine
Last edit: 07 Mar 2025 06:02 by gordone.
The following user(s) said Thank You: Wookie58
Please Log in or Create an account to join the conversation.
- gordone
-
Topic Author
- Offline
- Sustaining Member
-

Registered
- Posts: 1533
- Thanks: 93
Re: Wiring diagram with munit - REVIEW
09 Mar 2025 09:34 - 09 Mar 2025 09:34
@Wookie58 when it comes to the main connectors for the bike—connecting the left and right handlebar controls and speedometer wires—my original idea was to place the connectors inside the headlight.
However, after looking into it today, the available space inside the headlight seems too small.So, I guess I need to place the connectors between the gas tank and the coils?
And split the wires 50/50 to the left and right, routing them around the steering hub and into the headlight?I was thinking of using heat shrink tubing around the cables, but I’ve noticed that it’s quite stiff.
I’m not sure if that could be an issue due to mechanical stress when turning left or right while riding.
However, after looking into it today, the available space inside the headlight seems too small.So, I guess I need to place the connectors between the gas tank and the coils?
And split the wires 50/50 to the left and right, routing them around the steering hub and into the headlight?I was thinking of using heat shrink tubing around the cables, but I’ve noticed that it’s quite stiff.
I’m not sure if that could be an issue due to mechanical stress when turning left or right while riding.
1981 KZ650-D4, with 1981 z750L engine (Wiensco 810 big bore).
Project:
www.kzrider.com/forum/11-projects/607213...sr-1981-z750l-engine
Project:
www.kzrider.com/forum/11-projects/607213...sr-1981-z750l-engine
Last edit: 09 Mar 2025 09:34 by gordone.
Please Log in or Create an account to join the conversation.
- Wookie58
-
- Offline
- Moderator
-

Registered
- Posts: 6088
- Thanks: 3825
Re: Wiring diagram with munit - REVIEW
09 Mar 2025 11:14
You could use a "non-shrink" fabric sleeve in this area, just make sure when turning the handlebars left and right you have left enough slack
1982 KZ1000 Ltd
www.kzrider.com/forum/11-projects/617631...-82-begins?start=192
kzrider.com/filebase-alias?view=download...d-fault-diagnosis&ca
www.kzrider.com/forum/11-projects/617631...-82-begins?start=192
kzrider.com/filebase-alias?view=download...d-fault-diagnosis&ca
Please Log in or Create an account to join the conversation.
- gordone
-
Topic Author
- Offline
- Sustaining Member
-

Registered
- Posts: 1533
- Thanks: 93
Re: Wiring diagram with munit - REVIEW
09 Mar 2025 11:30
Like these?
should I use small cable zip on the cables before I put the cable in the sleeve, to avoid cables moving each other?
should I use small cable zip on the cables before I put the cable in the sleeve, to avoid cables moving each other?
1981 KZ650-D4, with 1981 z750L engine (Wiensco 810 big bore).
Project:
www.kzrider.com/forum/11-projects/607213...sr-1981-z750l-engine
Project:
www.kzrider.com/forum/11-projects/607213...sr-1981-z750l-engine
Please Log in or Create an account to join the conversation.
Moderators: Street Fighter LTD
