Wiring diagram with munit - REVIEW
- gordone
-
Topic Author
- Offline
- Sustaining Member
-

Registered
- Posts: 1534
- Thanks: 93
Wiring diagram with munit - REVIEW
29 Jan 2025 11:57 - 29 Jan 2025 11:57
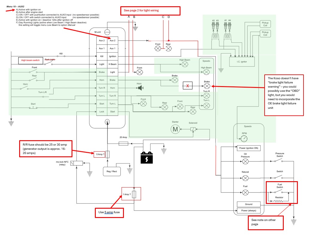
I’ve drafted a new wiring diagram for my bike, replacing the old wiring with an M-Unit. Please see the attached diagram.I received feedback that my park light wiring may be incorrect since I’m using two wires for the rear light and brake. Is this correct?If so, I believe I can remove the extra relay and fuse, then connect all miscellaneous components to the AUX 2 output instead of the park light. However, I’m unsure how to properly wire the park light in this setup.Are there any other errors or improvements I should consider for the diagram?Thanks for your help!
1981 KZ650-D4, with 1981 z750L engine (Wiensco 810 big bore).
Project:
www.kzrider.com/forum/11-projects/607213...sr-1981-z750l-engine
Project:
www.kzrider.com/forum/11-projects/607213...sr-1981-z750l-engine
Last edit: 29 Jan 2025 11:57 by gordone.
Please Log in or Create an account to join the conversation.
- Wookie58
-
- Offline
- Moderator
-

Registered
- Posts: 5967
- Thanks: 3747
Re: Wiring diagram with munit - REVIEW
29 Jan 2025 12:32 - 29 Jan 2025 12:51
Couple of questions,
Which speedo are you using and do you have the wiring instructions (if I remember correctly it's a Koso ?)
Which M-unit do you have ?
How do you want the parking light to function (rear only, front and rear ) do you have US or Europe switches (is there a "PO" position on the right switch)
Are you using the OE ignition switch
Are you using blade or glass fuses
Are you using Incandescent or LED lighting
Does you bike have "brake light failure" indicator (I am assuming yes ref brake light in speedo)
Which model is your bike
PS: I know you have probably told us previously but you reminding me is quicker than me searching your posts
Which speedo are you using and do you have the wiring instructions (if I remember correctly it's a Koso ?)
Which M-unit do you have ?
How do you want the parking light to function (rear only, front and rear ) do you have US or Europe switches (is there a "PO" position on the right switch)
Are you using the OE ignition switch
Are you using blade or glass fuses
Are you using Incandescent or LED lighting
Does you bike have "brake light failure" indicator (I am assuming yes ref brake light in speedo)
Which model is your bike
PS: I know you have probably told us previously but you reminding me is quicker than me searching your posts
1982 KZ1000 Ltd
www.kzrider.com/forum/11-projects/617631...-82-begins?start=192
kzrider.com/filebase-alias?view=download...d-fault-diagnosis&ca
www.kzrider.com/forum/11-projects/617631...-82-begins?start=192
kzrider.com/filebase-alias?view=download...d-fault-diagnosis&ca
Last edit: 29 Jan 2025 12:51 by Wookie58.
Please Log in or Create an account to join the conversation.
- gordone
-
Topic Author
- Offline
- Sustaining Member
-

Registered
- Posts: 1534
- Thanks: 93
Re: Wiring diagram with munit - REVIEW
30 Jan 2025 07:481. KOSO RX2N 18000tr, see attached document.Couple of questions,
Which speedo are you using and do you have the wiring instructions (if I remember correctly it's a Koso ?)
Which M-unit do you have ?
How do you want the parking light to function (rear only, front and rear ) do you have US or Europe switches (is there a "PO" position on the right switch)
Are you using the OE ignition switch
Are you using blade or glass fuses
Are you using Incandescent or LED lighting
Does you bike have "brake light failure" indicator (I am assuming yes ref brake light in speedo)
Which model is your bike
PS: I know you have probably told us previously but you reminding me is quicker than me searching your posts![]()
2. Motogadget mo.unit Blue
3. I have PO posistion I was thinking to make it as standard, Europen model...
4. No led light
5. Fuses is the metal type.
6. Lock is MotoGadget - m-Lock (see attached)
When it comes to park light I`m thinking more to add it to the ignition on circuit... meaning it will only work when the ignition is on... but that is properly good enoufh....
1981 KZ650-D4, with 1981 z750L engine (Wiensco 810 big bore).
Project:
www.kzrider.com/forum/11-projects/607213...sr-1981-z750l-engine
Project:
www.kzrider.com/forum/11-projects/607213...sr-1981-z750l-engine
Please Log in or Create an account to join the conversation.
- Wookie58
-
- Offline
- Moderator
-

Registered
- Posts: 5967
- Thanks: 3747
Re: Wiring diagram with munit - REVIEW
31 Jan 2025 07:06
1982 KZ1000 Ltd
www.kzrider.com/forum/11-projects/617631...-82-begins?start=192
kzrider.com/filebase-alias?view=download...d-fault-diagnosis&ca
www.kzrider.com/forum/11-projects/617631...-82-begins?start=192
kzrider.com/filebase-alias?view=download...d-fault-diagnosis&ca
Please Log in or Create an account to join the conversation.
- gordone
-
Topic Author
- Offline
- Sustaining Member
-

Registered
- Posts: 1534
- Thanks: 93
Re: Wiring diagram with munit - REVIEW
03 Feb 2025 22:21
Thank you 
I will take good time and review your comment !
I will take good time and review your comment !
1981 KZ650-D4, with 1981 z750L engine (Wiensco 810 big bore).
Project:
www.kzrider.com/forum/11-projects/607213...sr-1981-z750l-engine
Project:
www.kzrider.com/forum/11-projects/607213...sr-1981-z750l-engine
Please Log in or Create an account to join the conversation.
- gordone
-
Topic Author
- Offline
- Sustaining Member
-

Registered
- Posts: 1534
- Thanks: 93
Re: Wiring diagram with munit - REVIEW
05 Feb 2025 12:18I`m so imprest of how much effort you have put into me ! thank you !
1.
I have question here, you have put "Front" and "Rear" light on the same cable here, but what type of light is these is front the park light, what is the rear?
You was thinking putting park light and rear light on same circuit?
2.
Brake indication active on the speedo "KOSO dosent have brake light failure..." I was not thinking about failure, but the indication light that brake is active (right handle bar or pedal active) ?
3.
I have asked KOSO see what they answear here:
1981 KZ650-D4, with 1981 z750L engine (Wiensco 810 big bore).
Project:
www.kzrider.com/forum/11-projects/607213...sr-1981-z750l-engine
Project:
www.kzrider.com/forum/11-projects/607213...sr-1981-z750l-engine
Please Log in or Create an account to join the conversation.
- Scirocco
-
- Offline
- Premium Member
-

Registered
- Never change a running system
- Posts: 4397
- Thanks: 2260
Re: Wiring diagram with munit - REVIEW
05 Feb 2025 15:28
Your KOZO RX2N with the 18000 RPM area looks like a little bit optimistic and out of your engine rev range.
Only Yamy R1 or BMW 1000 RR engines would need this.
A max RPM area reading of a KOZO RX2N 10000 would be more sensible and accurate to your bike, just my 2 cents.......
Only Yamy R1 or BMW 1000 RR engines would need this.
A max RPM area reading of a KOZO RX2N 10000 would be more sensible and accurate to your bike, just my 2 cents.......
My 1975 Z 1 B 900 Project
www.kzrider.com/forum/11-projects/605133...ears-deep-sleep-mode
www.kzrider.com/forum/11-projects/605133...ears-deep-sleep-mode
Please Log in or Create an account to join the conversation.
- Wookie58
-
- Offline
- Moderator
-

Registered
- Posts: 5967
- Thanks: 3747
Re: Wiring diagram with munit - REVIEW
06 Feb 2025 01:48
I`m so impressed of how much effort you have put into me ! thank you ! You are welcome - better to "get it right first time" than have to work backwards to diagnose issues.
1. I have question here, you have put "Front" and "Rear" light on the same cable here, but what type of light is these is front the park light, what is the rear?
You was thinking putting park light and rear light on same circuit? This is front pilot light/tail light/ licence plate light all on the "PO" position of the right handlebar switch (which is the same as OE European spec)
2. Brake indication active on the speedo "KOSO dosent have brake light failure..." I was not thinking about failure, but the indication light that brake is active (right handle bar or pedal active) ? I think you need to forget this as there are no "spare" warning lights in the Koso unit (unless you want to add a "stand alone" LED somewhere)
3. I have asked KOSO see what they answer here: OK so it looks like my option "B" using the OBD light is the way to go - I have added instructions below
1. I have question here, you have put "Front" and "Rear" light on the same cable here, but what type of light is these is front the park light, what is the rear?
You was thinking putting park light and rear light on same circuit? This is front pilot light/tail light/ licence plate light all on the "PO" position of the right handlebar switch (which is the same as OE European spec)
2. Brake indication active on the speedo "KOSO dosent have brake light failure..." I was not thinking about failure, but the indication light that brake is active (right handle bar or pedal active) ? I think you need to forget this as there are no "spare" warning lights in the Koso unit (unless you want to add a "stand alone" LED somewhere)
3. I have asked KOSO see what they answer here: OK so it looks like my option "B" using the OBD light is the way to go - I have added instructions below
1982 KZ1000 Ltd
www.kzrider.com/forum/11-projects/617631...-82-begins?start=192
kzrider.com/filebase-alias?view=download...d-fault-diagnosis&ca
www.kzrider.com/forum/11-projects/617631...-82-begins?start=192
kzrider.com/filebase-alias?view=download...d-fault-diagnosis&ca
Please Log in or Create an account to join the conversation.
- gordone
-
Topic Author
- Offline
- Sustaining Member
-

Registered
- Posts: 1534
- Thanks: 93
Re: Wiring diagram with munit - REVIEW
11 Feb 2025 08:30
I have figure out park light is not requiref before 2003 in my country. I will remove the park switch and make a update on the wiring and include the comments.
1981 KZ650-D4, with 1981 z750L engine (Wiensco 810 big bore).
Project:
www.kzrider.com/forum/11-projects/607213...sr-1981-z750l-engine
Project:
www.kzrider.com/forum/11-projects/607213...sr-1981-z750l-engine
The following user(s) said Thank You: Wookie58
Please Log in or Create an account to join the conversation.
- gordone
-
Topic Author
- Offline
- Sustaining Member
-

Registered
- Posts: 1534
- Thanks: 93
Re: Wiring diagram with munit - REVIEW
12 Feb 2025 09:07Valid point, but I’d rather not spend money on a new speedo.Your KOZO RX2N with the 18000 RPM area looks like a little bit optimistic and out of your engine rev range.
Only Yamy R1 or BMW 1000 RR engines would need this.
A max RPM area reading of a KOZO RX2N 10000 would be more sensible and accurate to your bike, just my 2 cents.......
I believe the wiring connector is the same, so I should be able to replace the speedo later without modifying the electrical harness.
1981 KZ650-D4, with 1981 z750L engine (Wiensco 810 big bore).
Project:
www.kzrider.com/forum/11-projects/607213...sr-1981-z750l-engine
Project:
www.kzrider.com/forum/11-projects/607213...sr-1981-z750l-engine
Please Log in or Create an account to join the conversation.
- gordone
-
Topic Author
- Offline
- Sustaining Member
-

Registered
- Posts: 1534
- Thanks: 93
Re: Wiring diagram with munit - REVIEW
12 Feb 2025 09:09I`m so impressed of how much effort you have put into me ! thank you ! You are welcome - better to "get it right first time" than have to work backwards to diagnose issues.
1. I have question here, you have put "Front" and "Rear" light on the same cable here, but what type of light is these is front the park light, what is the rear?
You was thinking putting park light and rear light on same circuit? This is front pilot light/tail light/ licence plate light all on the "PO" position of the right handlebar switch (which is the same as OE European spec)
2. Brake indication active on the speedo "KOSO dosent have brake light failure..." I was not thinking about failure, but the indication light that brake is active (right handle bar or pedal active) ? I think you need to forget this as there are no "spare" warning lights in the Koso unit (unless you want to add a "stand alone" LED somewhere)
3. I have asked KOSO see what they answer here: OK so it looks like my option "B" using the OBD light is the way to go - I have added instructions below
I have updated diagram now, where I have removed the park light invidual control, updated fuse size and updated the wiring for the fuel level low level, please take a look below.
What do you think ? ready to start on the physical works ?
1981 KZ650-D4, with 1981 z750L engine (Wiensco 810 big bore).
Project:
www.kzrider.com/forum/11-projects/607213...sr-1981-z750l-engine
Project:
www.kzrider.com/forum/11-projects/607213...sr-1981-z750l-engine
Please Log in or Create an account to join the conversation.
- Wookie58
-
- Offline
- Moderator
-

Registered
- Posts: 5967
- Thanks: 3747
Re: Wiring diagram with munit - REVIEW
14 Feb 2025 01:29
1982 KZ1000 Ltd
www.kzrider.com/forum/11-projects/617631...-82-begins?start=192
kzrider.com/filebase-alias?view=download...d-fault-diagnosis&ca
www.kzrider.com/forum/11-projects/617631...-82-begins?start=192
kzrider.com/filebase-alias?view=download...d-fault-diagnosis&ca
Please Log in or Create an account to join the conversation.
Moderators: Street Fighter LTD
