My first 440 "cafè'ish" build.
- I_Tig_in_piece
 - 
      
              Topic Author
                 - Offline
 - User
 - 
      

Registered
 - Posts: 170
 - Thanks: 14
 
Re: My first 440 "cafè'ish" build.
13 Jul 2015 16:07 - 13 Jul 2015 16:11
    
    Hahaha..is there a law against reading peoples minds? 
 As simple as it would be to do so, I'm indecisive of how I'd want it to look. I've done so many custom exhaust set ups...on cars. lol. The amount of that done for bikes can be counted on one hand and they were easy straight pipes so I'm gonna say it doesn't count..lol  I know I'm gonna need two of the head flanges. I read a write up someone posted on a forum about these machined venturi  inserts or flanges? It also had tons of useful info for building an exhaust to match your displacement and yadda yadda.
So far I'm gonna use .040 wall tubing. I already hadve a 1 3/4 u-bend on a 6"clr sitting in the stock room shelves to get me started but need those wanna be marman flanges. Well shit?! That just gave me an idea. wonder if I could get away with using a pair of those in the head? hmmmm..anyways. Don't know if I wanna make it a 2 step or not. I'd like to keep it dual. But tossing the idea around of building it so I can slip on my 2 into 1 double slip fit collector into a single exhaust. Omg..I smell brain cells?
Bout creamed myself when I saw this setup..
I like how they're staggered to keep it equal length.
Thanks for the tank tip, Guess it's a plus that it doesn't leak at all.
ed
  
      So far I'm gonna use .040 wall tubing. I already hadve a 1 3/4 u-bend on a 6"clr sitting in the stock room shelves to get me started but need those wanna be marman flanges. Well shit?! That just gave me an idea. wonder if I could get away with using a pair of those in the head? hmmmm..anyways. Don't know if I wanna make it a 2 step or not. I'd like to keep it dual. But tossing the idea around of building it so I can slip on my 2 into 1 double slip fit collector into a single exhaust. Omg..I smell brain cells?
Bout creamed myself when I saw this setup..
I like how they're staggered to keep it equal length.
Thanks for the tank tip, Guess it's a plus that it doesn't leak at all.
ed
      Cheap labor isn't skilled, skilled labor isn't cheap.
1980 KZ440a. I went green.
If you yourself are building an older bike and can see it through till you're riding it, that's proof you have patience.
    
  
  1980 KZ440a. I went green.
If you yourself are building an older bike and can see it through till you're riding it, that's proof you have patience.
Attachments:
    Last edit: 13 Jul 2015 16:11  by I_Tig_in_piece.    Reason: I'm horrible at math  
      Please Log in or Create an account to join the conversation.
- loudhvx
 - 
      
                 - Offline
 - KZr Legend
 - 
      

Registered
 - Posts: 10863
 - Thanks: 1621
 
Re: My first 440 "cafè'ish" build.
13 Jul 2015 18:31
    
    Looking good!  
   (I like me some Z cars too. Been a while since I had a 260/280 hybrid.)
Definitely avoid lining the tank if you can get away with it. With so much alcohol in the gas these days, I don't think the coatings do as well as they used to, and they were finicky even before alcohol. If it holds liquid, I would just clean it out. If it only has a few pin holes, you can fix that with solder. ( I just did that a couple years ago and had no problems since.)
  
      Definitely avoid lining the tank if you can get away with it. With so much alcohol in the gas these days, I don't think the coatings do as well as they used to, and they were finicky even before alcohol. If it holds liquid, I would just clean it out. If it only has a few pin holes, you can fix that with solder. ( I just did that a couple years ago and had no problems since.)
      1981 KZ550 D1 gpz.
Kz550 valve train warning.
Other links.
    
  
  Kz550 valve train warning.
Other links.
Please Log in or Create an account to join the conversation.
- DoctoRot
 - 
      
                 - Offline
 - Sustaining Member
 - 
      

Registered
 - Oh, the usual... I bowl, I drive around...
 - Posts: 2597
 - Thanks: 758
 
Re: My first 440 "cafè'ish" build.
13 Jul 2015 19:25 - 13 Jul 2015 19:31
    
    I have been doing some research for my 750 twin exhaust i will make at some point. I was going to do a setup like the motogpwerks exhaust with a machined collar that permanently bolts into the head and then the exhuast slips on that with springs to hold it in place. Looks very "race" to me. I have read that a cross over or a 2  into 1 exhaust setup helps keep the low end torquey. Are you going to run side-covers? if not i maybe consider high pipes like a scrambler. Cant wait to see what you make.  :woohoo:
BTW the Caswell kit is a two part phenol novolac resin, they are a relatively new type of epoxy and have amazing chemical resistance. All the other kits that I have seen are just 1 part liners. Like Lou said, if you clean it out and it doesn't leak i wouldn't waste the time and money to line it.
  
  
      
    
  
  BTW the Caswell kit is a two part phenol novolac resin, they are a relatively new type of epoxy and have amazing chemical resistance. All the other kits that I have seen are just 1 part liners. Like Lou said, if you clean it out and it doesn't leak i wouldn't waste the time and money to line it.
Attachments:
    Last edit: 13 Jul 2015 19:31  by DoctoRot.      
      Please Log in or Create an account to join the conversation.
- I_Tig_in_piece
 - 
      
              Topic Author
                 - Offline
 - User
 - 
      

Registered
 - Posts: 170
 - Thanks: 14
 
Re: My first 440 "cafè'ish" build.
14 Jul 2015 15:55
    
    they do look pretty. Any idea how hot the exhaust is coming out head? Just remembered helping with a header on a rhino that was 120 wall aluminum. He had it jet coated inside and out, well as much as possible inside since it came out mostly straight. The it ended a a Burnsstainless muffler. those are badass.
Oh and about grips for the pegs, thought of putting grip to keep it simple but I don't have any so I'll put them on the lathe and get them knurled. Hope I remembered how to set up the knurling tool. been awhile since I did pegs and stand offs for my bmx buddies. No more shots of that guzzi. Forgot what model it was other than he wanted to use his longest bike in the van to have me modify the tire lock.
Got the shift side sorted last night so exhaust is gonna be on hold for a little bit. Gonna start on the seat tonight and hope It turns out right. Will have update pics up later on.
ed
  
      Oh and about grips for the pegs, thought of putting grip to keep it simple but I don't have any so I'll put them on the lathe and get them knurled. Hope I remembered how to set up the knurling tool. been awhile since I did pegs and stand offs for my bmx buddies. No more shots of that guzzi. Forgot what model it was other than he wanted to use his longest bike in the van to have me modify the tire lock.
Got the shift side sorted last night so exhaust is gonna be on hold for a little bit. Gonna start on the seat tonight and hope It turns out right. Will have update pics up later on.
ed
      Cheap labor isn't skilled, skilled labor isn't cheap.
1980 KZ440a. I went green.
If you yourself are building an older bike and can see it through till you're riding it, that's proof you have patience.
    
  
  1980 KZ440a. I went green.
If you yourself are building an older bike and can see it through till you're riding it, that's proof you have patience.
Please Log in or Create an account to join the conversation.
- I_Tig_in_piece
 - 
      
              Topic Author
                 - Offline
 - User
 - 
      

Registered
 - Posts: 170
 - Thanks: 14
 
Re: My first 440 "cafè'ish" build.
19 Jul 2015 18:57 - 19 Jul 2015 19:03
    
    So hooked up the batterya few days ago to see how bad I did on the wiring. Good news is nothing smoked, melted, caught on fire or popped fuses. LED signals flash at a nice pace, brake light pressure switch works soon as it sees pressure and hell the horn works, sounds like shit but it makes a noise (it'll get replaced soon enough). The not so bad news is I need to sort out the start, kill, headlight power emergency combo switch on the right hand that I some concerns with wiring them up in the first place.(was doing that while someone was talking to me and a few other little distractions.) Shouldn't be too bad though.
So being that I used clip ons I was left with the two giant holes left on the upper triple that was an eye sore. So that got a make over..
I'm sure most know what it looks like without the handlebar risers bolted up.
First cut and smoothed down the holes..
I cut and sanded some 1/4" aluminum plate to fill in most of the hole to get welded in.
This dirty weld was the first pass, been awhile since I welded any alloy thicker than .065 wall.
Second one came out a lot better.
Grinded and sanded down about as smooth as I needed.
Another angle of the smooveness..lol
Sandblasted and ready to paint.
I choose a black wrinkle coat. Turned out real nice.
Another.
Didn't get very far on the seat other than I'm gonna use a cow pattern for the upholstery part. I'm hoping to have that wrapped up along with the electrical this week
  Probably paint a few things, oh and gotta install the tapered stem bearings also. Till we meet again..
ed
  
      So being that I used clip ons I was left with the two giant holes left on the upper triple that was an eye sore. So that got a make over..
I'm sure most know what it looks like without the handlebar risers bolted up.
First cut and smoothed down the holes..
I cut and sanded some 1/4" aluminum plate to fill in most of the hole to get welded in.
This dirty weld was the first pass, been awhile since I welded any alloy thicker than .065 wall.
Second one came out a lot better.
Grinded and sanded down about as smooth as I needed.
Another angle of the smooveness..lol
Sandblasted and ready to paint.
I choose a black wrinkle coat. Turned out real nice.
Another.
Didn't get very far on the seat other than I'm gonna use a cow pattern for the upholstery part. I'm hoping to have that wrapped up along with the electrical this week
ed
      Cheap labor isn't skilled, skilled labor isn't cheap.
1980 KZ440a. I went green.
If you yourself are building an older bike and can see it through till you're riding it, that's proof you have patience.
    
  
  1980 KZ440a. I went green.
If you yourself are building an older bike and can see it through till you're riding it, that's proof you have patience.
Attachments:
    Last edit: 19 Jul 2015 19:03  by I_Tig_in_piece.      
      Please Log in or Create an account to join the conversation.
- Jbosh
 - 
      
                 - Offline
 - User
 - 
      

Registered
 - 1982 Kz440 ltd D4
 - Posts: 142
 - Thanks: 5
 
Re: My first 440 "cafè'ish" build.
19 Jul 2015 22:42
    
    Ed, that is some very nice work!  Fantastic patch and fill on the triple tree!  Makes it look like a whole new piece.  You don't happen to have a wiring schematic in hand for your bike do ya?  Mind sharing if you do?  Keep up the dandy work!
Josh
  
      Josh
      As long as I get to learn something, I'm happy!
    
    
  
  
    The following user(s) said Thank You: I_Tig_in_piece   
      Please Log in or Create an account to join the conversation.
- larriken
 - 
      
                 - Offline
 - User
 - 
      

Registered
 - Posts: 556
 - Thanks: 61
 
Re: My first 440 "cafè'ish" build.
20 Jul 2015 01:00
    
    Black wrinkle came up really tidy! Never really used it before for things like top clamps, will give it a go.  
  
    
  
  
    The following user(s) said Thank You: I_Tig_in_piece   
      Please Log in or Create an account to join the conversation.
- 650ed
 - 
      
                 - Offline
 - User
 - 
      

Registered
 - Posts: 15337
 - Thanks: 2833
 
Re: My first 440 "cafè'ish" build.
20 Jul 2015 05:30
    
    Very tidy!  That clamp looks like it came from the factory that way.  Ed  
  
      
      1977 KZ650-C1 Original Owner - Stock (with additional invisible FIAMM horn)
    
    
  
  
    The following user(s) said Thank You: I_Tig_in_piece   
      Please Log in or Create an account to join the conversation.
- I_Tig_in_piece
 - 
      
              Topic Author
                 - Offline
 - User
 - 
      

Registered
 - Posts: 170
 - Thanks: 14
 
Re: My first 440 "cafè'ish" build.
20 Jul 2015 14:57 - 20 Jul 2015 15:05
    
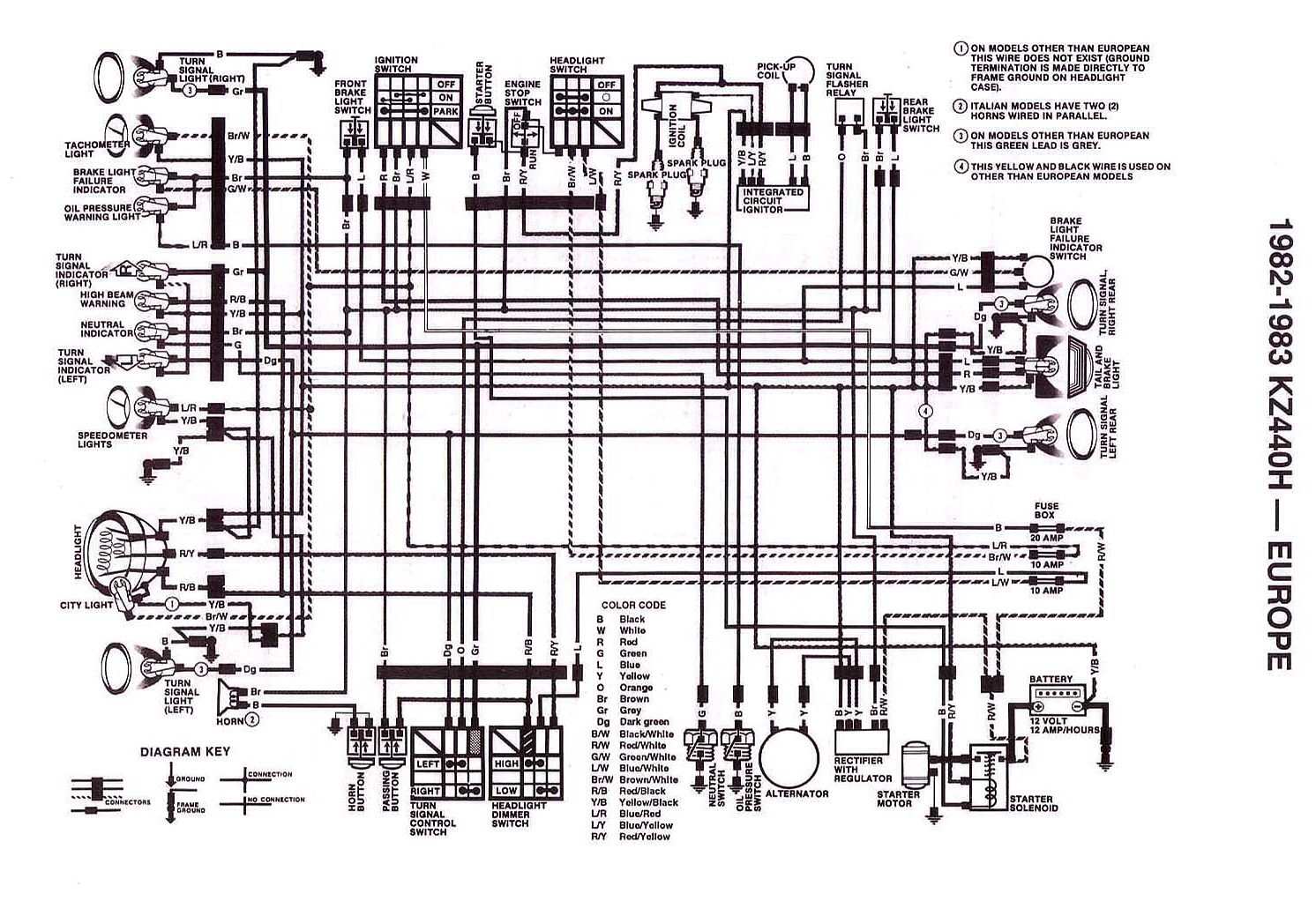
    Thanks all. Been tossing the idea around to painting the side engine cases wrinkle also?  Don't know yet. If you have a torch handy, burning off any foreign contaminants and painting it when it's warm helps a lot. Almost like powder coating but not really. Won't be able to get anything done today, have a honda fit to deal with that it decided to shoot a spark plug out the cylinder. Hopefully I can time-cert it without pulling the head. Lots of grease, a shop vac with a rubber hose small enough to get inside the cylinder and patience should do it. Bosh I've just been using diagrams off the web. You gotta make sure that it matches to your bike, a bunch of different variations out there.
These are the ones I've been using cause I eliminated the auto cancelling signal lights entirely.
  
  
      These are the ones I've been using cause I eliminated the auto cancelling signal lights entirely.
      Cheap labor isn't skilled, skilled labor isn't cheap.
1980 KZ440a. I went green.
If you yourself are building an older bike and can see it through till you're riding it, that's proof you have patience.
    
  
  1980 KZ440a. I went green.
If you yourself are building an older bike and can see it through till you're riding it, that's proof you have patience.
Attachments:
    Last edit: 20 Jul 2015 15:05  by I_Tig_in_piece.      
  
    The following user(s) said Thank You: Jbosh   
      Please Log in or Create an account to join the conversation.
- DoctoRot
 - 
      
                 - Offline
 - Sustaining Member
 - 
      

Registered
 - Oh, the usual... I bowl, I drive around...
 - Posts: 2597
 - Thanks: 758
 
Re: My first 440 "cafè'ish" build.
21 Jul 2015 11:35
    
    Id be wary of going to nuts with the wrinkle. From my experience it traps dirt easily and is a real PITA to keep clean.  
  
      
    
  
  
    The following user(s) said Thank You: I_Tig_in_piece   
      Please Log in or Create an account to join the conversation.
- 531blackbanshee
 - 
      
                 - Offline
 - Vendor
 - 
      

Vendors
 - Posts: 7444
 - Thanks: 796
 
Re: My first 440 "cafè'ish" build.
21 Jul 2015 12:54
    
    loving all the fab work !
keep us posted as this lil road burner comes to life.
leon
  
      keep us posted as this lil road burner comes to life.
leon
      skiatook,oklahoma 1980 z1r,1978 kz 1000 z1r x 3,
1976 kz 900 x 3
i make what i can,and save the rest!
billybiltit.blogspot.com/
www.kzrider.com/forum/5-chassis/325862-triple-tree-custom-work
kzrider.com/forum/5-chassis/294594-frame-bracing?limitstart=0
    
  
  1976 kz 900 x 3
i make what i can,and save the rest!
billybiltit.blogspot.com/
www.kzrider.com/forum/5-chassis/325862-triple-tree-custom-work
kzrider.com/forum/5-chassis/294594-frame-bracing?limitstart=0
    The following user(s) said Thank You: I_Tig_in_piece   
      Please Log in or Create an account to join the conversation.
- I_Tig_in_piece
 - 
      
              Topic Author
                 - Offline
 - User
 - 
      

Registered
 - Posts: 170
 - Thanks: 14
 
Re: My first 440 "cafè'ish" build.
03 Aug 2015 16:04
    
    a quickie update. So last thursday after sorting out my wiring headache (thanks MartinCSR for that link to Louds geniousness of wiring) I proceeded to fire this baby up!!! After figuring which way the petcock valve was suppose to be facing, I saw my filter fill up with gas. Surprisingly enough, the bike fired up after the second attempt. I then saw gas gush out of the T fitting between both carbs. So I made an indestructible one out of stainless.
A little hot.
Here's the cracked one.
New piece..
So now a new problem occurs. Trying to fire this baby up again today and no spark? I've got the battery on charger now. I grounded a plug to the block to confirm my problem. If the icc module took a shit, would that result in the coil not doing its job, and if so, is it easily bypassed?
I did a little reading for upgrades like Dyna and an electronic points? I don't mind going stock though.
  
      A little hot.
Here's the cracked one.
New piece..
So now a new problem occurs. Trying to fire this baby up again today and no spark? I've got the battery on charger now. I grounded a plug to the block to confirm my problem. If the icc module took a shit, would that result in the coil not doing its job, and if so, is it easily bypassed?
I did a little reading for upgrades like Dyna and an electronic points? I don't mind going stock though.
      Cheap labor isn't skilled, skilled labor isn't cheap.
1980 KZ440a. I went green.
If you yourself are building an older bike and can see it through till you're riding it, that's proof you have patience.
    
  
  1980 KZ440a. I went green.
If you yourself are building an older bike and can see it through till you're riding it, that's proof you have patience.
Attachments:
Please Log in or Create an account to join the conversation.
        Moderators: Street Fighter LTD    
  