1980 750H bare bones for mattylight
- muffinsmannkz750n
-
- Offline
- Banned
-

Registered
- Posts: 17
- Thanks: 0
Re: 1980 750H bare bones for mattylight
05 Apr 2015 21:52
i know is old though .need to know where /or when momentary start is wired in ..before after kill switch..then that runs to where..thanks is only place i keep getting stuck..also only thing you ever left out...i WE all owe you for the giant brain youve shared in these forums...three heros in restore of old bikes ;sonreir..tyrell..and you..loudhvx...thanks alot man
Please Log in or Create an account to join the conversation.
- loudhvx
-
Topic Author
- Offline
- KZr Legend
-

Registered
- Posts: 10863
- Thanks: 1622
Re: 1980 750H bare bones for mattylight
07 Apr 2015 16:18
The momentary button for the starter can get power before, or after, the kill switch. One way will allow you to have the ignition off while cranking the motor. This is handy for doing compression tests etc. But sometimes people will forget the kill switch and sit there cranking trying to start it. For them, it would be better to get power after the kill switch, for the start button. The diagrams probably show some one way, and some the other way.
From the momentary button, the power goes to the starter solenoid. The solenoid has two small wires, usually one black, and one yellow or red. Either one can be used for power, then the other is ground. The factory often had the black as positive, and yellow/red as ground, but that does not seem intuitive, so sometimes some people swap them.
The small wires power the solenoid's coil, which then pulls in the main contacts which complete the battery cable circuit to the starter. The starter body is grounded to the engine.
From the momentary button, the power goes to the starter solenoid. The solenoid has two small wires, usually one black, and one yellow or red. Either one can be used for power, then the other is ground. The factory often had the black as positive, and yellow/red as ground, but that does not seem intuitive, so sometimes some people swap them.
The small wires power the solenoid's coil, which then pulls in the main contacts which complete the battery cable circuit to the starter. The starter body is grounded to the engine.
1981 KZ550 D1 gpz.
Kz550 valve train warning.
Other links.
Kz550 valve train warning.
Other links.
The following user(s) said Thank You: muffinsmannkz750n
Please Log in or Create an account to join the conversation.
- GuyShocker
-
- Offline
- User
-

Registered
- Posts: 3
- Thanks: 0
Re: 1980 750H bare bones for mattylight
05 Jul 2015 14:14loudhvx wrote: 1981 Kawasaki KZ110B1 Gpz for GuyShocker[/attachment]
Matty,
Thanks again for the wiring diagram. Had the bike running for a couple months last season, then put away for the winter. Had to come back to the thread and pull the diagram you made for me. Pulled it off the bike and labeling/fixing old connectors.
Tom
1981 GPZ1100B1 Danger Zone
Please Log in or Create an account to join the conversation.
- loudhvx
-
Topic Author
- Offline
- KZr Legend
-

Registered
- Posts: 10863
- Thanks: 1622
Re: 1980 750H bare bones for mattylight
25 Aug 2015 15:43 - 14 Jan 2019 19:17
1980 Kawasaki KZ440A1 simplified wiring diagram for I_Tig_in_piece.
EDIT 1/14/2019:
Mattylight Barebones Bare Bones
1980 Kawasaki Kz440A1 for I_Tig_in_piece
Kz440A Kz440 A1 Kz 440 A1 440A1 440A
EDIT 1/14/2019:
Mattylight Barebones Bare Bones
1980 Kawasaki Kz440A1 for I_Tig_in_piece
Kz440A Kz440 A1 Kz 440 A1 440A1 440A
1981 KZ550 D1 gpz.
Kz550 valve train warning.
Other links.
Kz550 valve train warning.
Other links.
Last edit: 14 Jan 2019 19:17 by loudhvx.
Please Log in or Create an account to join the conversation.
- loudhvx
-
Topic Author
- Offline
- KZr Legend
-

Registered
- Posts: 10863
- Thanks: 1622
Re: 1980 750H bare bones for mattylight
14 Dec 2015 06:11 - 14 Jan 2019 19:19
1976 KZ400 S2 KZ400S2 for ZeffRides
EDIT 1/14/2019:
Mattylight Barebones Bare Bones
1976 Kawasaki Kz400S2 for ZeffRides
Kz400S Kz400 S2 Kz 400 S 400S2 400S
EDIT 1/14/2019:
Mattylight Barebones Bare Bones
1976 Kawasaki Kz400S2 for ZeffRides
Kz400S Kz400 S2 Kz 400 S 400S2 400S
1981 KZ550 D1 gpz.
Kz550 valve train warning.
Other links.
Kz550 valve train warning.
Other links.
Last edit: 14 Jan 2019 19:19 by loudhvx.
The following user(s) said Thank You: ZeffRides
Please Log in or Create an account to join the conversation.
- loudhvx
-
Topic Author
- Offline
- KZr Legend
-

Registered
- Posts: 10863
- Thanks: 1622
Re: 1980 750H bare bones for mattylight
26 May 2016 00:27 - 14 Jan 2019 19:21
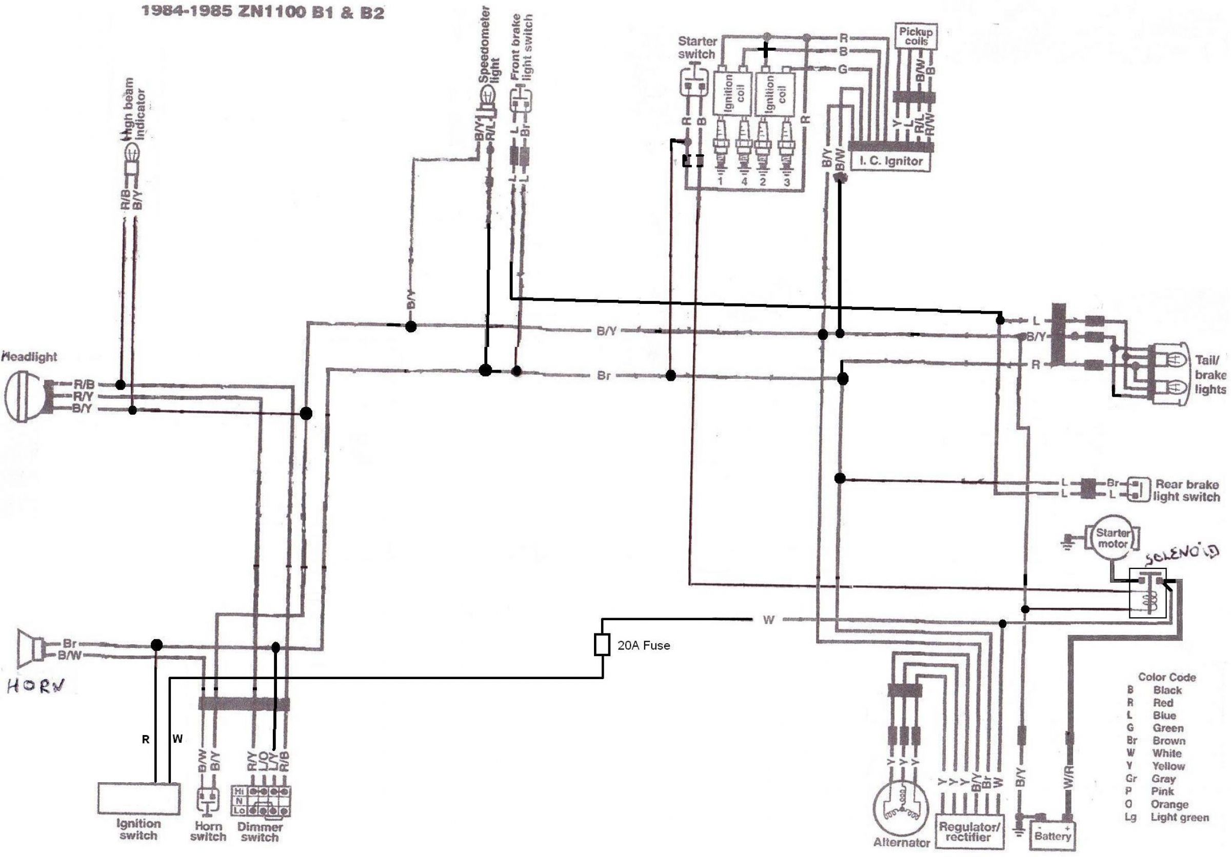
Kawasaki ZN1100B1 Ltd 1984 bare bones for BadMonk
EDIT 1/14/2019:
Mattylight Barebones Bare Bones
1984 Kawasaki Zn1100B1 for BadMonk
Zn1100B Zn1100 B1 Zn 1100 B1 1100B1 1100B
EDIT 1/14/2019:
Mattylight Barebones Bare Bones
1984 Kawasaki Zn1100B1 for BadMonk
Zn1100B Zn1100 B1 Zn 1100 B1 1100B1 1100B
1981 KZ550 D1 gpz.
Kz550 valve train warning.
Other links.
Kz550 valve train warning.
Other links.
Last edit: 14 Jan 2019 19:21 by loudhvx.
The following user(s) said Thank You: BadMonk
Please Log in or Create an account to join the conversation.
- loudhvx
-
Topic Author
- Offline
- KZr Legend
-

Registered
- Posts: 10863
- Thanks: 1622
Re: 1980 750H bare bones for mattylight
30 Jun 2016 07:16 - 14 Jan 2019 19:23
1980 Kawasaki Kz750G1 twin for Wolfgang666
EDIT 1/14/2019:
Mattylight Barebones Bare Bones
1980 Kawasaki Kz750G1 twin for Wolfgang666
Kz750G Kz750 G1 Kz 750 G 750G1 750G
EDIT 1/14/2019:
Mattylight Barebones Bare Bones
1980 Kawasaki Kz750G1 twin for Wolfgang666
Kz750G Kz750 G1 Kz 750 G 750G1 750G
1981 KZ550 D1 gpz.
Kz550 valve train warning.
Other links.
Kz550 valve train warning.
Other links.
Last edit: 14 Jan 2019 19:23 by loudhvx.
Please Log in or Create an account to join the conversation.
- Wolfgang666
-
- Offline
- User
-

Registered
- Posts: 3
- Thanks: 0
Re: 1980 750H bare bones for mattylight
01 Jul 2016 10:53
many thanks loudhvx! exactly what i needed.
Please Log in or Create an account to join the conversation.
- rift.sawn
-
- Offline
- User
-

Registered
- Posts: 4
- Thanks: 0
Re: 1980 750H bare bones for mattylight
04 Jul 2016 16:52
I appreciate your commitment to helping people like me figure out wiring. I have recently picked up a 1980 KX750G twin; it's best to assume that we're starting over electrically. I'd like to go no-battery, but use a key in the same way you arranged for "1980 KZ 1000 E@ Shaft drive No Battery for Rockabillybobber". One question I have is what to do with the oil pressure and neutral wires? do I just cap those off or can I include them? I appreciate your help and other's advice in advance.
Please Log in or Create an account to join the conversation.
- loudhvx
-
Topic Author
- Offline
- KZr Legend
-

Registered
- Posts: 10863
- Thanks: 1622
Re: 1980 750H bare bones for mattylight
05 Jul 2016 06:47 - 15 Jan 2019 18:37I assume you mean a Kz750G twin. Correct?rift.sawn wrote: I appreciate your commitment to helping people like me figure out wiring. I have recently picked up a 1980 KX750G twin; it's best to assume that we're starting over electrically. I'd like to go no-battery, but use a key in the same way you arranged for "1980 KZ 1000 E@ Shaft drive No Battery for Rockabillybobber". One question I have is what to do with the oil pressure and neutral wires? do I just cap those off or can I include them? I appreciate your help and other's advice in advance.
The bike should be perfectly tuned before you try to get rid of the battery. If it has any difficulty starting on the first kick, removing the battery will just make it harder to start. Also, be aware, all of the lights need to be off when starting, especially the headlight. That single kick has to charge the capacitor fully and fire the ignition. It will not be able to do it with the lights on. I use a relay to automatically shut off the lights when the motor stops. In this diagram, it is done with a 3-position ignition switch. But if it stalls, you have to remember to turn the ignition switch back to acc position to turn the lights off in order to re-start. It usually helps to bump the idle up a tiny bit to prevent stalls from irregular takeoffs, like if someone steps in front of you when you are leaving from a stop sign etc.
Open the image in another page to see it full-size, or maybe download it first.
1980 Kawasaki Kz750G1 twin for rift.sawn, batteryless.
EDIT 1/15/2019:
Mattylight Barebones Bare Bones Wiring Diagram
1980 Kawasaki Kz750G1 twin batteryless for Rift_sawn
Kz750G Kz750 G1 Kz 750 G 750G1 750G
1981 KZ550 D1 gpz.
Kz550 valve train warning.
Other links.
Kz550 valve train warning.
Other links.
Last edit: 15 Jan 2019 18:37 by loudhvx.
The following user(s) said Thank You: rift.sawn
Please Log in or Create an account to join the conversation.
- rift.sawn
-
- Offline
- User
-

Registered
- Posts: 4
- Thanks: 0
Re: 1980 750H bare bones for mattylight
05 Jul 2016 10:27
Yes - a KZ not a KX; still having problems letting go of my dirt bike...
Would substituting LED lighting have some of the same effect as a slightly faster idle?
In any case, this is very helpful. Thank you.
Would substituting LED lighting have some of the same effect as a slightly faster idle?
In any case, this is very helpful. Thank you.
Please Log in or Create an account to join the conversation.
- loudhvx
-
Topic Author
- Offline
- KZr Legend
-

Registered
- Posts: 10863
- Thanks: 1622
Re: 1980 750H bare bones for mattylight
05 Jul 2016 10:43
Yes, using less current for the rest of the bike will free up power for the ignition. But this is only an issue when you accidentally let the rpms drop to like 500 or even lower. That is not normally a problem. But being in a city, all sorts of unexpected stuff jumps out at you while riding, so it's not always possible to keep the rpms normal. I'd say the bike stalls about once every few years due to a pedestrian or car suddenly materializing from hyperspace.
1981 KZ550 D1 gpz.
Kz550 valve train warning.
Other links.
Kz550 valve train warning.
Other links.
The following user(s) said Thank You: rift.sawn
Please Log in or Create an account to join the conversation.
Moderators: Street Fighter LTD
