General help, building electrical harness
- H1Vindicator
-
- Offline
- User
-

Registered
- Posts: 802
- Thanks: 134
Re: General help, building electrical harness
23 Jan 2025 09:32 - 23 Jan 2025 09:34The stock terminals are open barrel. when crimped correctly with the proper tool, the open barrel type crimp the wire AND the insulation. this gives strong crimps which are difficult to pull apart. so there should be no chance of failure. a rather important consideration for a motorcycle. Those other ring terminals may require a special tool. not sure. but I doubt they're as strong as the open barrel type since they don't grip the wire and insulation separately.But they are not open barrel I have understood is the best to use? Or?
image has been posted here on KZR before.
Last edit: 23 Jan 2025 09:34 by H1Vindicator.
The following user(s) said Thank You: gordone
Please Log in or Create an account to join the conversation.
- gordone
-
Topic Author
- Offline
- Sustaining Member
-

Registered
- Posts: 1530
- Thanks: 93
Re: General help, building electrical harness
26 Jan 2025 12:00 - 26 Jan 2025 12:05
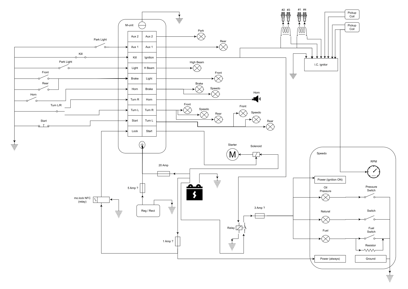
I have made a draft on eletrical diagram overview, do you see any errors or improvement ?
I need to figure out what size I shall have on the fuses and resistor size for the fuel level, the tank only have OPEN/CLOSE switch and the speedo support dynamic value.... so I was thinking adding a constant resistor in parallel, so you have two different ohm for full and half tank.
I need to figure out what size I shall have on the fuses and resistor size for the fuel level, the tank only have OPEN/CLOSE switch and the speedo support dynamic value.... so I was thinking adding a constant resistor in parallel, so you have two different ohm for full and half tank.
1981 KZ650-D4, with 1981 z750L engine (Wiensco 810 big bore).
Project:
www.kzrider.com/forum/11-projects/607213...sr-1981-z750l-engine
Project:
www.kzrider.com/forum/11-projects/607213...sr-1981-z750l-engine
Last edit: 26 Jan 2025 12:05 by gordone.
Please Log in or Create an account to join the conversation.
- Wookie58
-
- Offline
- Moderator
-

Registered
- Posts: 5748
- Thanks: 3552
Re: General help, building electrical harness
26 Jan 2025 12:22
Give me a couple of days and I will have a look when I get chance
1982 KZ1000 Ltd
www.kzrider.com/forum/11-projects/617631...-82-begins?start=192
kzrider.com/filebase-alias?view=download...d-fault-diagnosis&ca
www.kzrider.com/forum/11-projects/617631...-82-begins?start=192
kzrider.com/filebase-alias?view=download...d-fault-diagnosis&ca
Please Log in or Create an account to join the conversation.
- gordone
-
Topic Author
- Offline
- Sustaining Member
-

Registered
- Posts: 1530
- Thanks: 93
Re: General help, building electrical harness
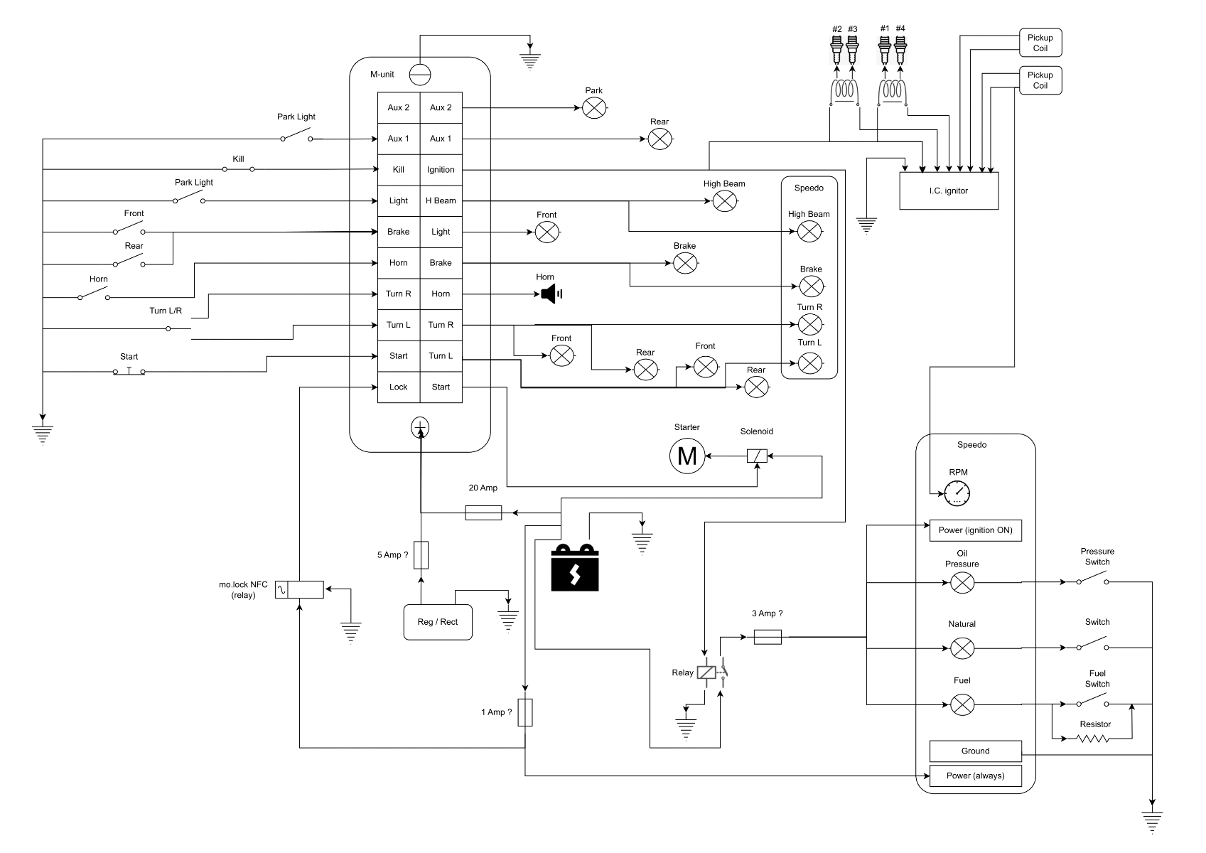
27 Jan 2025 01:12Thank you, I see that the switch position for oil pressure, natural and fuel is located wrong, not part of the speedo, but logical it should be the same...Give me a couple of days and I will have a look when I get chance
1981 KZ650-D4, with 1981 z750L engine (Wiensco 810 big bore).
Project:
www.kzrider.com/forum/11-projects/607213...sr-1981-z750l-engine
Project:
www.kzrider.com/forum/11-projects/607213...sr-1981-z750l-engine
Please Log in or Create an account to join the conversation.
- gordone
-
Topic Author
- Offline
- Sustaining Member
-

Registered
- Posts: 1530
- Thanks: 93
Re: General help, building electrical harness
27 Jan 2025 08:42 - 27 Jan 2025 08:48
I have made an update, please see below.
My plan when this overview is done is to make a detailed one which will include all cabels, colors, connectors etc.. and then use these two drawings and base for when I build it physically.
My plan when this overview is done is to make a detailed one which will include all cabels, colors, connectors etc.. and then use these two drawings and base for when I build it physically.
1981 KZ650-D4, with 1981 z750L engine (Wiensco 810 big bore).
Project:
www.kzrider.com/forum/11-projects/607213...sr-1981-z750l-engine
Project:
www.kzrider.com/forum/11-projects/607213...sr-1981-z750l-engine
Last edit: 27 Jan 2025 08:48 by gordone.
The following user(s) said Thank You: Wookie58
Please Log in or Create an account to join the conversation.
- slmjim+Z1BEBE
-
- Offline
- User
-

Registered
- Enjoy Life! IT HAS AN EXPIRATION DATE!
- Posts: 1396
- Thanks: 888
Re: General help, building electrical harness
28 Jan 2025 07:15Only vaguely related:Avoid possible power leaking from the battery since charging is connected directly against the battery?
We were fooled years ago by a cheap automatic charger that introduced a mysterious parasitic drain when left connected to a bike battery, but while disconnected from the AC wall outlet. It was marketed by a well-known American motorcycle supplies chain. Over the course of 6 months or so, the parasitic drain would discharge a small bike battery to below cranking capacity. Took us a few times to realize what was happening & why. We measured the drain at 20mA, or 0.02A.
We now use that cheap charger only once a month for maintenance charge of the AGM battery in our portable emergency generator we use for home power outages. We disconnect the charger from the battey after every monthly charging.
Good Ridin'
slmjim & Z1BEBE
A biker looks at your engine and chrome.
A Rider looks at your odometer and tags.
1973 ('72 builds) Z1 x2
1974 Z1-A x2
1975 Z1-B x2
1993 CB 750 Nighthawk x2
2009 ST1300A
www.kawasaki-z-classik.com
A Forum tightly focused on all things Z1 and Z2.
A Rider looks at your odometer and tags.
1973 ('72 builds) Z1 x2
1974 Z1-A x2
1975 Z1-B x2
1993 CB 750 Nighthawk x2
2009 ST1300A
www.kawasaki-z-classik.com
A Forum tightly focused on all things Z1 and Z2.
The following user(s) said Thank You: Wookie58
Please Log in or Create an account to join the conversation.
- gordone
-
Topic Author
- Offline
- Sustaining Member
-

Registered
- Posts: 1530
- Thanks: 93
Re: General help, building electrical harness
29 Jan 2025 11:51
I`m moving the wiring diagram to an new thread instead so more people can see it.
1981 KZ650-D4, with 1981 z750L engine (Wiensco 810 big bore).
Project:
www.kzrider.com/forum/11-projects/607213...sr-1981-z750l-engine
Project:
www.kzrider.com/forum/11-projects/607213...sr-1981-z750l-engine
Please Log in or Create an account to join the conversation.
- Larry G
-
- Offline
- User
-

Registered
- Posts: 46
- Thanks: 17
Re: General help, building electrical harness
30 Jan 2025 15:14 - 30 Jan 2025 15:20
I am going to ask for help here also. I am thinking about a future plan but it relates to this thread.
When you are trying to do a rewire where is the best place to get wiring diagrams.
I have a bike I want to rewire next winter and I was hoping to make a new wire harness over the summer.
I don't want to take the bike apart before the summer is over. So has anyone else ever built a harness for a bike without using the original or am I just being stupid and need to use the original harness.
This is new to me and will be my first harness so I get DYE connections and gound cables separately but also things like modern fuses and fuse box holder usb power support etc. I guess my question is what are the things a newbie should watch out for. I have heated grips at the moment but if I keep adding stuff I will probably need to get a better stator.
Plus what's the don't of building a wire harness. Is heat shrink the best cover for all the cables or is there a product that is better?
I appreciate any information about this as I am still in the early stages of planning. Also is it possible to just buy a fully complete new harness off someone else? Or even an old one so i can use that as a template?
And the last question I have is I once saw a documentary in bmw and the where building wire harnesses in the factory on a big wooden board with like big ass nails hammered into it and then they ran the cables around them is this a good idea over kill for a one off.
Thanks for your help
Larry
When you are trying to do a rewire where is the best place to get wiring diagrams.
I have a bike I want to rewire next winter and I was hoping to make a new wire harness over the summer.
I don't want to take the bike apart before the summer is over. So has anyone else ever built a harness for a bike without using the original or am I just being stupid and need to use the original harness.
This is new to me and will be my first harness so I get DYE connections and gound cables separately but also things like modern fuses and fuse box holder usb power support etc. I guess my question is what are the things a newbie should watch out for. I have heated grips at the moment but if I keep adding stuff I will probably need to get a better stator.
Plus what's the don't of building a wire harness. Is heat shrink the best cover for all the cables or is there a product that is better?
I appreciate any information about this as I am still in the early stages of planning. Also is it possible to just buy a fully complete new harness off someone else? Or even an old one so i can use that as a template?
And the last question I have is I once saw a documentary in bmw and the where building wire harnesses in the factory on a big wooden board with like big ass nails hammered into it and then they ran the cables around them is this a good idea over kill for a one off.
Thanks for your help
Larry
Last edit: 30 Jan 2025 15:20 by Larry G.
Please Log in or Create an account to join the conversation.
- Wookie58
-
- Offline
- Moderator
-

Registered
- Posts: 5748
- Thanks: 3552
Re: General help, building electrical harness
30 Jan 2025 15:57
One at a time Larry
let me get Gordone sorted then we can look at yours
1982 KZ1000 Ltd
www.kzrider.com/forum/11-projects/617631...-82-begins?start=192
kzrider.com/filebase-alias?view=download...d-fault-diagnosis&ca
www.kzrider.com/forum/11-projects/617631...-82-begins?start=192
kzrider.com/filebase-alias?view=download...d-fault-diagnosis&ca
The following user(s) said Thank You: Larry G
Please Log in or Create an account to join the conversation.
- Larry G
-
- Offline
- User
-

Registered
- Posts: 46
- Thanks: 17
Re: General help, building electrical harness
30 Jan 2025 16:06
Fair enough I am a year away from just info hunting. To be honest. If you have can recommend a few other threads I can read or builds to look at that would help me out.
Thanks again
Thanks again
Please Log in or Create an account to join the conversation.
- Larry G
-
- Offline
- User
-

Registered
- Posts: 46
- Thanks: 17
Re: General help, building electrical harness
01 Feb 2025 09:07This message contains secure information
Please Log in or Create an account to join the conversation.
- Wookie58
-
- Offline
- Moderator
-

Registered
- Posts: 5748
- Thanks: 3552
Re: General help, building electrical harness
01 Feb 2025 11:17This message contains secure information
1982 KZ1000 Ltd
www.kzrider.com/forum/11-projects/617631...-82-begins?start=192
kzrider.com/filebase-alias?view=download...d-fault-diagnosis&ca
www.kzrider.com/forum/11-projects/617631...-82-begins?start=192
kzrider.com/filebase-alias?view=download...d-fault-diagnosis&ca
Please Log in or Create an account to join the conversation.
Moderators: Street Fighter LTD
