1980 750H bare bones for mattylight
- ccammo
-
- Offline
- User
-

Registered
- Posts: 21
- Thanks: 2
Re: 1980 750H bare bones for mattylight
11 Oct 2019 18:24
Thank you for your quick reply martin_csr, I've purchased a KZ750 '79 and ALL of the wires have been removed and I'm trying to start it before I take it completely apart, so I know what I'm working with. The previous owner did however give me all the wire bundles so I am slowly putting the pieces back together. Would you have any recommendations on soldering over crimping? I'm thinking of just soldering everything with a shrink wrap over it to seal it.
The '79 does have a starter solenoid but I'm missing a voltage regulator/rectifier and the turn signal relay. Purchasing that soon along with a new instrument cluster and starter switch.
Thanks for all your help!
The '79 does have a starter solenoid but I'm missing a voltage regulator/rectifier and the turn signal relay. Purchasing that soon along with a new instrument cluster and starter switch.
Thanks for all your help!
Please Log in or Create an account to join the conversation.
- loudhvx
-
Topic Author
- Offline
- KZr Legend
-

Registered
- Posts: 10863
- Thanks: 1622
Re: 1980 750H bare bones for mattylight
11 Oct 2019 20:25 - 11 Oct 2019 20:31
In my opinion, solder only has limited use on a harness. Connections at switch contacts are often soldered by the factory, like on the back of the ignition switch. Almost everything else is crimped. Crimping lasts a lot longer. Solder erodes the wire, and the heat weakens the copper. Solder gets wicked into the conductor and creates a rigid wire such that the strands are prone to break off from vibration or motion.
The only other place I use solder is if i have to join wires together in a harness like at a t intersection . The way to do it is to run the intersecting wire parallel to the other wires for a bit then bend the wire away at a point where there is no solder. Then I wrap the solder joint so it is supported by the rest of the harness against any movement. That way any movement only affects a clean stretch of wire. Stranded wire can take a lot of movement without breaking.
Page 15 has a 78 diagram with a starter solenoid (and starter).
www.kzrider.com/forum/4-electrical/17274...ght?start=280#579749
The only other place I use solder is if i have to join wires together in a harness like at a t intersection . The way to do it is to run the intersecting wire parallel to the other wires for a bit then bend the wire away at a point where there is no solder. Then I wrap the solder joint so it is supported by the rest of the harness against any movement. That way any movement only affects a clean stretch of wire. Stranded wire can take a lot of movement without breaking.
Page 15 has a 78 diagram with a starter solenoid (and starter).
www.kzrider.com/forum/4-electrical/17274...ght?start=280#579749
1981 KZ550 D1 gpz.
Kz550 valve train warning.
Other links.
Kz550 valve train warning.
Other links.
Last edit: 11 Oct 2019 20:31 by loudhvx.
Please Log in or Create an account to join the conversation.
- martin_csr
-
- Offline
- User
-

Registered
- Posts: 8016
- Thanks: 1645
Re: 1980 750H bare bones for mattylight
11 Oct 2019 21:06 - 11 Oct 2019 21:07
I do stock type crimps using open barrel terminals & an open barrel crimper >> the crimps are very strong. I already had a HF ratcheting crimper, but the dies were wrong, so I got an open barrel die set from amazon.com. Some components, such as the ignition switch, have soldered connections inside, which sometimes need to be redone. Z1Enterprises.com & CycleTerminal.com have terminals, plastic connectors & crimp tools. Z1Ent also has colored wire. ps: loudhvx knows more about this stuff than I do. I'm kind of a rank amateur in the electricals. hee.
.....
.....
Last edit: 11 Oct 2019 21:07 by martin_csr.
Please Log in or Create an account to join the conversation.
- loudhvx
-
Topic Author
- Offline
- KZr Legend
-

Registered
- Posts: 10863
- Thanks: 1622
Re: 1980 750H bare bones for mattylight
27 Nov 2019 10:18 - 27 Nov 2019 10:22
Mattylight Barebones Bare Bones
1980 Kawasaki Kz750E1 for Trytobuildkzcafe
Kz750E Kz750 E1 Kz 750 E 750E1 750E
1980 Kawasaki Kz750E1 for Trytobuildkzcafe
Kz750E Kz750 E1 Kz 750 E 750E1 750E
1981 KZ550 D1 gpz.
Kz550 valve train warning.
Other links.
Kz550 valve train warning.
Other links.
Attachments:
Last edit: 27 Nov 2019 10:22 by loudhvx.
Please Log in or Create an account to join the conversation.
- LeFunzig
-
- Offline
- User
-

Registered
- Posts: 1
- Thanks: 0
Re: 1980 750H bare bones for mattylight
02 Feb 2020 08:04
Even though this is posted a while back, I'd like to ask one question:
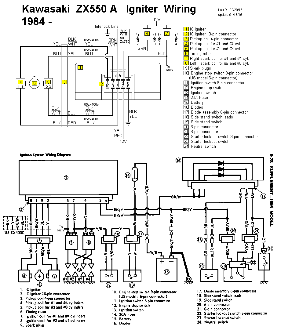
If have been trying to figuring out what the B/W wire from the igniter is for. I guessed it has something to do with a safety feature, as it is connected (with diodes) to the neutral, side stand and lockout switch.
Just wiring this to the ground B/Y is a solution to bypass this?
If have been trying to figuring out what the B/W wire from the igniter is for. I guessed it has something to do with a safety feature, as it is connected (with diodes) to the neutral, side stand and lockout switch.
Just wiring this to the ground B/Y is a solution to bypass this?
Please Log in or Create an account to join the conversation.
- loudhvx
-
Topic Author
- Offline
- KZr Legend
-

Registered
- Posts: 10863
- Thanks: 1622
Re: 1980 750H bare bones for mattylight
02 Feb 2020 08:52 - 02 Feb 2020 08:55LeFunzig wrote: Even though this is posted a while back, I'd like to ask one question:
If have been trying to figuring out what the B/W wire from the igniter is for. I guessed it has something to do with a safety feature, as it is connected (with diodes) to the neutral, side stand and lockout switch.
Just wiring this to the ground B/Y is a solution to bypass this?
Yes, if you are wiring a later ignition like from a Zx550 or Zx750, the black/white (or brown/white) wire on pin 3 is the interlock (safety) wire. Just ground it to run.
This diagram is for the 550:
1981 KZ550 D1 gpz.
Kz550 valve train warning.
Other links.
Kz550 valve train warning.
Other links.
Attachments:
Last edit: 02 Feb 2020 08:55 by loudhvx.
The following user(s) said Thank You: LeFunzig
Please Log in or Create an account to join the conversation.
- loudhvx
-
Topic Author
- Offline
- KZr Legend
-

Registered
- Posts: 10863
- Thanks: 1622
Re: 1980 750H bare bones for mattylight
29 Mar 2020 08:41
Mattylight Barebones Bare Bones
1981 Kawasaki Kz750H2 Ltd. for Galaxian
Kz750H Kz750 H2 Kz 750 H 750H2 750H
1981 Kawasaki Kz750H2 Ltd. for Galaxian
Kz750H Kz750 H2 Kz 750 H 750H2 750H
1981 KZ550 D1 gpz.
Kz550 valve train warning.
Other links.
Kz550 valve train warning.
Other links.
Attachments:
Please Log in or Create an account to join the conversation.
- loudhvx
-
Topic Author
- Offline
- KZr Legend
-

Registered
- Posts: 10863
- Thanks: 1622
Re: 1980 750H bare bones for mattylight
19 Apr 2020 11:54
Mattylight Barebones Bare Bones
1978 Kawasaki Kz200A1 for HouseLudwig
Kz200A Kz200 A1 Kz 200 A 200A1 200A
Batteryless operation requires a switch to turn off the lights in order to start.
1978 Kawasaki Kz200A1 for HouseLudwig
Kz200A Kz200 A1 Kz 200 A 200A1 200A
Batteryless operation requires a switch to turn off the lights in order to start.
1981 KZ550 D1 gpz.
Kz550 valve train warning.
Other links.
Kz550 valve train warning.
Other links.
Attachments:
Please Log in or Create an account to join the conversation.
- Peanuthead
-
- Offline
- User
-

Registered
- Posts: 90
- Thanks: 4
Re: 1980 750H bare bones for mattylight
19 May 2020 11:34
Hey Loudhvx, you are awesome posting these bare bones diagrams! I'm in the last stages of my 440 project. I was wondering if the diagram you made for I_Tig_in_piece will work for me. I'm using a new, universal ignition switch (4 wire), start button, and turn signal switch instead of the OE parts.
Please Log in or Create an account to join the conversation.
- loudhvx
-
Topic Author
- Offline
- KZr Legend
-

Registered
- Posts: 10863
- Thanks: 1622
Re: 1980 750H bare bones for mattylight
20 May 2020 09:14
That diagram is for a 1980 Kz440A1. Is that what you have? If so, then it should work. If yours is a later model, you will need the wiring for the electronic ignition.
1981 KZ550 D1 gpz.
Kz550 valve train warning.
Other links.
Kz550 valve train warning.
Other links.
Please Log in or Create an account to join the conversation.
- Peanuthead
-
- Offline
- User
-

Registered
- Posts: 90
- Thanks: 4
Re: 1980 750H bare bones for mattylight
20 May 2020 10:06
This is where I'm actually having the problem. The engine is an 82 but the diagram I found that matches correctly is for an A2. Is the 82 LTD considered an 82 A2?
Please Log in or Create an account to join the conversation.
- martin_csr
-
- Offline
- User
-

Registered
- Posts: 8016
- Thanks: 1645
Re: 1980 750H bare bones for mattylight
20 May 2020 10:40
Is the motorcycle an 82 or just the engine? Is this a chain drive or Ltd Belt?
Please Log in or Create an account to join the conversation.
Moderators: Street Fighter LTD
