1980 750H bare bones for mattylight
- loudhvx
-
Topic Author
- Offline
- KZr Legend
-

Registered
- Posts: 10863
- Thanks: 1622
Re: 1980 750H bare bones for mattylight
21 Aug 2008 09:39 - 09 Jan 2019 15:07
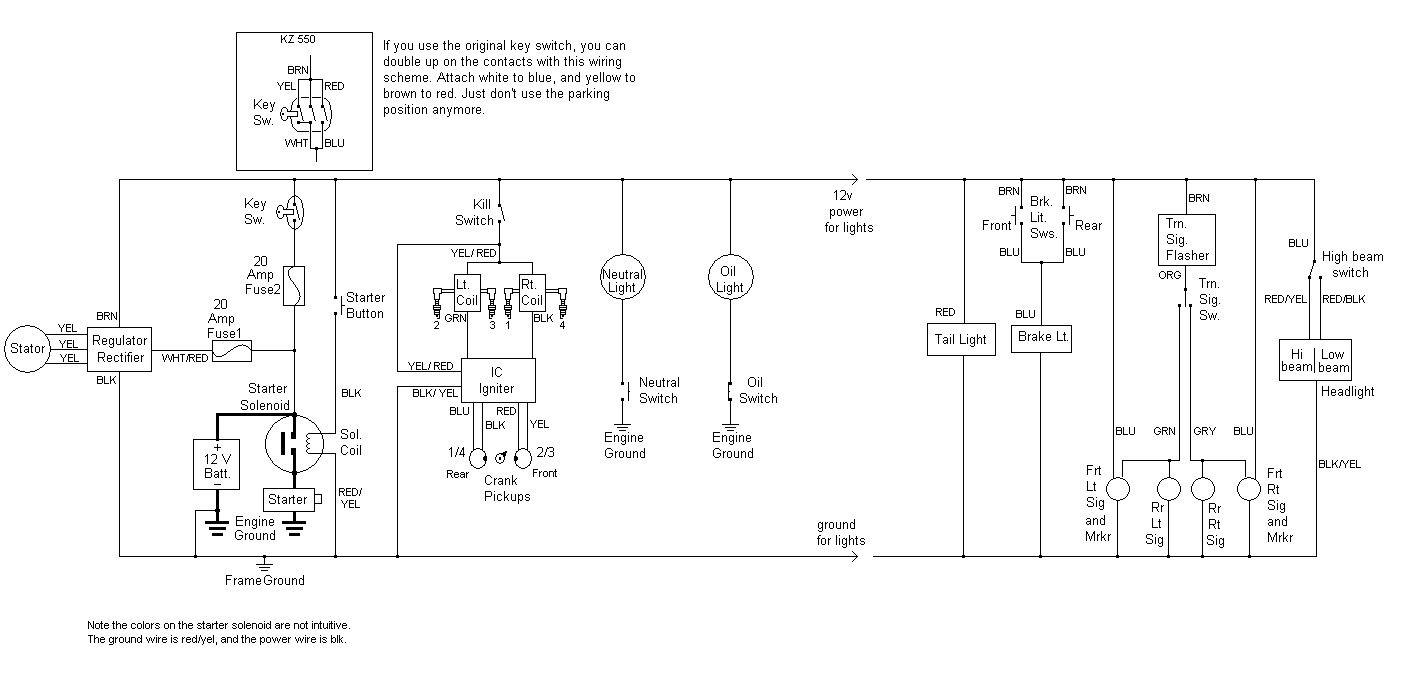
Sorry, I don't really have time to go through all of the gauges etc. If you're keeping all of that, then a stock wiring diagram will be more useful anyway.
I don't know what year your gpz motor is, but here is a generic diagram to show ignition and charging to get it running, and a generic setup for some lights and basic idiot lights. All the rest of the gauge lights etc can be wired into the area to the right.
1977 KZ650 with GPZ750 motor, bare bones for Cherrymetal
.
EDIT 1/9/2019:
Mattylight Barebones Bare Bones Wiring Diagram
1977 Kawasaki Kz650 with Kz750 engine for Cherrymetal
Kz 650 Kz 750
I don't know what year your gpz motor is, but here is a generic diagram to show ignition and charging to get it running, and a generic setup for some lights and basic idiot lights. All the rest of the gauge lights etc can be wired into the area to the right.
1977 KZ650 with GPZ750 motor, bare bones for Cherrymetal
.
EDIT 1/9/2019:
Mattylight Barebones Bare Bones Wiring Diagram
1977 Kawasaki Kz650 with Kz750 engine for Cherrymetal
Kz 650 Kz 750
1981 KZ550 D1 gpz.
Kz550 valve train warning.
Other links.
Kz550 valve train warning.
Other links.
Last edit: 09 Jan 2019 15:07 by loudhvx.
Please Log in or Create an account to join the conversation.
- loudhvx
-
Topic Author
- Offline
- KZr Legend
-

Registered
- Posts: 10863
- Thanks: 1622
Re: 1980 750H bare bones for mattylight
31 Aug 2008 11:31 - 09 Jan 2019 15:11
This is for Dulcimerbob.
You can probably go off this diagram I made for Cherrymetal's GPZ750. Your 84 GPZ550 should be very similar. Also, yes, you can just use individual spade connectors on the reg/rec. I often do. I like it because it's less bulky and I can hide the wiring better that way. But definitely get a good ratcheting crimper, otherwise you will waste your time.
Here's a decent one:
www.harborfreight.com/cpi/ctaf/displayitem.taf?Itemnumber=93977
.
EDIT 1/9/2019:
Mattylight Barebones Bare Bones Wiring Diagram
1984 Kawasaki Zx550A1 gpz with Kz550 ignition for Dulcimerbob
Zx550A Zx550 A1 Zx 550 A 550A1 550 A Kz
You can probably go off this diagram I made for Cherrymetal's GPZ750. Your 84 GPZ550 should be very similar. Also, yes, you can just use individual spade connectors on the reg/rec. I often do. I like it because it's less bulky and I can hide the wiring better that way. But definitely get a good ratcheting crimper, otherwise you will waste your time.
Here's a decent one:
www.harborfreight.com/cpi/ctaf/displayitem.taf?Itemnumber=93977
.
EDIT 1/9/2019:
Mattylight Barebones Bare Bones Wiring Diagram
1984 Kawasaki Zx550A1 gpz with Kz550 ignition for Dulcimerbob
Zx550A Zx550 A1 Zx 550 A 550A1 550 A Kz
1981 KZ550 D1 gpz.
Kz550 valve train warning.
Other links.
Kz550 valve train warning.
Other links.
Last edit: 09 Jan 2019 15:11 by loudhvx.
Please Log in or Create an account to join the conversation.
- loudhvx
-
Topic Author
- Offline
- KZr Legend
-

Registered
- Posts: 10863
- Thanks: 1622
Re: KZ400 for oldkaws4ever
29 Oct 2008 10:33 - 09 Jan 2019 19:46
This is for an S model but should be the same.
1976 KZ400 S2 KZ400S2, bare bones.
for oldkaws4ever
EDIT 1/9/2019:
Mattylight Barebones Bare Bones Wiring Diagram
1976 Kawasaki Kz400S2 for oldkaws4ever
Kz400S Kz400 S2 Kz 400 S 400S2 400S
Can't seem to find this one for some reason.
I suggest using the one for Zeffrides. It is on page 19 of the Mattylight thread.
post number 703075. 14 Dec. 2015.
If I find the original drawing I'll post it here.
(No new image yet)
1976 KZ400 S2 KZ400S2, bare bones.
for oldkaws4ever
EDIT 1/9/2019:
Mattylight Barebones Bare Bones Wiring Diagram
1976 Kawasaki Kz400S2 for oldkaws4ever
Kz400S Kz400 S2 Kz 400 S 400S2 400S
Can't seem to find this one for some reason.
I suggest using the one for Zeffrides. It is on page 19 of the Mattylight thread.
post number 703075. 14 Dec. 2015.
If I find the original drawing I'll post it here.
(No new image yet)
1981 KZ550 D1 gpz.
Kz550 valve train warning.
Other links.
Kz550 valve train warning.
Other links.
Last edit: 09 Jan 2019 19:46 by loudhvx.
Please Log in or Create an account to join the conversation.
- snerff
-
- Offline
- User
-

Registered
- Posts: 58
- Thanks: 0
Re: 1980 750H bare bones for mattylight
16 Feb 2009 00:55
Hi to all. I finally got around to wiring the engine using the diagram from Loudhvox. It started the first time, again, thanks Loudhvox.
Please Log in or Create an account to join the conversation.
- loudhvx
-
Topic Author
- Offline
- KZr Legend
-

Registered
- Posts: 10863
- Thanks: 1622
Re: 1980 750H bare bones for mattylight
17 Feb 2009 08:36
Glad it worked!
1981 KZ550 D1 gpz.
Kz550 valve train warning.
Other links.
Kz550 valve train warning.
Other links.
Please Log in or Create an account to join the conversation.
- snerff
-
- Offline
- User
-

Registered
- Posts: 58
- Thanks: 0
Re: 1980 750H bare bones for mattylight
18 Feb 2009 01:01
I do have another question. When I put the meter across the battery posts with the engine running It was reading almost 17 volts. That seems too much. Could the regulator be bad? Thanks again.
Please Log in or Create an account to join the conversation.
- loudhvx
-
Topic Author
- Offline
- KZr Legend
-

Registered
- Posts: 10863
- Thanks: 1622
Re: 1980 750H bare bones for mattylight
18 Feb 2009 04:42
I responded in the new thread I started.
kzrider.com/index.php?option=com_kunena&...ew&catid=4&id=265852
kzrider.com/index.php?option=com_kunena&...ew&catid=4&id=265852
1981 KZ550 D1 gpz.
Kz550 valve train warning.
Other links.
Kz550 valve train warning.
Other links.
Please Log in or Create an account to join the conversation.
- loudhvx
-
Topic Author
- Offline
- KZr Legend
-

Registered
- Posts: 10863
- Thanks: 1622
Re: 1980 750H bare bones for mattylight
28 Feb 2009 19:28 - 06 Jan 2019 15:04
I am reposting this here from Snerff's troubleshooting thread just to keep the diagrams all in one place.
1977 1978 KZ1000 , bare bones, with aftermarket REG/REC from Z1 Enterprises and a Dyna S
EDIT 1/6/2019
Reposting this same image from earlier.
The preliminary diagrams for Snerff are gone. This is the final, and only one.
1977 1978 KZ1000 , bare bones, with aftermarket REG/REC from Z1 Enterprises and a Dyna S
EDIT 1/6/2019
Reposting this same image from earlier.
The preliminary diagrams for Snerff are gone. This is the final, and only one.
1981 KZ550 D1 gpz.
Kz550 valve train warning.
Other links.
Kz550 valve train warning.
Other links.
Last edit: 06 Jan 2019 15:04 by loudhvx.
Please Log in or Create an account to join the conversation.
- loudhvx
-
Topic Author
- Offline
- KZr Legend
-

Registered
- Posts: 10863
- Thanks: 1622
Re: 1980 750H bare bones for mattylight
28 Feb 2009 19:38 - 28 Feb 2009 19:40
From another thread, (The troubleshooting Snerff's KZ1000 thread)
1BadGreenKZ wrote:
I don't like to trust the frame for any grounding purposes. I tie the ground wires to a convenient point on the frame to ground the frame, but that doesn't mean the frame is a good source of ground. I just run the ground wires to a single bolt using several lugs stacked on each other.
You should be able to use Snerff's diagram and adapt WG relay mod to it. His site will have the details for the relay mod. With new wires, connectors and a new ignition switch, the relay mod shouldn't really be necessary for a couple decades.
What solenoid are you using, and what are the wire colors? Do you have a diagram of the solenoid?
The KZ solenoid's coil wires can be reversed and still work.
1BadGreenKZ wrote:
:S OK where do I begin..I have read and copied the diagragms to re-wire my "77" KZ1000...I have already pulled all the wires..it was a mess...I have the aftermaket R/R and also a new starter soleniod.(both from Z1 Enterprizes and made by Ricks Stators)...I am also using new ATC blade fuses and fuse block..what came on the bike is Accel coils and a Dyna S...I want to be sure that I can eliminate the 4 wire blocks/connectors...I have the 86 relay so I can wire the coils as per Wired Georges instructions...I also have put in a new H4 headlight and using Clear Alternatives Hayabusa smoked tail lens and LED light...where I'm pulling my hair out is wiring in the new soleniod coil wires...they are not matching colors to anything..I see in the bare bones diagragm that the Blk/Yellow from the Sol.coil ties into the Green/Ground..does this need to tie in or can I just Ground it to the frame??..I am not running anything on the bike.."bare bones"..no neutral,oil light..no gauges..just a headlight..no highbeam/lowbeam..highbeam only..brake light/tail light only..it looks like the "bare bones" diagragm will work just fine for me..any ideas or mods please let me know...PS..I'm also putting on some green LED pods but these will be wired to a hidden toggle and switched on only when the bike is parked...Thanks for any and all help...I can't wait to get this old beauty back on the road...crunch time...Bike Week is starting and I live 60 miles south of Daytona..Tracy
I don't like to trust the frame for any grounding purposes. I tie the ground wires to a convenient point on the frame to ground the frame, but that doesn't mean the frame is a good source of ground. I just run the ground wires to a single bolt using several lugs stacked on each other.
You should be able to use Snerff's diagram and adapt WG relay mod to it. His site will have the details for the relay mod. With new wires, connectors and a new ignition switch, the relay mod shouldn't really be necessary for a couple decades.
What solenoid are you using, and what are the wire colors? Do you have a diagram of the solenoid?
The KZ solenoid's coil wires can be reversed and still work.
1981 KZ550 D1 gpz.
Kz550 valve train warning.
Other links.
Kz550 valve train warning.
Other links.
Last edit: 28 Feb 2009 19:40 by loudhvx.
Please Log in or Create an account to join the conversation.
- 1BadGreenKZ
-
- Offline
- User
-

Registered
- Posts: 7
- Thanks: 0
Re: 1980 750H bare bones for mattylight
01 Mar 2009 06:17
First and foremost...thank-you for your time and sharing your passion ...I'm not sure as to the colors ..I don't have the internet at my shop...and the parts are there...to the best of my memory one is Green/Organge...and the other is Yellow/Red... the connectors are already installed...one female ...one male.both plug in...I'll be heading to my shop and will return to confirm and take a few pics as to what I have going on...Q??..can I run the three Yellow wires directly into the three coming from the stator or do they need to be wired into/through anything else..i am getting into some new territory here for myself,although I do have a pretty good understanding of how the componets work..I am also not sure that have a Red wire coming from the Dyna...I'll check that also..the bike died on me boiling out water from the battery...it still takes and holds a charge...I could never get the bike started again to test the system using the Eletrolux fault finding chart...which I'm sure you've seen...if not it's quite good and easy to understand..but the bike needs to be running...all indications pointed to the old/orginal Reg./Rec....I traded a YZ250 dirt bike for the KZ..it sat for over ten years...it took me about 4 hours to get it running...but it ran like crap...the carb holders where rotton...I replaced them...thanks Z1...went through the carbs/tank/valves/etc. and got the bike purring..I rode it over 500 miles a week ,saving me a ton when gas was $4:00 a Gallon..so now to solve the wiring problems....I look forward to your response and working with you getting the 1BadGreenKZ...well...being one Bad KZ again..Tracy..PS..I got a kick outta reading through this thread..and seeing a few get riled up..you're not only extremely knowledgeable but quite a gentleman also...very rare these days...my hats off to 'Ya...
Please Log in or Create an account to join the conversation.
- 1BadGreenKZ
-
- Offline
- User
-

Registered
- Posts: 7
- Thanks: 0
Re: 1980 750H bare bones for mattylight
01 Mar 2009 09:02
**UPDATE**...the solenoid switch is made by Rick's Motorsport Electrics...the wires are Yellow/Red with a male plug...the other is Green/Red with the female plug...I do have a Red wire coming from the Dyna...here's a few pics.....the one with the solenoid show how I'm mounting the new ATC blade fuse block with the relay(WG's set up) in the place where the 4 connectors were...I'll be using all new wires..Duh...but in primary colors..from all the schematics/diagragms you have posted I'm certain I can re-wire the 'Ole Gal...I'm a firm believer in K.I.S.S....Keep It Simple Stupid....and you schematics/diagragms just that..looking forward to your response....Tracy
Please Log in or Create an account to join the conversation.
- 1BadGreenKZ
-
- Offline
- User
-

Registered
- Posts: 7
- Thanks: 0
Re: 1980 750H bare bones for mattylight
01 Mar 2009 09:04
ok the pic wouldn't go through...i'll see if i can reduce it and try it again...
Please Log in or Create an account to join the conversation.
Moderators: Street Fighter LTD
