KZ440 LTD Carburettor Tear-down
- Dr. Frankenstein
-
- Offline
- User
-

Registered
- Posts: 122
- Thanks: 20
Re: KZ440 LTD Carburettor Tear-down
26 Sep 2023 16:33
Jesus, how do you BEND the butterfly valves?? I have never seen that before in 22 years of bike rebuilding...methinks that's some knobjob's idea of "improving performance"...let me guess: it has pods on it instead of the regular airbox...am I right??
The following user(s) said Thank You: Jimbo68
Please Log in or Create an account to join the conversation.
- Jimbo68
-
Topic Author
- Offline
- User
-

Registered
- Posts: 103
- Thanks: 7
Re: KZ440 LTD Carburettor Tear-down
27 Sep 2023 01:52
lol!!
It is an odd one right enough.
No, proper air box in place and I’ve ordered a new filter. It’s probably never been replaced.
It is an odd one right enough.
No, proper air box in place and I’ve ordered a new filter. It’s probably never been replaced.
1981 Kawasaki KZ440-A2
Please Log in or Create an account to join the conversation.
- Jimbo68
-
Topic Author
- Offline
- User
-

Registered
- Posts: 103
- Thanks: 7
Re: KZ440 LTD Carburettor Tear-down
29 Sep 2023 07:31 - 29 Sep 2023 07:45
Does anyone know the internal diameter of the vacuum hose?
I ordered a 5mm fuel hose and it looks too narrow. Should I return it you think?
I ordered a 5mm fuel hose and it looks too narrow. Should I return it you think?
1981 Kawasaki KZ440-A2
Last edit: 29 Sep 2023 07:45 by Jimbo68. Reason: Addition
Please Log in or Create an account to join the conversation.
- TexasKZ
-
- Offline
- Platinum Member
-

Registered
- Posts: 8189
- Thanks: 2675
Re: KZ440 LTD Carburettor Tear-down
29 Sep 2023 09:24 - 29 Sep 2023 09:32
Kawasaki and Partzilla say 5 x 9 x 160.
If you cannot get 5mm locally, 3/16 should do.
I bet vacuum hose would be a lot cheaper.
If you cannot get 5mm locally, 3/16 should do.
I bet vacuum hose would be a lot cheaper.
1982 KZ1000 LTD parts donor
1981 KZ1000 LTD awaiting resurrection
2000 ZRX1100 not ridden enough
www.kzrider.com/11-projects/620336-anoth...uild-thread?start=24
1981 KZ1000 LTD awaiting resurrection
2000 ZRX1100 not ridden enough
www.kzrider.com/11-projects/620336-anoth...uild-thread?start=24
Last edit: 29 Sep 2023 09:32 by TexasKZ.
The following user(s) said Thank You: Jimbo68
Please Log in or Create an account to join the conversation.
- Jimbo68
-
Topic Author
- Offline
- User
-

Registered
- Posts: 103
- Thanks: 7
Re: KZ440 LTD Carburettor Tear-down
29 Sep 2023 10:11
Thanks TexasKZ. I ordered the right size.
1981 Kawasaki KZ440-A2
Please Log in or Create an account to join the conversation.
- Jimbo68
-
Topic Author
- Offline
- User
-

Registered
- Posts: 103
- Thanks: 7
Re: KZ440 LTD Carburettor Tear-down
01 Oct 2023 05:32
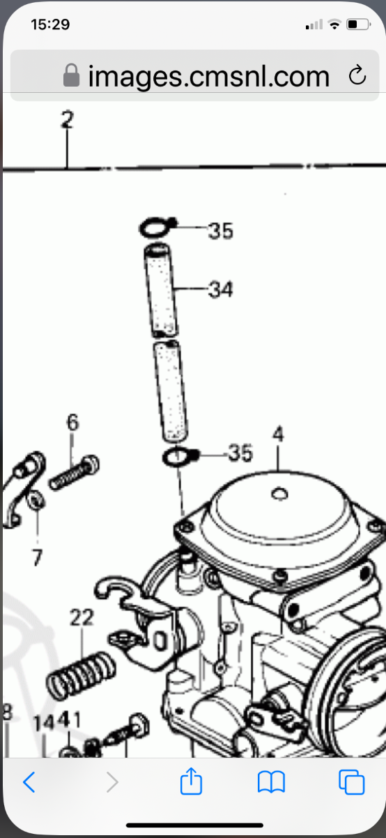
I’ve dismantled most of the LHS carb.
I can’t remove the bleed pipe (46) and the needle jet (61).
Any advice please?
thanks
I can’t remove the bleed pipe (46) and the needle jet (61).
Any advice please?
thanks
1981 Kawasaki KZ440-A2
Please Log in or Create an account to join the conversation.
- Nessism
-
- Offline
- Sustaining Member
-

Registered
- Posts: 8082
- Thanks: 3469
Re: KZ440 LTD Carburettor Tear-down
01 Oct 2023 06:12 - 01 Oct 2023 06:13
To remove the bleed pipe, use a wood dowel, or similar, entering the carb from the top, where the slide was, put the dowel over the nub of bleed pipe sticking up, then drive the bleed pipe down using a hammer on your dowel. The orifices through these bleed pipes are tiny, like a pilot jet, so hold them up to a light after cleaning to make sure you can see light come through.
The Needle Jet doesn't need to be removed. If you want to do so, though, use a similar method. Just be careful to select a dowel that fits inside the raised cup-shaped lips on the jet, otherwise you may damage the part during removal.
The Needle Jet doesn't need to be removed. If you want to do so, though, use a similar method. Just be careful to select a dowel that fits inside the raised cup-shaped lips on the jet, otherwise you may damage the part during removal.
Ed
Carb O-ring Kits : www.kzrider.com/forum/14-vendor-forum/62...rburetor-o-ring-kits
www.kzrider.com/forum/faq-wiki/618026-new-owner-things-to-know
1981 KZ750E2
www.kzrider.com/forum/11-projects/604901...z750e-project-thread
Carb O-ring Kits : www.kzrider.com/forum/14-vendor-forum/62...rburetor-o-ring-kits
www.kzrider.com/forum/faq-wiki/618026-new-owner-things-to-know
1981 KZ750E2
www.kzrider.com/forum/11-projects/604901...z750e-project-thread
Last edit: 01 Oct 2023 06:13 by Nessism.
The following user(s) said Thank You: Jimbo68
Please Log in or Create an account to join the conversation.
- Nessism
-
- Offline
- Sustaining Member
-

Registered
- Posts: 8082
- Thanks: 3469
Re: KZ440 LTD Carburettor Tear-down
01 Oct 2023 08:57
Oh, something else to do...
Use a cut-off Q-tip, in a drill motor, dipped in brass polish, and clean the float valve seat. Don't forget to remove any excess brass polish when you finish, since the process will force some in the fuel flow passage.
The float needles have a rubber tip, so inspect them closely. If the tip is deformed, you need new float needles. Also, make sure the tiny needle spring is free. Preemptively changing the needles for new is a reasonable option. Just watch the quality, if you buy aftermarket. Keyster makes good needles, and of course Keihin. Some of the cheap china brands...not so much.
Use a cut-off Q-tip, in a drill motor, dipped in brass polish, and clean the float valve seat. Don't forget to remove any excess brass polish when you finish, since the process will force some in the fuel flow passage.
The float needles have a rubber tip, so inspect them closely. If the tip is deformed, you need new float needles. Also, make sure the tiny needle spring is free. Preemptively changing the needles for new is a reasonable option. Just watch the quality, if you buy aftermarket. Keyster makes good needles, and of course Keihin. Some of the cheap china brands...not so much.
Ed
Carb O-ring Kits : www.kzrider.com/forum/14-vendor-forum/62...rburetor-o-ring-kits
www.kzrider.com/forum/faq-wiki/618026-new-owner-things-to-know
1981 KZ750E2
www.kzrider.com/forum/11-projects/604901...z750e-project-thread
Carb O-ring Kits : www.kzrider.com/forum/14-vendor-forum/62...rburetor-o-ring-kits
www.kzrider.com/forum/faq-wiki/618026-new-owner-things-to-know
1981 KZ750E2
www.kzrider.com/forum/11-projects/604901...z750e-project-thread
The following user(s) said Thank You: Jimbo68
Please Log in or Create an account to join the conversation.
- Jimbo68
-
Topic Author
- Offline
- User
-

Registered
- Posts: 103
- Thanks: 7
Please Log in or Create an account to join the conversation.
- Jimbo68
-
Topic Author
- Offline
- User
-

Registered
- Posts: 103
- Thanks: 7
Re: KZ440 LTD Carburettor Tear-down
01 Oct 2023 12:47
Good tip about the polish, thanks.
Float valves were replaced a few months ago. Hopefully still good, but I will check them.
Float valves were replaced a few months ago. Hopefully still good, but I will check them.
1981 Kawasaki KZ440-A2
Please Log in or Create an account to join the conversation.
- Jimbo68
-
Topic Author
- Offline
- User
-

Registered
- Posts: 103
- Thanks: 7
Re: KZ440 LTD Carburettor Tear-down
01 Oct 2023 12:50
Thank you. I used the end of a pencil, with a strip of masking tape on the contact end to avoid lead or wood splinters getting into the needle.
1981 Kawasaki KZ440-A2
Please Log in or Create an account to join the conversation.
- Dr. Frankenstein
-
- Offline
- User
-

Registered
- Posts: 122
- Thanks: 20
Re: KZ440 LTD Carburettor Tear-down
01 Oct 2023 18:19
Re: the dowel pipe - Chopsticks -like, Chinese food bamboo chopsticks - cheap, and work well too. Tapered on one end and gradually expand, perfect for those little venturis. FWIW, I've had great success with Damineding.com carb parts. Just my two cents...
The following user(s) said Thank You: Jimbo68
Please Log in or Create an account to join the conversation.
Moderators: Street Fighter LTD
