Compression check.
- lemo32
-
- Offline
- User
-

Registered
- The Price of Cool aint cheap
- Posts: 316
- Thanks: 2
Re: Compression check.
07 Aug 2012 22:15
I would check valve clearances before doing anything else, record the numbers and write it down, get it straight, then if you have to pull the head to fix that bolt, you will be that much ahead.
1979 kz 1000 06 katana 750
Please Log in or Create an account to join the conversation.
- Motor Head
-
- Offline
- User
-

Registered
- FIX UP YOUR BIKE RIGHT AND CHEAP
- Posts: 5137
- Thanks: 393
Re: Compression check.
07 Aug 2012 22:17
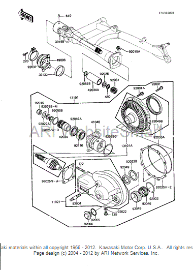
The Drive shaft will un-couple from the Motor by removing the clip (39130) and pin (610).
Seems like the compression is Ok from what you posted. i would look for, vacuum leaks, fuel Levels in the bowls, Still dirty low speed carb circuits, and of course once running a Dynamic Carb Sync.
Seems like the compression is Ok from what you posted. i would look for, vacuum leaks, fuel Levels in the bowls, Still dirty low speed carb circuits, and of course once running a Dynamic Carb Sync.
1982 KZ1000LTD K2 Vance & Hines 4-1 ACCEL COILS Added Vetter fairing & Bags. FOX Racing rear Shocks, Braced Swing-arm, Fork Brace, Progressive Fork Springs RT Gold Emulators, APE Valve Springs, 1166 Big Bore kit, RS34's, GPZ cams.
1980 KZ550LTD C1 Stock SOLD Miss it
1979 MAZDA RX7 in the works, 13B...
1980 KZ550LTD C1 Stock SOLD Miss it
1979 MAZDA RX7 in the works, 13B...
Please Log in or Create an account to join the conversation.
- Patton
-
- Offline
- KZr Legend
-

Registered
- Posts: 18567
- Thanks: 2103
Re: Compression check.
07 Aug 2012 22:33
If Lady Luck smiles, a reverse cut drill bit might be used to drill into the stud, which sometimes backs the stud out.
If all else fails, may take the engine to a machine shop that has a plasma cutter or an EDM (Electrical Discharge Machining) machine and get them to remove the embedded stud. They'll burn it out quickly and very precisely. And likely at a reasonable price.
Good Fortune!
If all else fails, may take the engine to a machine shop that has a plasma cutter or an EDM (Electrical Discharge Machining) machine and get them to remove the embedded stud. They'll burn it out quickly and very precisely. And likely at a reasonable price.
Good Fortune!
1973 Z1
KZ900 LTD
KZ900 LTD
Please Log in or Create an account to join the conversation.
- Del_Herring
-
Topic Author
- Offline
- User
-

Registered
- Posts: 278
- Thanks: 29
Re: Compression check.
08 Aug 2012 10:28
Lemo, if I have to end up taking any of the engine apart, I will definitely check the valves while I'm in there, I'm still hoping I won't have to open it so I can avoid having to buy the associate new gaskets. If compression comes out ok when the thing's warmed up, I'll be leaving it sealed, I hate to open it since it's all nice and not leaking right now.
Thanks for the explanation Motorhead, exactly what I needed. That should let me get the engine out so I can attempt the reverse drill bit method. I have some extractors as well, but I've never actually had them work where a reverse bit didn't. None of the other studs were in too tight, so I'm hoping it comes out easy. Otherwise, it's off with the head, and take it to a machine shop.
And it does actually run, I'm just trying to get that exhaust fixed because right now that cylinder's just running open, and the old lady who lives in the apartment below me isn't a fan, so I don't tend to idle in the parking lot for very long. Carb circuits are definitely suspect, all though not completely blocked, or it wouldn't idle as well as it does. Looks like I have what I need to make progress though, thanks guys.
Thanks for the explanation Motorhead, exactly what I needed. That should let me get the engine out so I can attempt the reverse drill bit method. I have some extractors as well, but I've never actually had them work where a reverse bit didn't. None of the other studs were in too tight, so I'm hoping it comes out easy. Otherwise, it's off with the head, and take it to a machine shop.
And it does actually run, I'm just trying to get that exhaust fixed because right now that cylinder's just running open, and the old lady who lives in the apartment below me isn't a fan, so I don't tend to idle in the parking lot for very long. Carb circuits are definitely suspect, all though not completely blocked, or it wouldn't idle as well as it does. Looks like I have what I need to make progress though, thanks guys.
1983 KZ750-N2 Spectre
Please Log in or Create an account to join the conversation.
- Motor Head
-
- Offline
- User
-

Registered
- FIX UP YOUR BIKE RIGHT AND CHEAP
- Posts: 5137
- Thanks: 393
Re: Compression check.
08 Aug 2012 10:39
Any way to get enough room for an angle drill, with a left bit shortened? Maybe take out most of the engine mount bolts and roll the motor up in the frame, or all of them and twist it to one side?
www.harborfreight.com/catalogsearch/result?q=angle+drill
www.harborfreight.com/catalogsearch/result?q=angle+drill
1982 KZ1000LTD K2 Vance & Hines 4-1 ACCEL COILS Added Vetter fairing & Bags. FOX Racing rear Shocks, Braced Swing-arm, Fork Brace, Progressive Fork Springs RT Gold Emulators, APE Valve Springs, 1166 Big Bore kit, RS34's, GPZ cams.
1980 KZ550LTD C1 Stock SOLD Miss it
1979 MAZDA RX7 in the works, 13B...
1980 KZ550LTD C1 Stock SOLD Miss it
1979 MAZDA RX7 in the works, 13B...
Please Log in or Create an account to join the conversation.
- Del_Herring
-
Topic Author
- Offline
- User
-

Registered
- Posts: 278
- Thanks: 29
Re: Compression check.
08 Aug 2012 10:52
There's only a couple inches between the hole and the frame, but it's also right at the edge, if I can rock the engine over about and inch or two, I'd probably be set. Might could lay the bike on some tires (I'll have to find some) and disconnect the engine, and lift the bike just a little. I'd have to look at what that'll do to the shaft, don't want to break everything trying to fix the one problem, though I'd guess the U-joint should be able to handle it. I'll take a look when i get home today. I'm taking my time on it, been doing some general cleaning of parts along the way, and I'm working in an apartment complex, so I gotta make it look like I havne't been working on it at the end of every day or them landlords will come yell at me.
1983 KZ750-N2 Spectre
Please Log in or Create an account to join the conversation.
- Del_Herring
-
Topic Author
- Offline
- User
-

Registered
- Posts: 278
- Thanks: 29
Re: Compression check.
08 Aug 2012 22:12
it looks like I have to pull off the Bevel gearbox to get to that pin and "leaf spring" as labelled in the kawasaki diagram. Do you happen to know if that spring is internal to the little stub of a driveshaft up front? Couldn't see anything that looked like it just pulling the rubber boot back. Everything is insanely cramped in there. Hopefully that manual shows up soon, should have got in yesterday at the latest. Can't trust that New Zealand Post I suppose.
1983 KZ750-N2 Spectre
Please Log in or Create an account to join the conversation.
- Motor Head
-
- Offline
- User
-

Registered
- FIX UP YOUR BIKE RIGHT AND CHEAP
- Posts: 5137
- Thanks: 393
Re: Compression check.
08 Aug 2012 23:05
Did you loosen the clamp on the boot with a Phillips/ JIS screwdriver, and slide it out of the way?
I know there is not much room, but you can get first a hook pick tool to get the Band Clip out, then turn the rear wheel and look for the pin. it may fall out also once the clip is off so beware of that. A decent magnet should get it out of the little hole it resides in. the splines are a grease point for service interval anyway. You'll get used to it owning a "Shaftty".
I know there is not much room, but you can get first a hook pick tool to get the Band Clip out, then turn the rear wheel and look for the pin. it may fall out also once the clip is off so beware of that. A decent magnet should get it out of the little hole it resides in. the splines are a grease point for service interval anyway. You'll get used to it owning a "Shaftty".
1982 KZ1000LTD K2 Vance & Hines 4-1 ACCEL COILS Added Vetter fairing & Bags. FOX Racing rear Shocks, Braced Swing-arm, Fork Brace, Progressive Fork Springs RT Gold Emulators, APE Valve Springs, 1166 Big Bore kit, RS34's, GPZ cams.
1980 KZ550LTD C1 Stock SOLD Miss it
1979 MAZDA RX7 in the works, 13B...
1980 KZ550LTD C1 Stock SOLD Miss it
1979 MAZDA RX7 in the works, 13B...
Please Log in or Create an account to join the conversation.
- Del_Herring
-
Topic Author
- Offline
- User
-

Registered
- Posts: 278
- Thanks: 29
Re: Compression check.
08 Aug 2012 23:32
I did. I'll try a hook pick tomorrow, but I didn't see anything there today to hook. I'll fish around a bit and see can I feel it out. If the pin falls, won't it just come out anyways? I'm hoping it does fall, because I don't quite see how else I'd get it out of there, which is what was making me thing I might be missing something. Didn't really see a way to get to anything the way I was going. I'll prod around some more tomorrow and see what I can find. Really eager to get everything sorted and hit the road again. Thanks for all the help Motorhead, it's a little harder to get the information on the shaft models, and I haven't dealt with a shafty before either, so I feel like I'm in the dark a lot.
1983 KZ750-N2 Spectre
Please Log in or Create an account to join the conversation.
- Motor Head
-
- Offline
- User
-

Registered
- FIX UP YOUR BIKE RIGHT AND CHEAP
- Posts: 5137
- Thanks: 393
Re: Compression check.
08 Aug 2012 23:38
The shaft drive is nice for a few reasons. #1 no chain to lube/ adjust. Also no Mess on your wheel. Service is pretty straight forward, once you learn how it all goes. I run Synthetic oil in the final drive, as it lubes better. For a long trip the shaft drive is better, but for trying to re-gear, or if you want to change to a different swinger etc. Then the chain/ sprockets are much better/ cheaper to play with.
1982 KZ1000LTD K2 Vance & Hines 4-1 ACCEL COILS Added Vetter fairing & Bags. FOX Racing rear Shocks, Braced Swing-arm, Fork Brace, Progressive Fork Springs RT Gold Emulators, APE Valve Springs, 1166 Big Bore kit, RS34's, GPZ cams.
1980 KZ550LTD C1 Stock SOLD Miss it
1979 MAZDA RX7 in the works, 13B...
1980 KZ550LTD C1 Stock SOLD Miss it
1979 MAZDA RX7 in the works, 13B...
Please Log in or Create an account to join the conversation.
- Del_Herring
-
Topic Author
- Offline
- User
-

Registered
- Posts: 278
- Thanks: 29
Re: Compression check.
08 Aug 2012 23:44
Yea, seems like if you have to remove the shaft it makes it harder, but is otherwise pretty nice. I also find it feels confident under acceleration since the climbing tendency of the back kind of counters the natural tendency of the suspension to sink the back. I doubt I'll be trying to switch swingarms on this anyways. As far as I can tell, everything's stock on it except the plugs and plug wires I put on and some of the exhaust studs. So I'm kind of inclined to just keep it that way. I like sportier bikes, but I'd feel bad tearing apart an older bike that was kept in such decent condition.
Really just needs some basic maintenance, and a paint refresh. Looks like a PO dropped it on the right at one point, but not too hard, one of the covers is scuffed up, and there's a small dent in the tank there. Other than that, paint's mostly ok. Little fading around the filler, and it looks like some clearcoat peeling on the right side cover. But some new brake pads, and new suspension oils, and fix this exhaust, and I suspect she'll be in great running order. Maybe some valve adjustments, but whatever condition it's in, I was able to ride it home from the house of the guy I bought it from.
Really just needs some basic maintenance, and a paint refresh. Looks like a PO dropped it on the right at one point, but not too hard, one of the covers is scuffed up, and there's a small dent in the tank there. Other than that, paint's mostly ok. Little fading around the filler, and it looks like some clearcoat peeling on the right side cover. But some new brake pads, and new suspension oils, and fix this exhaust, and I suspect she'll be in great running order. Maybe some valve adjustments, but whatever condition it's in, I was able to ride it home from the house of the guy I bought it from.
1983 KZ750-N2 Spectre
Please Log in or Create an account to join the conversation.
- Motor Head
-
- Offline
- User
-

Registered
- FIX UP YOUR BIKE RIGHT AND CHEAP
- Posts: 5137
- Thanks: 393
Re: Compression check.
08 Aug 2012 23:49
Oh I forgot, Once the you get the boot back, the clip/ ring off, then the pin has to push down as the shaft disconnects backwards, this is where the pin can fall into the boot or swing arm pivot area. once the drive shaft comes loose. Something has to move to get the room to do a complete disconnect, I believe, like either the Bevel Gear, Engine Mounts, or the Swing Arm.
Once you lube those splines again, it probably won't need it again, unless you get into water, or do a lot of pressure washing.
Once you lube those splines again, it probably won't need it again, unless you get into water, or do a lot of pressure washing.
1982 KZ1000LTD K2 Vance & Hines 4-1 ACCEL COILS Added Vetter fairing & Bags. FOX Racing rear Shocks, Braced Swing-arm, Fork Brace, Progressive Fork Springs RT Gold Emulators, APE Valve Springs, 1166 Big Bore kit, RS34's, GPZ cams.
1980 KZ550LTD C1 Stock SOLD Miss it
1979 MAZDA RX7 in the works, 13B...
1980 KZ550LTD C1 Stock SOLD Miss it
1979 MAZDA RX7 in the works, 13B...
Please Log in or Create an account to join the conversation.
Moderators: Street Fighter LTD
