Rear break
- mbholland
-
Topic Author
- Offline
- User
-

Registered
- Posts: 8
- Thanks: 0
Rear break
09 May 2018 07:12My name is Mike and I am from the Netherlands, zo sometimes my English is not so good, sorry.
Now my problem is my rearbreak from my kz1000 a2 1978.
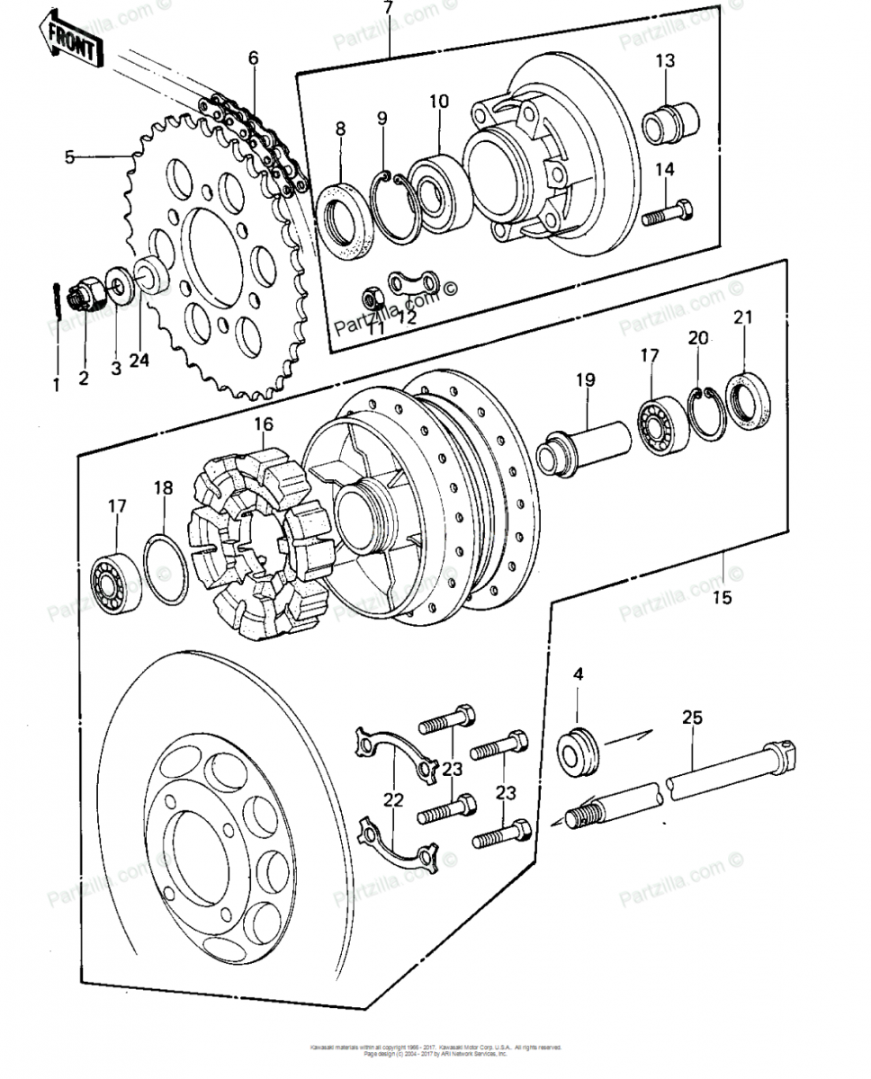
I have dismantled my break and put new pistons in it, and new dust rubbers and so on. Now when I put everything back together and when I tighten the rear axel, the break comes way to narrow the disc, on the right side. See attached picture. I have checked if everything is replaced in right order. The spacers are correct mounted ( you can put them only in one way according to my opinion). Chain adjusters are equally.
Anyone any tips???
Please Log in or Create an account to join the conversation.
- Scirocco
-
- Offline
- Premium Member
-

Registered
- Never change a running system
- Posts: 4397
- Thanks: 2260
Re: Rear break
09 May 2018 12:48 - 09 May 2018 12:50
Hello and welcome to the KZR asylum.
Could it be you have interchanged the collars #4 and #23.
They could have different thickness and/or outer diameter for the grease seals.
If so the wheel position could displaced more to the right side.
Michael
Could it be you have interchanged the collars #4 and #23.
They could have different thickness and/or outer diameter for the grease seals.
If so the wheel position could displaced more to the right side.
Michael
My 1975 Z 1 B 900 Project
www.kzrider.com/forum/11-projects/605133...ears-deep-sleep-mode
www.kzrider.com/forum/11-projects/605133...ears-deep-sleep-mode
Last edit: 09 May 2018 12:50 by Scirocco.
Please Log in or Create an account to join the conversation.
- mbholland
-
Topic Author
- Offline
- User
-

Registered
- Posts: 8
- Thanks: 0
Re: Rear break
09 May 2018 13:11
Thanks for your reply. I had the same idea. My situation is like attached picture. Notice #4 and #24. They only fits in this position. So there is no way to do this in the wrong way. ...
Please Log in or Create an account to join the conversation.
- Scirocco
-
- Offline
- Premium Member
-

Registered
- Never change a running system
- Posts: 4397
- Thanks: 2260
Re: Rear break
09 May 2018 13:24 - 09 May 2018 13:30
The collars in your pic are looking different as in my pic!!!
They switch from left to right or vice versa!!!
Left side
Right side
Who would be right, my Kawasaki service manual or yours?????
They switch from left to right or vice versa!!!
Left side
Right side
Who would be right, my Kawasaki service manual or yours?????
My 1975 Z 1 B 900 Project
www.kzrider.com/forum/11-projects/605133...ears-deep-sleep-mode
www.kzrider.com/forum/11-projects/605133...ears-deep-sleep-mode
Last edit: 09 May 2018 13:30 by Scirocco.
Please Log in or Create an account to join the conversation.
- mbholland
-
Topic Author
- Offline
- User
-

Registered
- Posts: 8
- Thanks: 0
Re: Rear break
09 May 2018 13:32
Your absolutely right. In my service manual they are also switched. When I checked my bike I thought it was strange. So I googled it, and I found this picture. And again they only fits in this way.
Please Log in or Create an account to join the conversation.
- Scirocco
-
- Offline
- Premium Member
-

Registered
- Never change a running system
- Posts: 4397
- Thanks: 2260
Re: Rear break
09 May 2018 13:46
Hmm.., that´s really strange.
but independent of who is right, i would check the thickness of both collars.
My #4 collar pic have two different OD.
Have to check my pics of my project bike to verify.
but independent of who is right, i would check the thickness of both collars.
My #4 collar pic have two different OD.
Have to check my pics of my project bike to verify.
My 1975 Z 1 B 900 Project
www.kzrider.com/forum/11-projects/605133...ears-deep-sleep-mode
www.kzrider.com/forum/11-projects/605133...ears-deep-sleep-mode
Please Log in or Create an account to join the conversation.
- MDZ1rider
-
- Offline
- User
-

Registered
- Posts: 381
- Thanks: 118
Re: Rear break
10 May 2018 13:12
What about #21 and #24 on your diagram? Could they be switched? Just a guess.
Please Log in or Create an account to join the conversation.
- Scirocco
-
- Offline
- Premium Member
-

Registered
- Never change a running system
- Posts: 4397
- Thanks: 2260
Re: Rear break
10 May 2018 13:52 - 10 May 2018 13:53
#21 is a grease seal in his diagram,(#22 in my diagram).
All collars and inner bearing races,(#4, 12, 14, 16, 19, 23) forming
a unit as a sleeve with a specific length for the swing arm opening.
Only If the outer collars #4 and #23 are interchanged the wheel and the break
disk position in the swing arm can be change, so my logic.
Michael
All collars and inner bearing races,(#4, 12, 14, 16, 19, 23) forming
a unit as a sleeve with a specific length for the swing arm opening.
Only If the outer collars #4 and #23 are interchanged the wheel and the break
disk position in the swing arm can be change, so my logic.
Michael
My 1975 Z 1 B 900 Project
www.kzrider.com/forum/11-projects/605133...ears-deep-sleep-mode
www.kzrider.com/forum/11-projects/605133...ears-deep-sleep-mode
Last edit: 10 May 2018 13:53 by Scirocco.
Please Log in or Create an account to join the conversation.
- mbholland
-
Topic Author
- Offline
- User
-

Registered
- Posts: 8
- Thanks: 0
Re: Rear break
10 May 2018 14:23
Okay guys, double checked everything several times. College checked his z650, other guy checked his z1000.
At the end I put a circlip between the brake house and the collar, and the distance as now okay. Strange but true...
At the end I put a circlip between the brake house and the collar, and the distance as now okay. Strange but true...
Please Log in or Create an account to join the conversation.
- Scirocco
-
- Offline
- Premium Member
-

Registered
- Never change a running system
- Posts: 4397
- Thanks: 2260
Re: Rear break
10 May 2018 15:06 - 10 May 2018 15:08
....and which parts diagram is right now???
You mean you add a circlip that works like a washer to get the rear caliper
centered the break disk position ??? it is not a common practice!!!
I want to see pics, please.
You mean you add a circlip that works like a washer to get the rear caliper
centered the break disk position ??? it is not a common practice!!!
I want to see pics, please.
My 1975 Z 1 B 900 Project
www.kzrider.com/forum/11-projects/605133...ears-deep-sleep-mode
www.kzrider.com/forum/11-projects/605133...ears-deep-sleep-mode
Last edit: 10 May 2018 15:08 by Scirocco.
Please Log in or Create an account to join the conversation.
Moderators: Street Fighter LTD
