LTD 1000 Rear Master Cyclinder
- Mikaw
-
Topic Author
- Offline
- Sustaining Member
-

Registered
- Posts: 4825
- Thanks: 1852
LTD 1000 Rear Master Cyclinder
17 Aug 2015 19:48
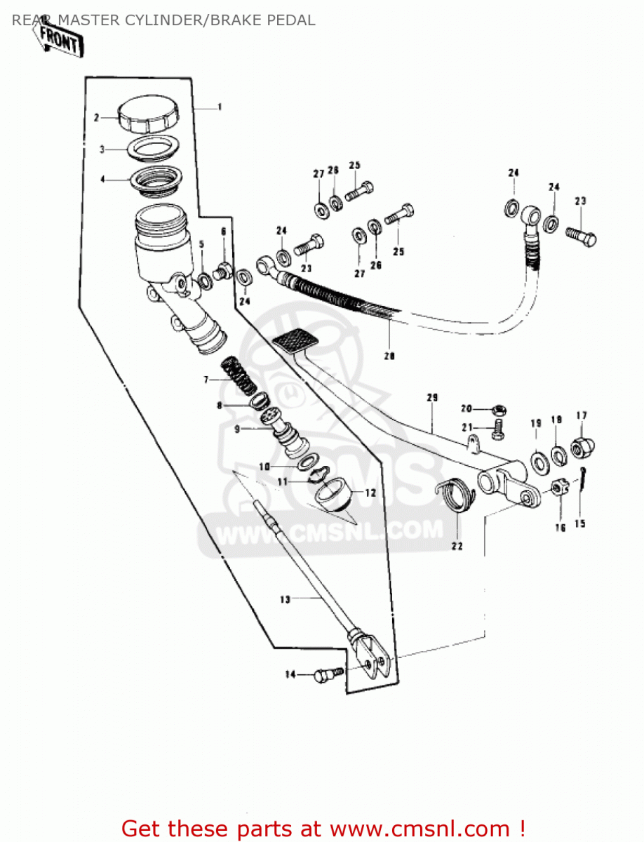
Well it appears in past the "welcome" stage and time to get to work. The LTD's rear MC dried up and the piston is stuck in the bore. I have removed it and propped up in the vice and soaking it with break free and BP blaster. Any body have a sure thing fix. Anybody know where I can get a replacement without have to mortgage the house to buy.
Attachment DSCF4077.jpg not found
1976 KZ 900 A4
kzrider.com/forum/11-projects/613548-1976-kz-900-a4
1976 KZ 900 B1 LTD
1978 KZ 1000 B2 LTD
1980 KZ 750 E1
Kowledge Speaks, But Wisdom Listens.
Jimi Hendrix.
1976 KZ 900 B1 LTD
1978 KZ 1000 B2 LTD
1980 KZ 750 E1
Kowledge Speaks, But Wisdom Listens.
Jimi Hendrix.
Please Log in or Create an account to join the conversation.
- davido
-
- Offline
- User
-

Registered
- Posts: 1578
- Thanks: 291
Re: LTD 1000 Rear Master Cyclinder
18 Aug 2015 00:21 - 18 Aug 2015 09:43
If the inside isnt pitted too badly ,you might get away with reusing it with just an overhaul kit.
www.kzrider.com/forum/11-projects/594313-csr1000-project-build
CB550 (1978)
CB500/4 (1972)*
KZ1000CSR (1981)
XT 600E (1999)
TDM900 (2003)
CB550 (1978)
CB500/4 (1972)*
KZ1000CSR (1981)
XT 600E (1999)
TDM900 (2003)
Last edit: 18 Aug 2015 09:43 by davido.
Please Log in or Create an account to join the conversation.
- Mikaw
-
Topic Author
- Offline
- Sustaining Member
-

Registered
- Posts: 4825
- Thanks: 1852
Re: LTD 1000 Rear Master Cyclinder
18 Aug 2015 06:01
Any better ways to get the piston out than just soaking it?
1976 KZ 900 A4
kzrider.com/forum/11-projects/613548-1976-kz-900-a4
1976 KZ 900 B1 LTD
1978 KZ 1000 B2 LTD
1980 KZ 750 E1
Kowledge Speaks, But Wisdom Listens.
Jimi Hendrix.
1976 KZ 900 B1 LTD
1978 KZ 1000 B2 LTD
1980 KZ 750 E1
Kowledge Speaks, But Wisdom Listens.
Jimi Hendrix.
Please Log in or Create an account to join the conversation.
- davido
-
- Offline
- User
-

Registered
- Posts: 1578
- Thanks: 291
Re: LTD 1000 Rear Master Cyclinder
18 Aug 2015 09:48 - 18 Aug 2015 09:51
If you want to get it apart 'undamaged', patience,young jedi!
Or you could try pouring boiling water over it. May expand it enough to loosen things up.
By the way,have you removed the retaining clip?
Or you could try pouring boiling water over it. May expand it enough to loosen things up.
By the way,have you removed the retaining clip?
www.kzrider.com/forum/11-projects/594313-csr1000-project-build
CB550 (1978)
CB500/4 (1972)*
KZ1000CSR (1981)
XT 600E (1999)
TDM900 (2003)
CB550 (1978)
CB500/4 (1972)*
KZ1000CSR (1981)
XT 600E (1999)
TDM900 (2003)
Last edit: 18 Aug 2015 09:51 by davido.
Please Log in or Create an account to join the conversation.
- Nessism
-
- Offline
- Sustaining Member
-

Registered
- Posts: 8070
- Thanks: 3454
Re: LTD 1000 Rear Master Cyclinder
18 Aug 2015 10:15
Chances are high that the aluminum master bore is pitted and corroded. Clean out the cylinder really well and inspect with a flashlight and magnifying eye loupe or similar and look for damage before spending money on a rebuild kit.
Ed
Carb O-ring Kits : www.kzrider.com/forum/14-vendor-forum/62...rburetor-o-ring-kits
www.kzrider.com/forum/faq-wiki/618026-new-owner-things-to-know
1981 KZ750E2
www.kzrider.com/forum/11-projects/604901...z750e-project-thread
Carb O-ring Kits : www.kzrider.com/forum/14-vendor-forum/62...rburetor-o-ring-kits
www.kzrider.com/forum/faq-wiki/618026-new-owner-things-to-know
1981 KZ750E2
www.kzrider.com/forum/11-projects/604901...z750e-project-thread
Please Log in or Create an account to join the conversation.
- Mikaw
-
Topic Author
- Offline
- Sustaining Member
-

Registered
- Posts: 4825
- Thanks: 1852
Re: LTD 1000 Rear Master Cyclinder
18 Aug 2015 11:24davido wrote: If you want to get it apart 'undamaged', patience,young jedi!
Or you could try pouring boiling water over it. May expand it enough to loosen things up.
By the way,have you removed the retaining clip?
Yes the clip and washer have been removed
Nessism wrote: Chances are high that the aluminum master bore is pitted and corroded. Clean out the cylinder really well and inspect with a flashlight and magnifying eye loupe or similar and look for damage before spending money on a rebuild kit.
The big Question!!!! What do I do if its to badly pitted. Where would I find a replacement? can it be honed out with a wheel cylinder hone?
1976 KZ 900 A4
kzrider.com/forum/11-projects/613548-1976-kz-900-a4
1976 KZ 900 B1 LTD
1978 KZ 1000 B2 LTD
1980 KZ 750 E1
Kowledge Speaks, But Wisdom Listens.
Jimi Hendrix.
1976 KZ 900 B1 LTD
1978 KZ 1000 B2 LTD
1980 KZ 750 E1
Kowledge Speaks, But Wisdom Listens.
Jimi Hendrix.
Please Log in or Create an account to join the conversation.
- davido
-
- Offline
- User
-

Registered
- Posts: 1578
- Thanks: 291
Re: LTD 1000 Rear Master Cyclinder
18 Aug 2015 11:34Rendering Error in layout Message/Item: Kunena\Forum\Libraries\BBCode\KunenaBBCodeLibrary::renderEbayLayout(): Argument #1 ($ItemID) must be of type int, string given, called in /home/kzride5/public_html/libraries/kunena/src/BBCode/KunenaBBCode.php on line 314. Please enable debug mode for more information.
Please Log in or Create an account to join the conversation.
- Mikaw
-
Topic Author
- Offline
- Sustaining Member
-

Registered
- Posts: 4825
- Thanks: 1852
Re: LTD 1000 Rear Master Cyclinder
18 Aug 2015 12:39
Can I pull the reservoir off to get at the piston and how do I get it off?
1976 KZ 900 A4
kzrider.com/forum/11-projects/613548-1976-kz-900-a4
1976 KZ 900 B1 LTD
1978 KZ 1000 B2 LTD
1980 KZ 750 E1
Kowledge Speaks, But Wisdom Listens.
Jimi Hendrix.
1976 KZ 900 B1 LTD
1978 KZ 1000 B2 LTD
1980 KZ 750 E1
Kowledge Speaks, But Wisdom Listens.
Jimi Hendrix.
Please Log in or Create an account to join the conversation.
- loudhvx
-
- Offline
- KZr Legend
-

Registered
- Posts: 10863
- Thanks: 1622
Re: LTD 1000 Rear Master Cyclinder
18 Aug 2015 12:51
I think PB Blaster is a petroleum distillate. Don't soak the rubber parts for very long. It will damage them.
1981 KZ550 D1 gpz.
Kz550 valve train warning.
Other links.
Kz550 valve train warning.
Other links.
Please Log in or Create an account to join the conversation.
- davido
-
- Offline
- User
-

Registered
- Posts: 1578
- Thanks: 291
Re: LTD 1000 Rear Master Cyclinder
18 Aug 2015 13:33
No eBay APP ID and/or Cert ID defined in Kunena configuration
I wouldnt worry about that.Id reckon the rubber bits are well gone by now and will need replacing whatever happens. In fact it looks like the rebuild kits come complete with all the rubber bits and a new piston so you could just drill the bugger out.
loudhvx wrote: I think PB Blaster is a petroleum distillate. Don't soak the rubber parts for very long. It will damage them.
I wouldnt worry about that.Id reckon the rubber bits are well gone by now and will need replacing whatever happens. In fact it looks like the rebuild kits come complete with all the rubber bits and a new piston so you could just drill the bugger out.
www.kzrider.com/forum/11-projects/594313-csr1000-project-build
CB550 (1978)
CB500/4 (1972)*
KZ1000CSR (1981)
XT 600E (1999)
TDM900 (2003)
CB550 (1978)
CB500/4 (1972)*
KZ1000CSR (1981)
XT 600E (1999)
TDM900 (2003)
Please Log in or Create an account to join the conversation.
- Nessism
-
- Offline
- Sustaining Member
-

Registered
- Posts: 8070
- Thanks: 3454
Re: LTD 1000 Rear Master Cyclinder
18 Aug 2015 15:55 - 18 Aug 2015 15:55
If you want to maintain originality there are shops that sleeve the old master with stainless. It costs about $100 though, and you still need a kit.
Ed
Carb O-ring Kits : www.kzrider.com/forum/14-vendor-forum/62...rburetor-o-ring-kits
www.kzrider.com/forum/faq-wiki/618026-new-owner-things-to-know
1981 KZ750E2
www.kzrider.com/forum/11-projects/604901...z750e-project-thread
Carb O-ring Kits : www.kzrider.com/forum/14-vendor-forum/62...rburetor-o-ring-kits
www.kzrider.com/forum/faq-wiki/618026-new-owner-things-to-know
1981 KZ750E2
www.kzrider.com/forum/11-projects/604901...z750e-project-thread
Last edit: 18 Aug 2015 15:55 by Nessism.
Please Log in or Create an account to join the conversation.
- JimB
-
- Offline
- User
-

Registered
- Posts: 134
- Thanks: 9
Re: LTD 1000 Rear Master Cyclinder
18 Aug 2015 19:09
I had the same problem with my master cylinder 1978 kz1000. I had to soak it for over a week and I also made sure I got PB blaster into all three openings. Eventually I drilled a small hole in the end and inserted a screw and used it to pull the piston out. The plastic reservoir does come off of the top and will help for soaking and when you eventually want to repaint it. I lightly sanded the inside of the cylinder prior to using the rebuild kit.
My brake and master cylinder are working fine now.
My brake and master cylinder are working fine now.
1978 KZ1000A2, 1980 KZ1000E, 1980 KZ1000B4 LTD
Please Log in or Create an account to join the conversation.
Moderators: Street Fighter LTD
