Speed warning relay 1974 Kawasaki Z2 750
- increasing
-
Topic Author
- Offline
- User
-

Registered
- curious to know
- Posts: 47
- Thanks: 18
Speed warning relay 1974 Kawasaki Z2 750
01 Apr 2025 11:31
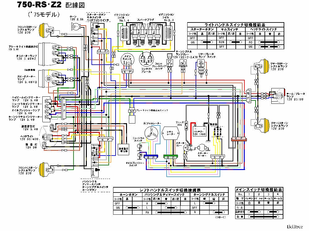
Is there anyone here on the forum who can point to the location of the warning light (red warning light is on top of the headlight) and the speed warning relay on the Japanese version of the 1974 Kawasaki Z2 750 …
Also trying to find the part number for the relay for the same warning system. Part number from Brooks book makes no sense with part number search. Any alternative to relay that can be used …
Also trying to find the part number for the relay for the same warning system. Part number from Brooks book makes no sense with part number search. Any alternative to relay that can be used …
increasing 
1974 Kawasaki Z1A 900, 1976 Kawasaki KZ900-A4, 1987 Kawasaki GPX750R
1974 Kawasaki Z1A 900, 1976 Kawasaki KZ900-A4, 1987 Kawasaki GPX750R
Please Log in or Create an account to join the conversation.
- Wookie58
-
- Offline
- Moderator
-

Registered
- Posts: 5838
- Thanks: 3651
Re: Speed warning relay 1974 Kawasaki Z2 750
01 Apr 2025 11:42
Would you not also need a speedo with a pulse generator ?
1982 KZ1000 Ltd
www.kzrider.com/forum/11-projects/617631...-82-begins?start=192
kzrider.com/filebase-alias?view=download...d-fault-diagnosis&ca
www.kzrider.com/forum/11-projects/617631...-82-begins?start=192
kzrider.com/filebase-alias?view=download...d-fault-diagnosis&ca
Please Log in or Create an account to join the conversation.
- increasing
-
Topic Author
- Offline
- User
-

Registered
- curious to know
- Posts: 47
- Thanks: 18
Re: Speed warning relay 1974 Kawasaki Z2 750
01 Apr 2025 12:17
This is the bike of a friend of mine, a Z2 750 that has the original speedometer with red markings from 80 km and up, pulse generator with electrical connection is in place here.
increasing 
1974 Kawasaki Z1A 900, 1976 Kawasaki KZ900-A4, 1987 Kawasaki GPX750R
1974 Kawasaki Z1A 900, 1976 Kawasaki KZ900-A4, 1987 Kawasaki GPX750R
The following user(s) said Thank You: Wookie58
Please Log in or Create an account to join the conversation.
- gd4now
-
- Offline
- User
-

Registered
- Denco where did you go?
- Posts: 1621
- Thanks: 639
Re: Speed warning relay 1974 Kawasaki Z2 750
01 Apr 2025 12:17
1977 KZ650 B1
Pods and Denco header
OLD KAW OWNERS SMILE ALOT
Pods and Denco header
OLD KAW OWNERS SMILE ALOT
The following user(s) said Thank You: increasing
Please Log in or Create an account to join the conversation.
- Mcdroid
-
- Away
- User
-

Registered
- Gone Kwackers
- Posts: 6806
- Thanks: 443
Re: Speed warning relay 1974 Kawasaki Z2 750
01 Apr 2025 12:30 - 01 Apr 2025 12:53
Greetings...correct parts number is 92069-017...for speed warning light from the from Z2 parts manual...in Japanese, but with parts numbers. That part used to be available from PMC...not sure about now. As for the relay (23050-003), that number is correct. You might contact member Asphalt900 as he is familiar with that part and Z2's in general. He might have a source for an original relay.
Michael
Victoria, Texas
1982 GPz750
1977 KZ1000A
1978 KZ1000A
1982 GPz1100
1975 Z2A
Victoria, Texas
1982 GPz750
1977 KZ1000A
1978 KZ1000A
1982 GPz1100
1975 Z2A
Last edit: 01 Apr 2025 12:53 by Mcdroid.
The following user(s) said Thank You: Gdizard, increasing
Please Log in or Create an account to join the conversation.
- increasing
-
Topic Author
- Offline
- User
-

Registered
- curious to know
- Posts: 47
- Thanks: 18
Re: Speed warning relay 1974 Kawasaki Z2 750
02 Apr 2025 00:54 - 02 Apr 2025 01:05
Maybe it's possible to tag @Asphalt900 in this thread and he'll see what we're asking for … See he writes the name asphalt900
increasing 
1974 Kawasaki Z1A 900, 1976 Kawasaki KZ900-A4, 1987 Kawasaki GPX750R
1974 Kawasaki Z1A 900, 1976 Kawasaki KZ900-A4, 1987 Kawasaki GPX750R
Last edit: 02 Apr 2025 01:05 by increasing.
Please Log in or Create an account to join the conversation.
- asphalt900
-
- Offline
- Sustaining Member
-

Registered
- Posts: 1519
- Thanks: 1009
Re: Speed warning relay 1974 Kawasaki Z2 750
02 Apr 2025 05:24
Might be over-touting my abilities! While i have done several of the main harnesses for the Z2 i have never seen them in operation. Does the red jewel, handlebar or headlight shell mounted, blink or a steady illumination? Also, i don't think that internal electrical bit within the gauge is a "pulse generator", more of a magnetic switch. I've never had one of those gauges apart to investigate. But have worked on others with similar stuff and it was a simple tube type switch, thinking Yamaha? That oversized canister, is it an actual relay or more to it, i don't know? Common sense would dictate that red jewel Would blink otherwise that oversized flasher canister wouldn't be required. If anyone has more info..I'm curious too!!
The following user(s) said Thank You: increasing
Please Log in or Create an account to join the conversation.
- DOHC
-
- Offline
- Sustaining Member
-

Registered
- Those Doe-Hawks really go!
- Posts: 1267
- Thanks: 595
Re: Speed warning relay 1974 Kawasaki Z2 750
02 Apr 2025 05:38i don't think that internal electrical bit within the gauge is a "pulse generator", more of a magnetic switch. I've never had one of those gauges apart to investigate. But have worked on others with similar stuff and it was a simple tube type switch, thinking Yamaha? That oversized canister, is it an actual relay or more to it, i don't know?
Without any knowledge of this system, but just looking at the discussion so far, I would tend to agree that this system is probably pretty simple.
The Z1R does have a pulse generating speed sensor, which is used for the self canceling turn signals. But that system has some kind of fancy control box to count the pulses, and Kawasaki definitely does not call that box a "relay".
It would be pretty easy to have a simple magnetic reed switch inside the gauge. This switch would close when the gauge reads above the set speed. But those little reed switches can't really handle any current. So a simple relay could be used to turn the small current through the reed switch into a higher current suitable for the warning light.
increasing , you say have access to a Z2 gauge? Can you use a continuity checking volt meter to test what happens to the over-speed circuit when the speed it too high? Does it look like a switch that is open or closed based on the speed?
'78 Z1-R in blue
, '78 Z1-R in black,
'78 Z1-R in pieces
My dad's '74 Z1
'00 ZRX1100
My dad's '74 Z1
'00 ZRX1100
The following user(s) said Thank You: increasing
Please Log in or Create an account to join the conversation.
- Wookie58
-
- Offline
- Moderator
-

Registered
- Posts: 5838
- Thanks: 3651
Re: Speed warning relay 1974 Kawasaki Z2 750
02 Apr 2025 05:41No idea, I assumed it's some form of pulse generator to determine "speed" to activate the light ?Might be over-touting my abilities! While i have done several of the main harnesses for the Z2 i have never seen them in operation. Does the red jewel, handlebar or headlight shell mounted, blink or a steady illumination? Also, i don't think that internal electrical bit within the gauge is a "pulse generator", more of a magnetic switch. I've never had one of those gauges apart to investigate. But have worked on others with similar stuff and it was a simple tube type switch, thinking Yamaha? That oversized canister, is it an actual relay or more to it, i don't know? Common sense would dictate that red jewel Would blink otherwise that oversized flasher canister wouldn't be required. If anyone has more info..I'm curious too!!
1982 KZ1000 Ltd
www.kzrider.com/forum/11-projects/617631...-82-begins?start=192
kzrider.com/filebase-alias?view=download...d-fault-diagnosis&ca
www.kzrider.com/forum/11-projects/617631...-82-begins?start=192
kzrider.com/filebase-alias?view=download...d-fault-diagnosis&ca
The following user(s) said Thank You: increasing
Please Log in or Create an account to join the conversation.
- increasing
-
Topic Author
- Offline
- User
-

Registered
- curious to know
- Posts: 47
- Thanks: 18
Re: Speed warning relay 1974 Kawasaki Z2 750
02 Apr 2025 07:34
@DOHC The speedometer of the Z2 is currently in the Netherlands for full restoration, when it is back the owner can perform a measurement.
increasing 
1974 Kawasaki Z1A 900, 1976 Kawasaki KZ900-A4, 1987 Kawasaki GPX750R
1974 Kawasaki Z1A 900, 1976 Kawasaki KZ900-A4, 1987 Kawasaki GPX750R
The following user(s) said Thank You: Wookie58
Please Log in or Create an account to join the conversation.
Moderators: Street Fighter LTD
