KZ440 weird wiring
- Brokolicka
-
Topic Author
- Offline
- User
-

Registered
- Posts: 3
- Thanks: 0
KZ440 weird wiring
30 Sep 2023 06:03 - 30 Sep 2023 06:29
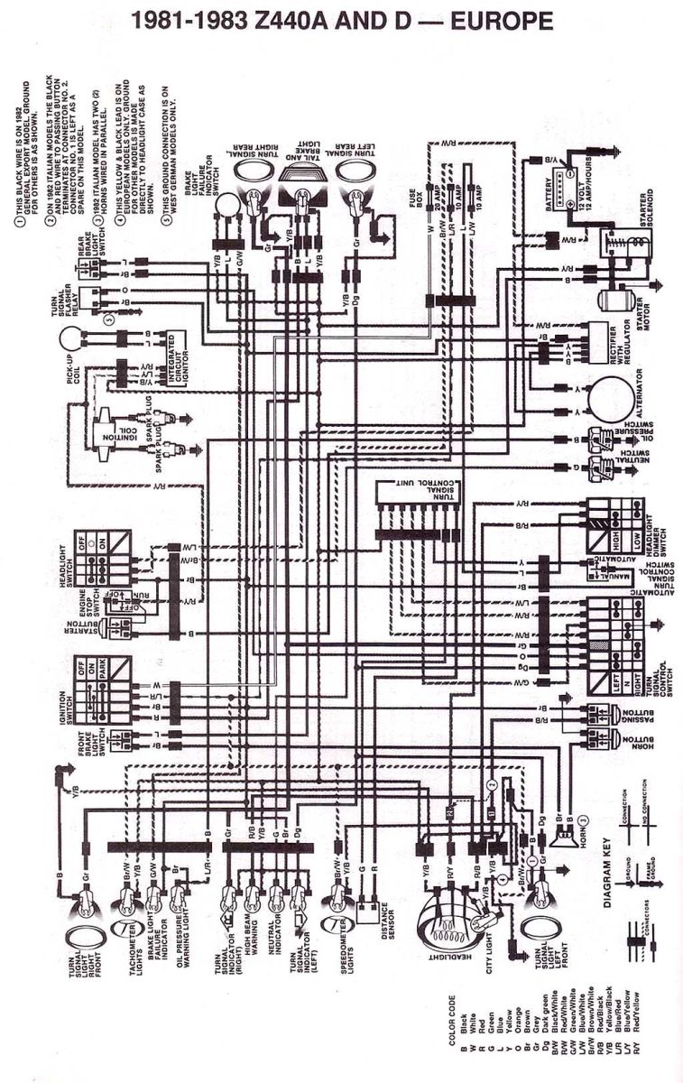
Hi, I am trying to fix up a KZ440 Belt drive but im having problem with some wiring. I dont know if previous owner changed it or its some kind of special thing for West german model but none of the wiring diagrams fits the wiring on my bike 1. IC igniter has 6 wire coming in. The diagram shows 5, the Br/W is extra2. The extra Br/W from IC igniter then splits into 3 Br/W and together with green wires coming from Starter motor and red wire coming from thingy (pic3, thingy has B/Y coming from left handlebar switch) come into Six pin into this black thing with number "39" which i cannot pull off3. Front brake light switch has Brown and Red-Blue wire coming into 6-Pin together with wires from Headlight switch wires. Which also isnt corresponding with the diagramAny help will be appreciated greatlyThank you
1982 - KZ440 LTD Belt drive
Last edit: 30 Sep 2023 06:29 by Brokolicka.
Please Log in or Create an account to join the conversation.
- Nessism
-
- Offline
- Sustaining Member
-

Registered
- Posts: 8062
- Thanks: 3448
Re: KZ440 weird wiring
30 Sep 2023 06:23
Please modify your post before the edit time period expires, by clicking "insert all" next to your photos. That way the photos will actually show up and be readable.
Ed
Carb O-ring Kits : www.kzrider.com/forum/14-vendor-forum/62...rburetor-o-ring-kits
www.kzrider.com/forum/faq-wiki/618026-new-owner-things-to-know
1981 KZ750E2
www.kzrider.com/forum/11-projects/604901...z750e-project-thread
Carb O-ring Kits : www.kzrider.com/forum/14-vendor-forum/62...rburetor-o-ring-kits
www.kzrider.com/forum/faq-wiki/618026-new-owner-things-to-know
1981 KZ750E2
www.kzrider.com/forum/11-projects/604901...z750e-project-thread
The following user(s) said Thank You: Street Fighter LTD
Please Log in or Create an account to join the conversation.
- Street Fighter LTD
-
- Offline
- Moderator
-

Registered
- TURBO, Its Better to be Blown than Injected
- Posts: 5058
- Thanks: 2269
Re: KZ440 weird wiring
30 Sep 2023 06:31Awesome EdPlease modify your post before the edit time period expires, by clicking "insert all" next to your photos. That way the photos will actually show up and be readable.
Thanks
Original owner 78 1000 LTD
Mr Turbo Race Kit, MTC 1075 Turbo pistons by PitStop Performance , Falicon Ultra Lite Super Crank, APE everything. Les Holt @ PDM's Billet Goodies . Frame by Chuck Kurzawa @ Logghe Chassis . Deep sump 5qt oil pan. RIP Bill Hahn
Please Log in or Create an account to join the conversation.
Moderators: Street Fighter LTD
