LTD440 - alternator or battery are done for. How to test which one it is
- Jasper.R
-
Topic Author
- Offline
- User
-

Registered
- Posts: 21
- Thanks: 3
LTD440 - alternator or battery are done for. How to test which one it is
10 Dec 2020 04:48
Hi,
On my LTD440 it seems like the alternator/dynamo is not doing its job. I got a brand new battery when I got the bike, and it short circuited pretty much the first day. Except for the main fuse, nothing was (seemingly) broken, but now that I'm driving the bike a little more it seems like it just doesn't really increase the voltage on the battery at all.
Is there any way for me to easily how much voltage the alternator is loading with while the bike is running? I know for my car I just put a voltmeter in the cigarette lighter.
Thanks!
On my LTD440 it seems like the alternator/dynamo is not doing its job. I got a brand new battery when I got the bike, and it short circuited pretty much the first day. Except for the main fuse, nothing was (seemingly) broken, but now that I'm driving the bike a little more it seems like it just doesn't really increase the voltage on the battery at all.
Is there any way for me to easily how much voltage the alternator is loading with while the bike is running? I know for my car I just put a voltmeter in the cigarette lighter.
Thanks!
Please Log in or Create an account to join the conversation.
- TexasKZ
-
- Offline
- Platinum Member
-

Registered
- Posts: 8137
- Thanks: 2646
Re: LTD440 - alternator or battery are done for. How to test which one it is
10 Dec 2020 06:03
I would start with the tests described in the factory service manual.
www.kzrider.com/modules/ServiceManuals/kz440.pdf
www.kzrider.com/modules/ServiceManuals/kz440.pdf
1982 KZ1000 LTD parts donor
1981 KZ1000 LTD awaiting resurrection
2000 ZRX1100 not ridden enough
www.kzrider.com/11-projects/620336-anoth...uild-thread?start=24
1981 KZ1000 LTD awaiting resurrection
2000 ZRX1100 not ridden enough
www.kzrider.com/11-projects/620336-anoth...uild-thread?start=24
Please Log in or Create an account to join the conversation.
- martin_csr
-
- Offline
- User
-

Registered
- Posts: 7994
- Thanks: 1644
Re: LTD440 - alternator or battery are done for. How to test which one it is
10 Dec 2020 06:43
By Jasper.R: ... I got a brand new battery when I got the bike, and it short circuited pretty much the first day. ...
What exactly do you mean by that? There's a warning in the 81 KZ650 manual that says the zener diode in the reg-rec can get burned out if the battery leads are reversed. I would do the charging system checks.
What exactly do you mean by that? There's a warning in the 81 KZ650 manual that says the zener diode in the reg-rec can get burned out if the battery leads are reversed. I would do the charging system checks.
Please Log in or Create an account to join the conversation.
- F64
-
- Offline
- User
-

Registered
- 81-KZ440D2
- Posts: 1144
- Thanks: 415
Re: LTD440 - alternator or battery are done for. How to test which one it is
12 Dec 2020 16:25
I'll take a crack at it.
Take your meter and put it on DC V.
ignition off/engine off
red meter probe on positive battery post(post being the metal part of the battery not the cable terminal)
black meter probe on the negative battery post
note voltage
turn ignition on/engine off
note voltage
both ignition on/engine on
bike at idle
note voltage
turn on high beam
pull hand brake
note voltage
let go of hand brake
bring RPM up to 2000
note voltage
bring RPM
up to 4000
note voltage
turn off bike
The first measurements are to see the state of the battery.
The next are to see if the charging system is working with the additional load and RPM.
The charging system should keep the voltage around 13 even with the high beam on at 2000 rpm.
At idle you don't usually have much charging.
Take your meter and put it on DC V.
ignition off/engine off
red meter probe on positive battery post(post being the metal part of the battery not the cable terminal)
black meter probe on the negative battery post
note voltage
turn ignition on/engine off
note voltage
both ignition on/engine on
bike at idle
note voltage
turn on high beam
pull hand brake
note voltage
let go of hand brake
bring RPM up to 2000
note voltage
bring RPM
up to 4000
note voltage
turn off bike
The first measurements are to see the state of the battery.
The next are to see if the charging system is working with the additional load and RPM.
The charging system should keep the voltage around 13 even with the high beam on at 2000 rpm.
At idle you don't usually have much charging.
81-KZ440-D2.
Louis Dudzik's GM HEI ignitor conversion installed 2015 s3.amazonaws.com/gpzweb/Ignition/GPZgmHEImod.html
Motogadget m-unit blue installed 2017.
LIC, NY
Louis Dudzik's GM HEI ignitor conversion installed 2015 s3.amazonaws.com/gpzweb/Ignition/GPZgmHEImod.html
Motogadget m-unit blue installed 2017.
LIC, NY
The following user(s) said Thank You: Mikaw
Please Log in or Create an account to join the conversation.
- Jasper.R
-
Topic Author
- Offline
- User
-

Registered
- Posts: 21
- Thanks: 3
Re: LTD440 - alternator or battery are done for. How to test which one it is
27 Dec 2020 02:57 - 27 Dec 2020 02:59
I was unable to reply on the forums for a long time, but seems like it works now again! What I meant to post a while ago:
Thanks for the replies guys! I was busy with the holidays coming up, but found some time today finally.
I mean I accidentally connected the - and + terminals the wrong way around. In my defense, the + looked a lot like a -. Very very stupid. ?
Thanks a lot! I did all this, here's the results:
- voltage with engine and ignition both off is about 12.1, but the battery was near empty and I charged it for about 30-60 minutes
- ignition on is 12.0
- idle is:
- 2500rpm is 12.4 to 12.6
- 4000rpm is 12.5
- 6000rpm is 12.5
- all with high beam on
Does this shed any light on the situation?
Thanks for the replies guys! I was busy with the holidays coming up, but found some time today finally.
martin_csr wrote: By Jasper.R: ... I got a brand new battery when I got the bike, and it short circuited pretty much the first day. ...
What exactly do you mean by that? There's a warning in the 81 KZ650 manual that says the zener diode in the reg-rec can get burned out if the battery leads are reversed. I would do the charging system checks.
I mean I accidentally connected the - and + terminals the wrong way around. In my defense, the + looked a lot like a -. Very very stupid. ?
F64 wrote: I'll take a crack at it.
Take your meter and put it on DC V.
ignition off/engine off
red meter probe on positive battery post(post being the metal part of the battery not the cable terminal)
black meter probe on the negative battery post
note voltage
turn ignition on/engine off
note voltage
both ignition on/engine on
bike at idle
note voltage
turn on high beam
pull hand brake
note voltage
let go of hand brake
bring RPM up to 2000
note voltage
bring RPM
up to 4000
note voltage
turn off bike
The first measurements are to see the state of the battery.
The next are to see if the charging system is working with the additional load and RPM.
The charging system should keep the voltage around 13 even with the high beam on at 2000 rpm.
At idle you don't usually have much charging.
Thanks a lot! I did all this, here's the results:
- voltage with engine and ignition both off is about 12.1, but the battery was near empty and I charged it for about 30-60 minutes
- ignition on is 12.0
- idle is:
- 2500rpm is 12.4 to 12.6
- 4000rpm is 12.5
- 6000rpm is 12.5
- all with high beam on
Does this shed any light on the situation?
Last edit: 27 Dec 2020 02:59 by Jasper.R.
Please Log in or Create an account to join the conversation.
- F64
-
- Offline
- User
-

Registered
- 81-KZ440D2
- Posts: 1144
- Thanks: 415
Re: LTD440 - alternator or battery are done for. How to test which one it is
27 Dec 2020 10:58 - 27 Dec 2020 12:24
you are getting a charge but it's low.
It should be over 13V at the 2000rpm level.
When I have a chance I'll pull up a schematic.
You may just have a bad wire or connector.
ok
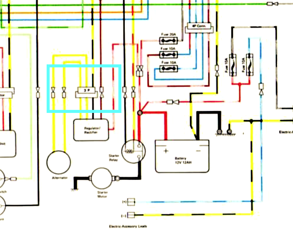
you'll need to check the wiring in the turquoise box.
It will be the connector coming off of the regulator/rectifier.
ignition on/engine on
meter DCV
black probe negative battery post
red probe positive battery post
note voltage
move red probe to yellow/black wire at connector
note voltage(should be less than .5 volts)
move black probe to positive battery post
move red probe to red wire
note voltage(should be less than .5 volts)
move red probe to red/white wire
note voltage(should be less than .5 volts)
put meter on ACV
put red probe on one yellow wire at connector
put black probe on other yellow wire at connector
note voltage at idle
raise rpm to 2000
note voltage
raise rpm to 4000
note voltage
Voltage should increase as you raise rpm
shut off bike
It should be over 13V at the 2000rpm level.
When I have a chance I'll pull up a schematic.
You may just have a bad wire or connector.
ok
you'll need to check the wiring in the turquoise box.
It will be the connector coming off of the regulator/rectifier.
ignition on/engine on
meter DCV
black probe negative battery post
red probe positive battery post
note voltage
move red probe to yellow/black wire at connector
note voltage(should be less than .5 volts)
move black probe to positive battery post
move red probe to red wire
note voltage(should be less than .5 volts)
move red probe to red/white wire
note voltage(should be less than .5 volts)
put meter on ACV
put red probe on one yellow wire at connector
put black probe on other yellow wire at connector
note voltage at idle
raise rpm to 2000
note voltage
raise rpm to 4000
note voltage
Voltage should increase as you raise rpm
shut off bike
81-KZ440-D2.
Louis Dudzik's GM HEI ignitor conversion installed 2015 s3.amazonaws.com/gpzweb/Ignition/GPZgmHEImod.html
Motogadget m-unit blue installed 2017.
LIC, NY
Louis Dudzik's GM HEI ignitor conversion installed 2015 s3.amazonaws.com/gpzweb/Ignition/GPZgmHEImod.html
Motogadget m-unit blue installed 2017.
LIC, NY
Last edit: 27 Dec 2020 12:24 by F64.
The following user(s) said Thank You: Jasper.R
Please Log in or Create an account to join the conversation.
- Jasper.R
-
Topic Author
- Offline
- User
-

Registered
- Posts: 21
- Thanks: 3
Re: LTD440 - alternator or battery are done for. How to test which one it is
30 Dec 2020 07:00F64 wrote: you are getting a charge but it's low.
It should be over 13V at the 2000rpm level.
When I have a chance I'll pull up a schematic.
You may just have a bad wire or connector.
ok
you'll need to check the wiring in the turquoise box.
It will be the connector coming off of the regulator/rectifier.
ignition on/engine on
meter DCV
black probe negative battery post
red probe positive battery post
note voltage
move red probe to yellow/black wire at connector
note voltage(should be less than .5 volts)
move black probe to positive battery post
move red probe to red wire
note voltage(should be less than .5 volts)
move red probe to red/white wire
note voltage(should be less than .5 volts)
put meter on ACV
put red probe on one yellow wire at connector
put black probe on other yellow wire at connector
note voltage at idle
raise rpm to 2000
note voltage
raise rpm to 4000
note voltage
Voltage should increase as you raise rpm
shut off bike
I want to try this but I'm having a very hard time reading the schematic. Can you tell me where these wires should be located so I can find them without the schematic?
Please Log in or Create an account to join the conversation.
- TexasKZ
-
- Offline
- Platinum Member
-

Registered
- Posts: 8137
- Thanks: 2646
Re: LTD440 - alternator or battery are done for. How to test which one it is
30 Dec 2020 07:28
Open the factory service manual that I linked to in the second post of this thread. Go to page 219. There you will see what F64 is talking about.
1982 KZ1000 LTD parts donor
1981 KZ1000 LTD awaiting resurrection
2000 ZRX1100 not ridden enough
www.kzrider.com/11-projects/620336-anoth...uild-thread?start=24
1981 KZ1000 LTD awaiting resurrection
2000 ZRX1100 not ridden enough
www.kzrider.com/11-projects/620336-anoth...uild-thread?start=24
Please Log in or Create an account to join the conversation.
- martin_csr
-
- Offline
- User
-

Registered
- Posts: 7994
- Thanks: 1644
Re: LTD440 - alternator or battery are done for. How to test which one it is
30 Dec 2020 07:49 - 30 Dec 2020 08:24
The wiring on a 440 shouldn't be that complex.
To test the alternator you may have to remove the LH engine sprocket cover to gain access to the 2 yellow wires coming from the stator. Sometimes EB pics are handy for stuff like this, but I didn't see a good engine photo. However, there are a few good pics of the stator wires & reg-rec wires.
From the diagrams at Partzilla the voltage regulator is mounted on the LH side of the battery case, so you should be able to trace those wires which would be behind the plastic LH side cover. If the reg-rec connector is right there, you might be able to back-probe the 2 yellow stator wires (instead of removing the engine cover). If the battery was connected backwards, you may have fried the voltage regulator.
To test the alternator you may have to remove the LH engine sprocket cover to gain access to the 2 yellow wires coming from the stator. Sometimes EB pics are handy for stuff like this, but I didn't see a good engine photo. However, there are a few good pics of the stator wires & reg-rec wires.
From the diagrams at Partzilla the voltage regulator is mounted on the LH side of the battery case, so you should be able to trace those wires which would be behind the plastic LH side cover. If the reg-rec connector is right there, you might be able to back-probe the 2 yellow stator wires (instead of removing the engine cover). If the battery was connected backwards, you may have fried the voltage regulator.
Last edit: 30 Dec 2020 08:24 by martin_csr.
Please Log in or Create an account to join the conversation.
- F64
-
- Offline
- User
-

Registered
- 81-KZ440D2
- Posts: 1144
- Thanks: 415
Re: LTD440 - alternator or battery are done for. How to test which one it is
04 Jan 2021 00:14 - 04 Jan 2021 00:52
Look under the side covers for the regulator/rectifier pictured below. It should be under one of the side covers.
The connector will be attached to the regulator/rectifier.
The connector will be attached to the regulator/rectifier.
81-KZ440-D2.
Louis Dudzik's GM HEI ignitor conversion installed 2015 s3.amazonaws.com/gpzweb/Ignition/GPZgmHEImod.html
Motogadget m-unit blue installed 2017.
LIC, NY
Louis Dudzik's GM HEI ignitor conversion installed 2015 s3.amazonaws.com/gpzweb/Ignition/GPZgmHEImod.html
Motogadget m-unit blue installed 2017.
LIC, NY
Last edit: 04 Jan 2021 00:52 by F64.
Please Log in or Create an account to join the conversation.
- Jasper.R
-
Topic Author
- Offline
- User
-

Registered
- Posts: 21
- Thanks: 3
Re: LTD440 - alternator or battery are done for. How to test which one it is
22 Feb 2021 04:34
Hi guys! Back again, took me a while to figure it all out but it's solved. The regulator is in good shape luckily, didn't have to replace that. What I did was re-wire all wires that had just grown very old and lost most of its capacity. The startmotor was barely turning the engine around because it didn't get enough power. Re-wiring the entire thing and now the alternator sits steady at ~14.6v!
Thanks for all the help!
Thanks for all the help!
The following user(s) said Thank You: TexasKZ, martin_csr
Please Log in or Create an account to join the conversation.
- TexasKZ
-
- Offline
- Platinum Member
-

Registered
- Posts: 8137
- Thanks: 2646
Re: LTD440 - alternator or battery are done for. How to test which one it is
22 Feb 2021 14:40
Thanks for the update. Glad you figured it out.
1982 KZ1000 LTD parts donor
1981 KZ1000 LTD awaiting resurrection
2000 ZRX1100 not ridden enough
www.kzrider.com/11-projects/620336-anoth...uild-thread?start=24
1981 KZ1000 LTD awaiting resurrection
2000 ZRX1100 not ridden enough
www.kzrider.com/11-projects/620336-anoth...uild-thread?start=24
The following user(s) said Thank You: Jasper.R
Please Log in or Create an account to join the conversation.
Moderators: Street Fighter LTD
