Points plate help
- Aaronsean
-
Topic Author
- Offline
- User
-

Registered
- Posts: 7
- Thanks: 0
Points plate help
06 Jun 2020 08:32
Hi everyone,
I have a 78 kz project that I want to get running.
It has no electrical wires yet.
I took off the points cover to the motor and found it empty.
Does anyone know exactly what parts I need and where to find them?
Thank you very much
I have a 78 kz project that I want to get running.
It has no electrical wires yet.
I took off the points cover to the motor and found it empty.
Does anyone know exactly what parts I need and where to find them?
Thank you very much
Please Log in or Create an account to join the conversation.
- Scirocco
-
- Offline
- Premium Member
-

Registered
- Never change a running system
- Posts: 4420
- Thanks: 2270
Re: Points plate help
06 Jun 2020 11:42 - 06 Jun 2020 11:44
My 1975 Z 1 B 900 Project
www.kzrider.com/forum/11-projects/605133...ears-deep-sleep-mode
www.kzrider.com/forum/11-projects/605133...ears-deep-sleep-mode
Last edit: 06 Jun 2020 11:44 by Scirocco.
The following user(s) said Thank You: Aaronsean
Please Log in or Create an account to join the conversation.
- hardrockminer
-
- Offline
- Sustaining Member
-

Registered
- Posts: 3122
- Thanks: 1222
Re: Points plate help
06 Jun 2020 12:14
Since you are starting from scratch you might want to consider an electronic ignition in place of the points used in 1978. Much better and reliable.
I have several restored bikes along with a 2006 Goldwing with a sidecar.
The following user(s) said Thank You: Aaronsean
Please Log in or Create an account to join the conversation.
- martin_csr
-
- Offline
- User
-

Registered
- Posts: 8016
- Thanks: 1645
Re: Points plate help
06 Jun 2020 14:08 - 06 Jun 2020 14:10
In addition to the ignition stuff, the spring pin on the end of the crankshaft probably ought to be replaced. I would get a new one from the dealer, in case it's hardened or something & to be sure the replacement fits right. The pin engages the timing advancer.
Last edit: 06 Jun 2020 14:10 by martin_csr.
The following user(s) said Thank You: Aaronsean
Please Log in or Create an account to join the conversation.
- DOHC
-
- Offline
- Sustaining Member
-

Registered
- Those Doe-Hawks really go!
- Posts: 1272
- Thanks: 596
Re: Points plate help
06 Jun 2020 15:50 - 06 Jun 2020 19:11
The '78 came with points and a mechanical advancer. I would find the advancer part and then buy a Dyna S electronic ignition. It's a simple and reliable replacement for the points assembly.
I can find links for you if your need them.
Is your bike a 1978 kz650?
I can find links for you if your need them.
Is your bike a 1978 kz650?
'78 Z1-R in blue
, '78 Z1-R in black,
'78 Z1-R in pieces
My dad's '74 Z1
'00 ZRX1100
My dad's '74 Z1
'00 ZRX1100
Last edit: 06 Jun 2020 19:11 by DOHC.
The following user(s) said Thank You: Aaronsean
Please Log in or Create an account to join the conversation.
- Aaronsean
-
Topic Author
- Offline
- User
-

Registered
- Posts: 7
- Thanks: 0
Re: Points plate help
06 Jun 2020 21:04
Yes it is a 78 kz650.
I am trying to put this bike together and have no idea how many miles are on it.
Always wanted one, and fount this one with the spoked wheels for a good price but parts are missing. Thank you
I am trying to put this bike together and have no idea how many miles are on it.
Always wanted one, and fount this one with the spoked wheels for a good price but parts are missing. Thank you
Please Log in or Create an account to join the conversation.
- Aaronsean
-
Topic Author
- Offline
- User
-

Registered
- Posts: 7
- Thanks: 0
Re: Points plate help
07 Jun 2020 12:18
If I go with an electronic ignition and skip the points plate, will someone here please give me a list of all I need to complete this part of my ignition?
I will shop on Ebay for the parts unless someone here has some spare parts they could sell me?
I never had a KZ650 before so I’m a little unfamiliar with them.
Thank you all so far for your input and knowledge on this thread.
I will shop on Ebay for the parts unless someone here has some spare parts they could sell me?
I never had a KZ650 before so I’m a little unfamiliar with them.
Thank you all so far for your input and knowledge on this thread.
Please Log in or Create an account to join the conversation.
- DOHC
-
- Offline
- Sustaining Member
-

Registered
- Those Doe-Hawks really go!
- Posts: 1272
- Thanks: 596
Re: Points plate help
07 Jun 2020 14:12
No eBay APP ID and/or Cert ID defined in Kunena configurationNo eBay APP ID and/or Cert ID defined in Kunena configurationHere is a good price for the Dyna S assuming it's the right part. They are usually around $150.
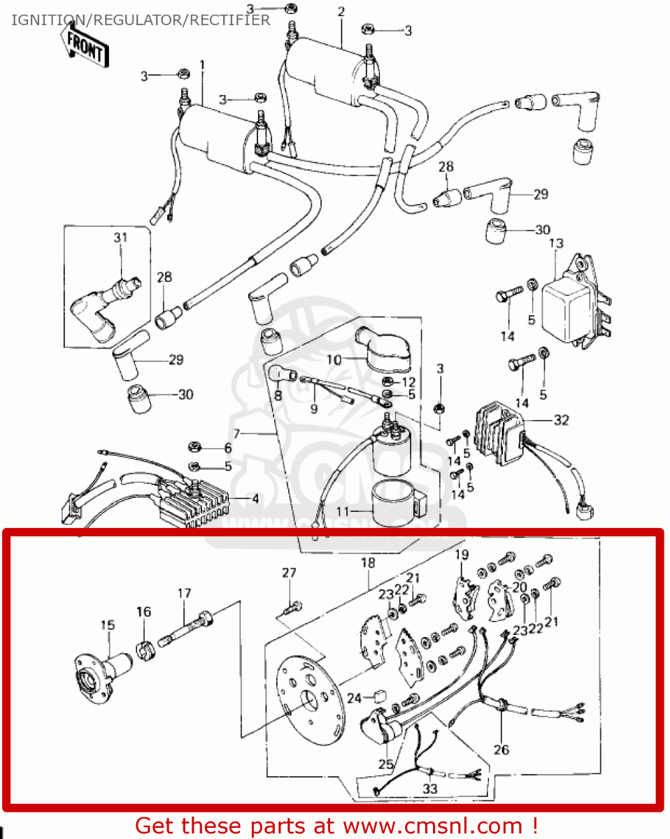
The advancer parts have three part numbers is the diagram. The bolt and special washer are available, but the advancer (P/N 21148-011 ) is obsolete so you'll have to find a used one. I don't see a cheap one, but here is an example.
Parts 15, 16, 17 this diagram are what you're looking for.
www.partzilla.com/catalog/kawasaki/motor...-regulator-rectifier
The advancer parts have three part numbers is the diagram. The bolt and special washer are available, but the advancer (P/N 21148-011 ) is obsolete so you'll have to find a used one. I don't see a cheap one, but here is an example.
Parts 15, 16, 17 this diagram are what you're looking for.
www.partzilla.com/catalog/kawasaki/motor...-regulator-rectifier
'78 Z1-R in blue
, '78 Z1-R in black,
'78 Z1-R in pieces
My dad's '74 Z1
'00 ZRX1100
My dad's '74 Z1
'00 ZRX1100
Please Log in or Create an account to join the conversation.
- loudhvx
-
- Offline
- KZr Legend
-

Registered
- Posts: 10863
- Thanks: 1622
Re: Points plate help
07 Jun 2020 17:02
By the way, that orange thing with the screw in the middle is the oil pressure switch for the oil pressure warning light. The Dyna S wiring will have an extra wire for the oil-pressure warning system. If you don't have the gauges for the oil light, you can just leave it unconnected.
1981 KZ550 D1 gpz.
Kz550 valve train warning.
Other links.
Kz550 valve train warning.
Other links.
Please Log in or Create an account to join the conversation.
Moderators: Street Fighter LTD
