Loose wires plus charging issues
- hewllia525
-
Topic Author
- Offline
- User
-

Registered
- Posts: 3
- Thanks: 0
Loose wires plus charging issues
08 Feb 2020 15:20 - 08 Feb 2020 15:22
I have a 1982 Kawasaki kz750e it wasn't charging the battery when running so I replaced the stator and voltage regulator but I'm still having charging issues I have found 2 loose wires I have know idea where they go couldn't find anything in the manual it's a black and yellow wire and a white and black wire
Last edit: 08 Feb 2020 15:22 by Street Fighter LTD.
Please Log in or Create an account to join the conversation.
- Street Fighter LTD
-
- Offline
- Moderator
-

Registered
- TURBO, Its Better to be Blown than Injected
- Posts: 5052
- Thanks: 2255
Re: Loose wires plus charging issues
08 Feb 2020 15:24
Welcome to KZRider
Next time you post pictures hit the insert or insert all button
Dave
Next time you post pictures hit the insert or insert all button
Dave
Original owner 78 1000 LTD
Mr Turbo Race Kit, MTC 1075 Turbo pistons by PitStop Performance , Falicon Ultra Lite Super Crank, APE everything. Les Holt @ PDM's Billet Goodies . Frame by Chuck Kurzawa @ Logghe Chassis . Deep sump 5qt oil pan. RIP Bill Hahn
The following user(s) said Thank You: Nessism
Please Log in or Create an account to join the conversation.
- 650ed
-
- Offline
- User
-

Registered
- Posts: 15334
- Thanks: 2830
Re: Loose wires plus charging issues
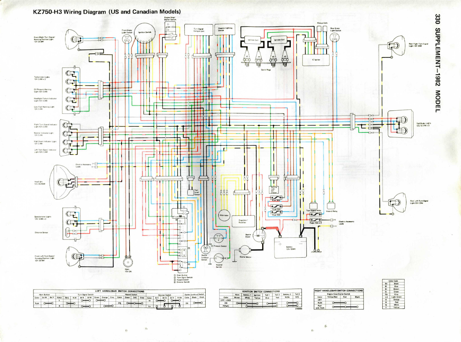
08 Feb 2020 16:45 - 08 Feb 2020 16:47hewllia525 wrote: .......... I have know idea where they go couldn't find anything in the manual it's a black and yellow wire and a white and black wire ..........
Take a look at the manual again. You should see the following wiring diagram. Ed
1977 KZ650-C1 Original Owner - Stock (with additional invisible FIAMM horn)
Last edit: 08 Feb 2020 16:47 by 650ed.
Please Log in or Create an account to join the conversation.
- hewllia525
-
Topic Author
- Offline
- User
-

Registered
- Posts: 3
- Thanks: 0
Re: Loose wires plus charging issues
08 Feb 2020 20:15
I believe it might go to the battery then it's from the orginal harness from the stator it wasn't connected to anything I will try that and then post an update!!
Please Log in or Create an account to join the conversation.
- martin_csr
-
- Offline
- User
-

Registered
- Posts: 7994
- Thanks: 1644
Re: Loose wires plus charging issues
09 Feb 2020 07:33 - 09 Feb 2020 07:58
White-black is probably one of the electrical accessories. If you follow the wire, it probably leads to the acc fuse box nearby.
The black-yellow could be an acc ground & it's kind of paired with the black-white wire. but doesn't go to the acc fuse box.
There's also a white-blue accessory that terminates in the headlight bucket along with another black-yellow acc ground.
The electrical accessories are noted in the wiring diagram.
The black-yellow could be an acc ground & it's kind of paired with the black-white wire. but doesn't go to the acc fuse box.
There's also a white-blue accessory that terminates in the headlight bucket along with another black-yellow acc ground.
The electrical accessories are noted in the wiring diagram.
Last edit: 09 Feb 2020 07:58 by martin_csr.
Please Log in or Create an account to join the conversation.
- hewllia525
-
Topic Author
- Offline
- User
-

Registered
- Posts: 3
- Thanks: 0
Re: Loose wires plus charging issues
11 Mar 2020 16:10
Thanks you everyone for all your help I am happy to report all electrical issues have been and sorted and my 1982 kz750 is back on the road for the first time in a year!! Did a total motor rebuild it's been a journey!!!
Please Log in or Create an account to join the conversation.
Moderators: Street Fighter LTD
