Cam cap dowels
- danam
-
Topic Author
- Offline
- User
-

Registered
- Posts: 36
- Thanks: 7
Cam cap dowels
07 Feb 2026 12:51
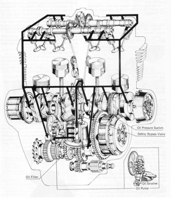
On this 1975 Z1 the dowel pins on the cam caps seem to be installed at random. One has 2 dowels one has none. Are all the bolt holes oil passages or just one under each? Where do these go?
Please Log in or Create an account to join the conversation.
- Warren3200gt
-
- Offline
- User
-

Registered
- Posts: 1720
- Thanks: 907
Last edit: 07 Feb 2026 13:10 by Warren3200gt.
The following user(s) said Thank You: danam
Please Log in or Create an account to join the conversation.
- sf4t7
-
- Offline
- Sustaining Member
-

Registered
- Posts: 986
- Thanks: 812
Re: Cam cap dowels
07 Feb 2026 13:22 - 07 Feb 2026 13:33
As Warren shows there are 2 dowels for each cap located diagonal to each other. Which way is unimportant, as long as they are diagonal. The function is keep the caps aligned correctly. You should also do some digging here on KZR - Wookie has a clever install method using temporary longer bolts with nuts and washers on 2 corners to reduce wear on the aluminum threads during assembly.
Scotty
1974 Z1A
Yoshimura 987, 10.25:1
welded Z1 crank
Andrews 1X Cams
Delkevic 4 into 1
Superbike bars
530 conversion
1974 Z1A
Yoshimura 987, 10.25:1
welded Z1 crank
Andrews 1X Cams
Delkevic 4 into 1
Superbike bars
530 conversion
Last edit: 07 Feb 2026 13:33 by sf4t7.
Please Log in or Create an account to join the conversation.
- danam
-
Topic Author
- Offline
- User
-

Registered
- Posts: 36
- Thanks: 7
Re: Cam cap dowels
07 Feb 2026 13:38
are they oil passages? Some holes seem to be smaller. I would very much like to learn about Wookies install method. Do you have a link?
Please Log in or Create an account to join the conversation.
- Warren3200gt
-
- Offline
- User
-

Registered
- Posts: 1720
- Thanks: 907
Re: Cam cap dowels
07 Feb 2026 13:54 - 07 Feb 2026 14:01
None are oil ways. Oil is supplied to the cam shell bearing through the hole in the bottom cam shell.
the smallers dont have dowles fitted. Larger ones do.
the smallers dont have dowles fitted. Larger ones do.
Last edit: 07 Feb 2026 14:01 by Warren3200gt.
The following user(s) said Thank You: danam, Wookie58
Please Log in or Create an account to join the conversation.
- sf4t7
-
- Offline
- Sustaining Member
-

Registered
- Posts: 986
- Thanks: 812
Re: Cam cap dowels
07 Feb 2026 14:46
Thanks for the correction Warren. Maybe I've been lucky on assembly. But then again I'm good at putting things back in the holes they came from...
Scotty
1974 Z1A
Yoshimura 987, 10.25:1
welded Z1 crank
Andrews 1X Cams
Delkevic 4 into 1
Superbike bars
530 conversion
1974 Z1A
Yoshimura 987, 10.25:1
welded Z1 crank
Andrews 1X Cams
Delkevic 4 into 1
Superbike bars
530 conversion
The following user(s) said Thank You: Warren3200gt, danam
Please Log in or Create an account to join the conversation.
- Wookie58
-
- Offline
- Moderator
-

Registered
- Posts: 6140
- Thanks: 3879
Re: Cam cap dowels
08 Feb 2026 02:07Link below - I like his method as there is no rotational force being applied to those 50 year old threadsare they oil passages? Some holes seem to be smaller. I would very much like to learn about Wookies install method. Do you have a link?
Specs/Info on RC424 Cams (Russ Collins) - KZRider Forum - KZRider, KZ, Z1 & Z Motorcycle Enthusiast's Forum
1982 KZ1000 Ltd
www.kzrider.com/forum/11-projects/617631...-82-begins?start=192
kzrider.com/filebase-alias?view=download...d-fault-diagnosis&ca
www.kzrider.com/forum/11-projects/617631...-82-begins?start=192
kzrider.com/filebase-alias?view=download...d-fault-diagnosis&ca
The following user(s) said Thank You: krazee1
Please Log in or Create an account to join the conversation.
- sf4t7
-
- Offline
- Sustaining Member
-

Registered
- Posts: 986
- Thanks: 812
Re: Cam cap dowels
08 Feb 2026 10:14 - 08 Feb 2026 10:36
The change I made to the process is that I use 2 extra extra long fully threaded bolts at opposite corners of the cap with a nut and flat washer up near the bolt head. After bottoming each bolt in the aluminum thread I then can tighten the cap down by turning the nut only, and there is no wear on the aluminum threads. Then install 2 correct bolts tight in the remaining two corner holes (the cap is already pulled down flush).
You'll need eight extra long full thread bolts with nuts and flat washers. I use 70mm long fully threaded. When all caps are snug with 2 long and 2 correct length you can swap in the rest of the correct bolts. Then torque all bolts to 60 INCH-pounds
You'll need eight extra long full thread bolts with nuts and flat washers. I use 70mm long fully threaded. When all caps are snug with 2 long and 2 correct length you can swap in the rest of the correct bolts. Then torque all bolts to 60 INCH-pounds
Scotty
1974 Z1A
Yoshimura 987, 10.25:1
welded Z1 crank
Andrews 1X Cams
Delkevic 4 into 1
Superbike bars
530 conversion
1974 Z1A
Yoshimura 987, 10.25:1
welded Z1 crank
Andrews 1X Cams
Delkevic 4 into 1
Superbike bars
530 conversion
Last edit: 08 Feb 2026 10:36 by sf4t7.
The following user(s) said Thank You: Wookie58
Please Log in or Create an account to join the conversation.
- danam
-
Topic Author
- Offline
- User
-

Registered
- Posts: 36
- Thanks: 7
Re: Cam cap dowels
12 Feb 2026 20:27 - 12 Feb 2026 20:29
Interesting strategy using studs, If I find my self installing the cams more I will consider that. I saw someone mention a Suzuki tech tip, using vice grips to push the cam down and relieve the pressure from the cam cap when tightening. Would this work on a Z1 (would there even be space to do it)? One thing I hate about cam installs is using the cam cap to push down on the cam. Currently the way the manual reccomends just seems awkward, I feel like I'm damaging something.
Last edit: 12 Feb 2026 20:29 by danam.
Please Log in or Create an account to join the conversation.
- Wookie58
-
- Offline
- Moderator
-

Registered
- Posts: 6140
- Thanks: 3879
Re: Cam cap dowels
13 Feb 2026 00:02
The clamp method will work, not quite as controllable as studs for releasing the tension and may leave scratches on the head. Really just a question of preference
1982 KZ1000 Ltd
www.kzrider.com/forum/11-projects/617631...-82-begins?start=192
kzrider.com/filebase-alias?view=download...d-fault-diagnosis&ca
www.kzrider.com/forum/11-projects/617631...-82-begins?start=192
kzrider.com/filebase-alias?view=download...d-fault-diagnosis&ca
Please Log in or Create an account to join the conversation.
- hardrockminer
-
- Offline
- Sustaining Member
-

Registered
- Posts: 3125
- Thanks: 1233
Re: Cam cap dowels
13 Feb 2026 04:05
I use a can of compressed air to completely clean anything from the bolt holes before assembly. For holes on the cases I chase them all with a tap and clean the bolts with a wire brush. It takes some time but it makes reassembly much easier and avoids any thread damage to the holes.
I have several restored bikes along with a 2006 Goldwing with a sidecar.
The following user(s) said Thank You: MFP-Joe, Wookie58
Please Log in or Create an account to join the conversation.
- bry195
-
- Offline
- User
-

Registered
- Posts: 64
- Thanks: 26
Re: Cam cap dowels
14 Feb 2026 19:20
Wookie, do you have any concerns over having two failure points instead of 1? For example, vibration working on the nut and the stud? Not a trick question. its not something that I can really say is good or bad because that can only come from lab testing or just trying it.
Please Log in or Create an account to join the conversation.
Moderators: Street Fighter LTD
