KZ1000 Oil Flow Path
- MJinCO
-
Topic Author
- Offline
- User
-

Registered
- Posts: 65
- Thanks: 12
KZ1000 Oil Flow Path
02 Jan 2024 16:35
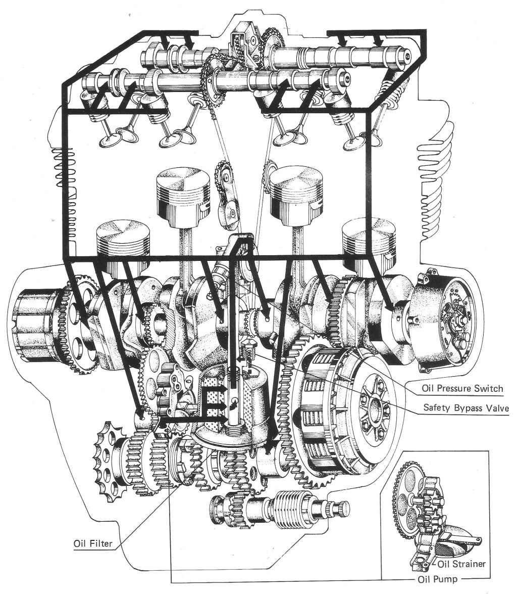
New to the KZ motors, what is the oil flow path? How does oil get up to and back down from the cam area
Please Log in or Create an account to join the conversation.
- Street Fighter LTD
-
- Offline
- Moderator
-

Registered
- TURBO, Its Better to be Blown than Injected
- Posts: 5099
- Thanks: 2292
Re: KZ1000 Oil Flow Path
02 Jan 2024 17:18
Manual has a diagram
Oil pump to main gallery
up the outside rear cylinder studs ( Around them , not thru them )
then thru head passages to cams
Oil gravity flows down to sump thru cam chain tunnel in center of motor
Oil pump to main gallery
up the outside rear cylinder studs ( Around them , not thru them )
then thru head passages to cams
Oil gravity flows down to sump thru cam chain tunnel in center of motor
Original owner 78 1000 LTD
Mr Turbo Race Kit, MTC 1075 Turbo pistons by PitStop Performance , Falicon Ultra Lite Super Crank, APE everything. Les Holt @ PDM's Billet Goodies . Frame by Chuck Kurzawa @ Logghe Chassis . Deep sump 5qt oil pan. RIP Bill Hahn
The following user(s) said Thank You: Nessism
Please Log in or Create an account to join the conversation.
- slmjim+Z1BEBE
-
- Offline
- User
-

Registered
- Enjoy Life! IT HAS AN EXPIRATION DATE!
- Posts: 1477
- Thanks: 973
Re: KZ1000 Oil Flow Path
03 Jan 2024 06:41 - 03 Jan 2024 06:45
From The Z1 'White Manual'. Doesn't illustrate well the continuous-flow splash output to the starter gear/dyno area. Your KZ1K is the same.
Good Ridin'
slmjim & Z1BEBE
Good Ridin'
slmjim & Z1BEBE
A biker looks at your engine and chrome.
A Rider looks at your odometer and tags.
1973 ('72 builds) Z1 x2
1974 Z1-A x2
1975 Z1-B x2
1993 CB 750 Nighthawk x2
2009 ST1300A
www.kawasaki-z-classik.com
A Forum tightly focused on all things Z1 and Z2.
A Rider looks at your odometer and tags.
1973 ('72 builds) Z1 x2
1974 Z1-A x2
1975 Z1-B x2
1993 CB 750 Nighthawk x2
2009 ST1300A
www.kawasaki-z-classik.com
A Forum tightly focused on all things Z1 and Z2.
Last edit: 03 Jan 2024 06:45 by slmjim+Z1BEBE.
The following user(s) said Thank You: Mikaw
Please Log in or Create an account to join the conversation.
- MJinCO
-
Topic Author
- Offline
- User
-

Registered
- Posts: 65
- Thanks: 12
Please Log in or Create an account to join the conversation.
- martin_csr
-
- Offline
- User
-

Registered
- Posts: 7994
- Thanks: 1646
Re: KZ1000 Oil Flow Path
06 Jan 2024 16:40 - 06 Jan 2024 16:44
From the Kawasaki 1978-80 KZ1000 FSM pdf. It may be linked here on KZR.
The manual has several paragraphs describing the engine lubrication.
The manual has several paragraphs describing the engine lubrication.
Last edit: 06 Jan 2024 16:44 by martin_csr.
The following user(s) said Thank You: howardhb
Please Log in or Create an account to join the conversation.
Moderators: Street Fighter LTD
