Reg Rec conversion
- leverton903@virginmedia.com
-
Topic Author
- Offline
- User
-

Registered
- Posts: 3
- Thanks: 0
Reg Rec conversion
21 Sep 2025 09:47
Hi guys ,this my first post so I,ll crack on .
all my bikes over the years have been KZ Kawasaki s of various sizes from 305LTD to KZ 1200 Voyager ,
but now as I get older, I need smaller so I have B1 750 twin I have fitted it with a combined regrec unit, connected the wires as told
but there are 2 wires left coming from the alternator ,brown and a green shieved in cloth
any body help me out please
Ted
all my bikes over the years have been KZ Kawasaki s of various sizes from 305LTD to KZ 1200 Voyager ,
but now as I get older, I need smaller so I have B1 750 twin I have fitted it with a combined regrec unit, connected the wires as told
but there are 2 wires left coming from the alternator ,brown and a green shieved in cloth
any body help me out please
Ted
Please Log in or Create an account to join the conversation.
- Wookie58
-
- Offline
- Moderator
-

Registered
- Posts: 5996
- Thanks: 3764
Re: Reg Rec conversion
21 Sep 2025 12:31
Welcome from the UK
1982 KZ1000 Ltd
www.kzrider.com/forum/11-projects/617631...-82-begins?start=192
kzrider.com/filebase-alias?view=download...d-fault-diagnosis&ca
www.kzrider.com/forum/11-projects/617631...-82-begins?start=192
kzrider.com/filebase-alias?view=download...d-fault-diagnosis&ca
Please Log in or Create an account to join the conversation.
- H1Vindicator
-
- Offline
- User
-

Registered
- Posts: 822
- Thanks: 141
Re: Reg Rec conversion
22 Sep 2025 06:48 - 22 Sep 2025 07:21
incorrect info. deleted. for different charging system. thanks for the correction.
Last edit: 22 Sep 2025 07:21 by H1Vindicator.
Please Log in or Create an account to join the conversation.
- Wookie58
-
- Offline
- Moderator
-

Registered
- Posts: 5996
- Thanks: 3764
Re: Reg Rec conversion
22 Sep 2025 07:14
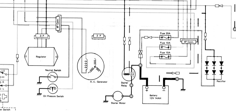
According to the below B1 diagram this bike has a "field coil" charging system. That being the case the brown is ignition live and the green is the control wire that should go to the reg/rec. Previous comment relates to "permanent magnet" charging systems
1982 KZ1000 Ltd
www.kzrider.com/forum/11-projects/617631...-82-begins?start=192
kzrider.com/filebase-alias?view=download...d-fault-diagnosis&ca
www.kzrider.com/forum/11-projects/617631...-82-begins?start=192
kzrider.com/filebase-alias?view=download...d-fault-diagnosis&ca
Please Log in or Create an account to join the conversation.
- gd4now
-
- Offline
- User
-

Registered
- Denco where did you go?
- Posts: 1638
- Thanks: 651
Re: Reg Rec conversion
22 Sep 2025 08:42
What or who provided the new reg/rec combo unit? How many wires does it have. As Wookie indicated the stock system on a 750 B1 is an excited field system and not a permenet magnet system. I am not sure where in the world you are located or where the bike was intended to be sold stock. So I have attached both wiring diagrams for a US and European version.
1977 KZ650 B1
Pods and Denco header
OLD KAW OWNERS SMILE ALOT
Pods and Denco header
OLD KAW OWNERS SMILE ALOT
The following user(s) said Thank You: Wookie58
Please Log in or Create an account to join the conversation.
Moderators: Street Fighter LTD
