Charging/battery issue
- nbamtx
-
Topic Author
- Offline
- User
-

Registered
- Posts: 7
- Thanks: 1
Charging/battery issue
27 Jul 2025 11:55
Hi, I have just picked up a 1979 cafe racer KZ400.
Rode it about 10 miles back fine and wouldnt start the next day.
Battery was flat so i charged it in hope of it working (I have a smart charger) but this got me about 2 miles down the road before dying, which made for a slightly annoying walk back.
My problem is finding the right parts, the bike has a lithium ion battery (and antigravity 401) which is small but should be big enough. I believe the reg/rectifier is completely wrong (attached image) so was looking for a recommendation of one suitable for lithium ion and are all the stators the same for the 400 engine? As i will changing that out whilst im there as well
Rode it about 10 miles back fine and wouldnt start the next day.
Battery was flat so i charged it in hope of it working (I have a smart charger) but this got me about 2 miles down the road before dying, which made for a slightly annoying walk back.
My problem is finding the right parts, the bike has a lithium ion battery (and antigravity 401) which is small but should be big enough. I believe the reg/rectifier is completely wrong (attached image) so was looking for a recommendation of one suitable for lithium ion and are all the stators the same for the 400 engine? As i will changing that out whilst im there as well
Please Log in or Create an account to join the conversation.
- Wookie58
-
- Offline
- Moderator
-

Registered
- Posts: 5926
- Thanks: 3712
Re: Charging/battery issue
28 Jul 2025 01:33
I would hold off throwing parts at it until you get the R/R sorted. There are two different types of charging system on the 400's. Since you have a separate rectifier in your hand I suspect yours had the early field coil charging system. This will need a very specific R/R and some wiring mods to make it work. You firstly need to establish which charging system you have (how many wires and what colour are they on the "regulator")
Ricks can advise you on which R/R you need once you know what you have
Aftermarket Motorsport Parts & Kits Superstore - Charging, Starting, Ignition
Ricks can advise you on which R/R you need once you know what you have
Aftermarket Motorsport Parts & Kits Superstore - Charging, Starting, Ignition
1982 KZ1000 Ltd
www.kzrider.com/forum/11-projects/617631...-82-begins?start=192
kzrider.com/filebase-alias?view=download...d-fault-diagnosis&ca
www.kzrider.com/forum/11-projects/617631...-82-begins?start=192
kzrider.com/filebase-alias?view=download...d-fault-diagnosis&ca
Please Log in or Create an account to join the conversation.
- nbamtx
-
Topic Author
- Offline
- User
-

Registered
- Posts: 7
- Thanks: 1
Re: Charging/battery issue
30 Jul 2025 08:14
Hi, thanks for the reply, are there any thread on here about what kind of wiring mods need to be done?
Please Log in or Create an account to join the conversation.
- Wookie58
-
- Offline
- Moderator
-

Registered
- Posts: 5926
- Thanks: 3712
Re: Charging/battery issue
30 Jul 2025 10:07Once you know what you have I can help you with thatHi, thanks for the reply, are there any thread on here about what kind of wiring mods need to be done?
1982 KZ1000 Ltd
www.kzrider.com/forum/11-projects/617631...-82-begins?start=192
kzrider.com/filebase-alias?view=download...d-fault-diagnosis&ca
www.kzrider.com/forum/11-projects/617631...-82-begins?start=192
kzrider.com/filebase-alias?view=download...d-fault-diagnosis&ca
Please Log in or Create an account to join the conversation.
- gd4now
-
- Offline
- User
-

Registered
- Denco where did you go?
- Posts: 1631
- Thanks: 643
Re: Charging/battery issue
30 Jul 2025 10:11 - 30 Jul 2025 10:12
I am sure there are many posts/topics depending upon which type of system your machine has. An excited field or permanent magnetic system, as they each require a different type of voltage regular.
1977 KZ650 B1
Pods and Denco header
OLD KAW OWNERS SMILE ALOT
Pods and Denco header
OLD KAW OWNERS SMILE ALOT
Last edit: 30 Jul 2025 10:12 by gd4now.
Please Log in or Create an account to join the conversation.
- nbamtx
-
Topic Author
- Offline
- User
-

Registered
- Posts: 7
- Thanks: 1
Re: Charging/battery issue
30 Jul 2025 11:22
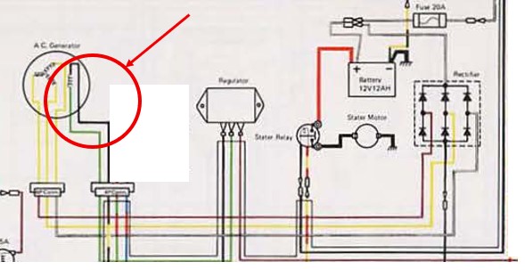
It is this kind of stator, it has 3 yellow wires from the rectifier and green brown and black wires to the regulator
Please Log in or Create an account to join the conversation.
- Wookie58
-
- Offline
- Moderator
-

Registered
- Posts: 5926
- Thanks: 3712
Re: Charging/battery issue
30 Jul 2025 12:24
This is a "field coil" system - make sure you tell your supplier this when ordering your reg/rec. Once you have it I will explain converting the wiring to a combined regulator/rectifier
1982 KZ1000 Ltd
www.kzrider.com/forum/11-projects/617631...-82-begins?start=192
kzrider.com/filebase-alias?view=download...d-fault-diagnosis&ca
www.kzrider.com/forum/11-projects/617631...-82-begins?start=192
kzrider.com/filebase-alias?view=download...d-fault-diagnosis&ca
Please Log in or Create an account to join the conversation.
- nbamtx
-
Topic Author
- Offline
- User
-

Registered
- Posts: 7
- Thanks: 1
Re: Charging/battery issue
30 Jul 2025 13:17
I did actually order a ricks electrics reg/rec the other day which arrived late today. Like 99% sure its the right one. The product number is 14_320 which it did show as for a bike with a field coil generator.
Please Log in or Create an account to join the conversation.
- Wookie58
-
- Offline
- Moderator
-

Registered
- Posts: 5926
- Thanks: 3712
Re: Charging/battery issue
30 Jul 2025 13:32If you are unsure about fitting it just post the fitting instructions it came with and I will talk you through itI did actually order a ricks electrics reg/rec the other day which arrived late today. Like 99% sure its the right one. The product number is 14_320 which it did show as for a bike with a field coil generator.
1982 KZ1000 Ltd
www.kzrider.com/forum/11-projects/617631...-82-begins?start=192
kzrider.com/filebase-alias?view=download...d-fault-diagnosis&ca
www.kzrider.com/forum/11-projects/617631...-82-begins?start=192
kzrider.com/filebase-alias?view=download...d-fault-diagnosis&ca
Please Log in or Create an account to join the conversation.
- nbamtx
-
Topic Author
- Offline
- User
-

Registered
- Posts: 7
- Thanks: 1
Re: Charging/battery issue
31 Jul 2025 10:06
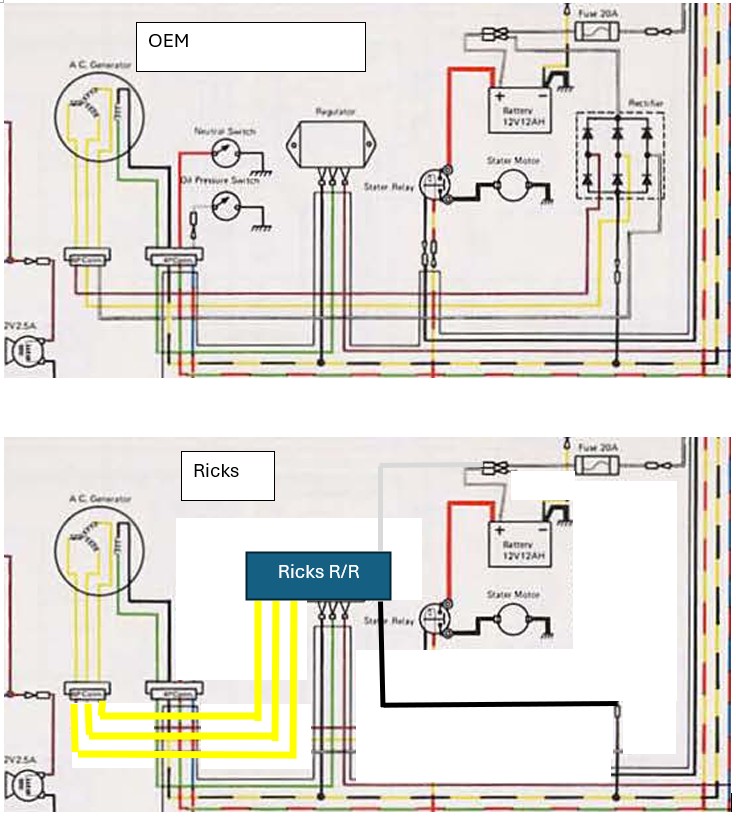
These were the instructions I got, im happy with the regulator as thats pretty plug and play, just need some guidance for the rectifier side, thanks for being patient with me 😂
Please Log in or Create an account to join the conversation.
- Wookie58
-
- Offline
- Moderator
-

Registered
- Posts: 5926
- Thanks: 3712
Re: Charging/battery issue
31 Jul 2025 11:08
1982 KZ1000 Ltd
www.kzrider.com/forum/11-projects/617631...-82-begins?start=192
kzrider.com/filebase-alias?view=download...d-fault-diagnosis&ca
www.kzrider.com/forum/11-projects/617631...-82-begins?start=192
kzrider.com/filebase-alias?view=download...d-fault-diagnosis&ca
Please Log in or Create an account to join the conversation.
- nbamtx
-
Topic Author
- Offline
- User
-

Registered
- Posts: 7
- Thanks: 1
Re: Charging/battery issue
01 Aug 2025 08:49
Thanks for your help, the diagram was really useful, do need a new battery as i think the old reg/rectifier overcharged it but with a spare battery I had i was able to confirm its charging at 13.8v!
The following user(s) said Thank You: Wookie58
Please Log in or Create an account to join the conversation.
Moderators: Street Fighter LTD
