Zukey Lake wrenchfest May 17th
- gd4now
-
- Offline
- User
-

Registered
- Denco where did you go?
- Posts: 1640
- Thanks: 651
Re: Zukey Lake wrenchfest May 17th
05 Jul 2024 11:08
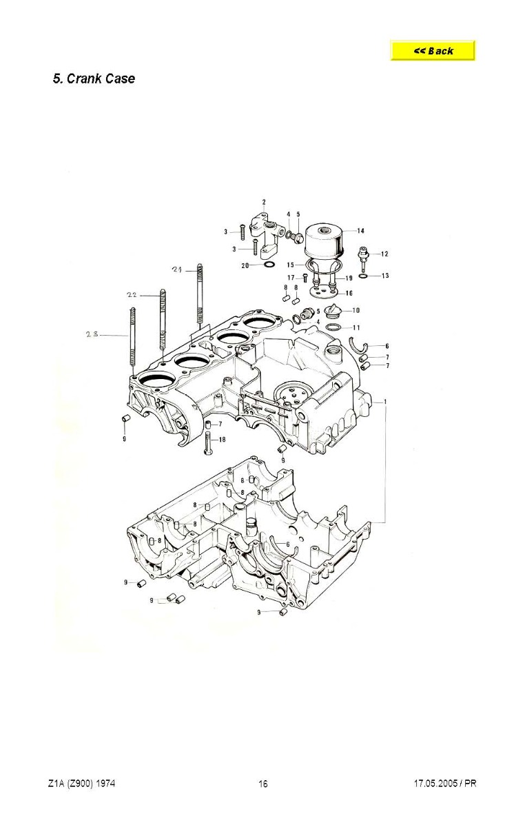
Not sure if this will be of any more help or not, but found this on a parts list for the 74 Z1A, which shows only 3 different sizes and the locations they should go.
1977 KZ650 B1
Pods and Denco header
OLD KAW OWNERS SMILE ALOT
Pods and Denco header
OLD KAW OWNERS SMILE ALOT
Please Log in or Create an account to join the conversation.
- Mikaw
-
- Offline
- Sustaining Member
-

Registered
- Posts: 4825
- Thanks: 1852
Re: Zukey Lake wrenchfest May 17th
05 Jul 2024 17:13
That’s the overall lengths I measured. Thank you for the post. Not sure where all the other sizes come from.
1976 KZ 900 A4
kzrider.com/forum/11-projects/613548-1976-kz-900-a4
1976 KZ 900 B1 LTD
1978 KZ 1000 B2 LTD
1980 KZ 750 E1
Kowledge Speaks, But Wisdom Listens.
Jimi Hendrix.
1976 KZ 900 B1 LTD
1978 KZ 1000 B2 LTD
1980 KZ 750 E1
Kowledge Speaks, But Wisdom Listens.
Jimi Hendrix.
Please Log in or Create an account to join the conversation.
- gd4now
-
- Offline
- User
-

Registered
- Denco where did you go?
- Posts: 1640
- Thanks: 651
Re: Zukey Lake wrenchfest May 17th
05 Jul 2024 19:35
I have no idea why the differences in length. Will say I am certainly happy of the fact there is still parts lists on the Kaw site, which several other sites appear to make use of. Do I trust it, not like I did in the past, but hey it is there to make use of how ever one thinks is correct
1977 KZ650 B1
Pods and Denco header
OLD KAW OWNERS SMILE ALOT
Pods and Denco header
OLD KAW OWNERS SMILE ALOT
Please Log in or Create an account to join the conversation.
- Wheelhop
-
- Offline
- Sustaining Member
-

Registered
- Posts: 526
- Thanks: 314
Re: Zukey Lake wrenchfest May 17th
06 Jul 2024 10:35
One of the only other factors I might toss into the fire is that (I believe) the 1973 and early 1974 engines had shorter "head" nuts which may have accounted for the length of the stud being changed.
1978 KZ 1000B (73 tribute)
1977 KZ1000 project
1976 KZ 900
1976 KV 75
1976 Honda Elsinore MT250
1974 Z1 900 project
1971 Honda CT70
2000 ZRX 1100
1977 KZ1000 project
1976 KZ 900
1976 KV 75
1976 Honda Elsinore MT250
1974 Z1 900 project
1971 Honda CT70
2000 ZRX 1100
Please Log in or Create an account to join the conversation.
- Street Fighter LTD
-
Topic Author
- Offline
- Moderator
-

Registered
- TURBO, Its Better to be Blown than Injected
- Posts: 5069
- Thanks: 2275
Re: Zukey Lake wrenchfest May 17th
08 Jul 2024 16:04
MEETING POSTING
The next Zukey wrench fest will be in August
Aug 23rd , 24th, and 25th
All Kaw nuts are welcome
Just let us know
Dave DD
The next Zukey wrench fest will be in August
Aug 23rd , 24th, and 25th
All Kaw nuts are welcome
Just let us know
Dave DD
Original owner 78 1000 LTD
Mr Turbo Race Kit, MTC 1075 Turbo pistons by PitStop Performance , Falicon Ultra Lite Super Crank, APE everything. Les Holt @ PDM's Billet Goodies . Frame by Chuck Kurzawa @ Logghe Chassis . Deep sump 5qt oil pan. RIP Bill Hahn
The following user(s) said Thank You: Mikaw, Wheelhop
Please Log in or Create an account to join the conversation.
Moderators: Street Fighter LTD
