Hope this forum is non-denomenational for a desperate member
- chopper1963
-
Topic Author
- Offline
- User
-

Registered
- Posts: 302
- Thanks: 57
Hope this forum is non-denomenational for a desperate member
23 May 2024 18:04
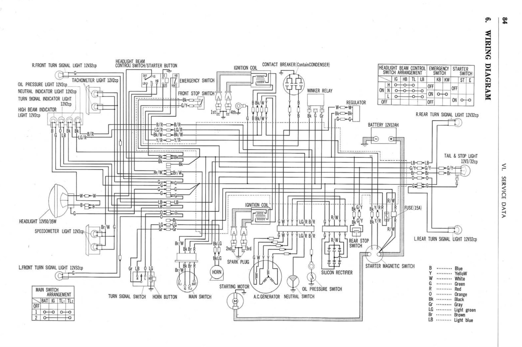
My 1975 CB400F. Beautiful bike. Is currently dead as a doornail. It ran one minute and was 100% dead the next. No light, no spark, no nothing. Changed to known good battery. Dead. Changed all fuses. Dead. Jiggled all the grounds and etc still dead. It will spin over if I jump the solinoide.
Anyone have any ideas? Wiring schematic posted here.
Where do I check this with my meter?
Any help appreciated. Very frustrating.
Anyone have any ideas? Wiring schematic posted here.
Where do I check this with my meter?
Any help appreciated. Very frustrating.
Please Log in or Create an account to join the conversation.
- F64
-
- Offline
- User
-

Registered
- 81-KZ440D2
- Posts: 1144
- Thanks: 415
Re: Hope this forum is non-denomenational for a desperate member
23 May 2024 18:15 - 23 May 2024 18:19
Is this a stock bike with stock wiring?
key switch on
kill switch set to run
meter DC V
black probe on negative battery post(post is the metal part of the battery)
red probe on positive battery post
note voltage
move your red probe to the fuses.
measure both sides of each fuse
what are the readings?
turn the key off
key switch on
kill switch set to run
meter DC V
black probe on negative battery post(post is the metal part of the battery)
red probe on positive battery post
note voltage
move your red probe to the fuses.
measure both sides of each fuse
what are the readings?
turn the key off
81-KZ440-D2.
Louis Dudzik's GM HEI ignitor conversion installed 2015 s3.amazonaws.com/gpzweb/Ignition/GPZgmHEImod.html
Motogadget m-unit blue installed 2017.
LIC, NY
Louis Dudzik's GM HEI ignitor conversion installed 2015 s3.amazonaws.com/gpzweb/Ignition/GPZgmHEImod.html
Motogadget m-unit blue installed 2017.
LIC, NY
Last edit: 23 May 2024 18:19 by F64.
The following user(s) said Thank You: chopper1963
Please Log in or Create an account to join the conversation.
- Kelly E
-
- Offline
- User
-

Registered
- Never Give Up. Never Surrender
- Posts: 487
- Thanks: 380
Re: Hope this forum is non-denomenational for a desperate member
23 May 2024 18:35
The best place for the help you need is sohc4.net
The Rust Bros. Garage Collection
1974 Honda CB 550 K0
1975 Honda CB 400F Super Sport
1977 Kawasaki KZ 1000 LTD
1978 Kawasaki KL 250
1980 Suzuki GS 1100E
1983 Honda CB 1100F
1984 Honda Sabre 700
1984 Honda Interceptor 1000
1990 Moto Guzzi 1000
1994 Kawasaki ZG 1000 Concours
And more
1974 Honda CB 550 K0
1975 Honda CB 400F Super Sport
1977 Kawasaki KZ 1000 LTD
1978 Kawasaki KL 250
1980 Suzuki GS 1100E
1983 Honda CB 1100F
1984 Honda Sabre 700
1984 Honda Interceptor 1000
1990 Moto Guzzi 1000
1994 Kawasaki ZG 1000 Concours
And more
The following user(s) said Thank You: !Seymore, chopper1963
Please Log in or Create an account to join the conversation.
- chopper1963
-
Topic Author
- Offline
- User
-

Registered
- Posts: 302
- Thanks: 57
Re: Hope this forum is non-denomenational for a desperate member
23 May 2024 19:50
I've been trying to gain a user name there to post but no dice. My profile never gets approved so I thought I'd try here. Thanks F64.
Please Log in or Create an account to join the conversation.
- F64
-
- Offline
- User
-

Registered
- 81-KZ440D2
- Posts: 1144
- Thanks: 415
Re: Hope this forum is non-denomenational for a desperate member
23 May 2024 20:09 - 23 May 2024 20:11
Before you turn your key off
move the red probe to the ignition switch connector and probe each of the 4 wires.. all should have battery voltage.
turn off bike
move the red probe to the ignition switch connector and probe each of the 4 wires.. all should have battery voltage.
turn off bike
81-KZ440-D2.
Louis Dudzik's GM HEI ignitor conversion installed 2015 s3.amazonaws.com/gpzweb/Ignition/GPZgmHEImod.html
Motogadget m-unit blue installed 2017.
LIC, NY
Louis Dudzik's GM HEI ignitor conversion installed 2015 s3.amazonaws.com/gpzweb/Ignition/GPZgmHEImod.html
Motogadget m-unit blue installed 2017.
LIC, NY
Last edit: 23 May 2024 20:11 by F64.
The following user(s) said Thank You: chopper1963, Wookie58
Please Log in or Create an account to join the conversation.
- asphalt900
-
- Offline
- Sustaining Member
-

Registered
- Posts: 1522
- Thanks: 1014
Re: Hope this forum is non-denomenational for a desperate member
24 May 2024 04:36
What are the odds, ha. Check you're ignition switch as mentioned, they fail but the switch can be replaced without changing the key tumbler. Also your clutch lock-out switch. Then..notorious crappy designed (Start-Headlight Out) switch in RH switchblock lower. These seem to always fail. It combines starter function and turning headlight off during the process. Lots of times they will come out in pieces.
The following user(s) said Thank You: chopper1963
Please Log in or Create an account to join the conversation.
- chopper1963
-
Topic Author
- Offline
- User
-

Registered
- Posts: 302
- Thanks: 57
Re: Hope this forum is non-denomenational for a desperate member
24 May 2024 05:24
<<<The best place for the help you need is sohc4.net>>
Does anyone know an admin there who can get my membership okayed?
Does anyone know an admin there who can get my membership okayed?
Please Log in or Create an account to join the conversation.
- chopper1963
-
Topic Author
- Offline
- User
-

Registered
- Posts: 302
- Thanks: 57
Re: Hope this forum is non-denomenational for a desperate member
24 May 2024 05:25
Same bike! Same color. You can hit that blue with the polisher and it will come alive.
Please Log in or Create an account to join the conversation.
- chopper1963
-
Topic Author
- Offline
- User
-

Registered
- Posts: 302
- Thanks: 57
Re: Hope this forum is non-denomenational for a desperate member
24 May 2024 05:26
God bless you F64.
Please Log in or Create an account to join the conversation.
- ThatGPzGuy
-
- Offline
- Sustaining Member
-

Registered
- More Sparky than Speed Racer
- Posts: 1522
- Thanks: 402
Re: Hope this forum is non-denomenational for a desperate member
24 May 2024 05:38
Honestly, one of the prettiest bikes ever made. Good luck with the F.
Jim
North GA
2016 Yamaha FJR1300ES
1982 GPz750 R1
1974 Kawasaki H1
1976 Kawasaki KZ400
1979 Yamaha XS650 cafe'
2001 KZ1000P (sold)
2001 Yamaha YZ426
1981 Honda XR200 stroked in an '89 CR125 chassis
1965 Mustang
1967 Triumph GT6
1976 Bronco
"If you didn't build it, it's not really yours"
North GA
2016 Yamaha FJR1300ES
1982 GPz750 R1
1974 Kawasaki H1
1976 Kawasaki KZ400
1979 Yamaha XS650 cafe'
2001 KZ1000P (sold)
2001 Yamaha YZ426
1981 Honda XR200 stroked in an '89 CR125 chassis
1965 Mustang
1967 Triumph GT6
1976 Bronco
"If you didn't build it, it's not really yours"
Please Log in or Create an account to join the conversation.
- DOHC
-
- Offline
- Sustaining Member
-

Registered
- Those Doe-Hawks really go!
- Posts: 1269
- Thanks: 598
Re: Hope this forum is non-denomenational for a desperate member
24 May 2024 05:59Honestly, one of the prettiest bikes ever made. Good luck with the F.
I totally agree. The 400F has always been that one 70's CB model that really stood out to me. They are super cool. I've never had a chance to ride one...
'78 Z1-R in blue
, '78 Z1-R in black,
'78 Z1-R in pieces
My dad's '74 Z1
'00 ZRX1100
My dad's '74 Z1
'00 ZRX1100
Please Log in or Create an account to join the conversation.
- asphalt900
-
- Offline
- Sustaining Member
-

Registered
- Posts: 1522
- Thanks: 1014
Re: Hope this forum is non-denomenational for a desperate member
24 May 2024 06:30
But...don't forget about the "Original"! Missing a gear, pistons the size of dollar pieces and not as sporty, still cool birds. You Z1 fellas with them ramp-over complex 28SC's. These 350-400's shared the same Mikuni design except that Honda used o-rings on the float bowls, Z1 and following designs of the VM didn't. We missed out. The Father and Son that own these have had them some 20+ years and haven't ran for just as long. I'm just a helping to bring them back. The Achilles heal of these was the "shoehorn" camchain adjuster under the crankshaft and sliders. These seem to be good though, gotta know how to adjust them helps too. He's got 3 more of them too, ha.
The following user(s) said Thank You: Rolf1976_KZ900
Please Log in or Create an account to join the conversation.
Moderators: Street Fighter LTD
