1976 KZ400 D3 Restore Project
- Scirocco
-
- Offline
- Premium Member
-

Registered
- Never change a running system
- Posts: 4398
- Thanks: 2260
Re: 1976 KZ400 D3 Restore Project
31 Mar 2018 15:35
As promised some pics form the valve seal pusher( for 7,00 and 8,00 mm valve stem ).
It will took some time to upload, have poor Internet speed. My ISP fu**ed my port repair.
It will took some time to upload, have poor Internet speed. My ISP fu**ed my port repair.
My 1975 Z 1 B 900 Project
www.kzrider.com/forum/11-projects/605133...ears-deep-sleep-mode
www.kzrider.com/forum/11-projects/605133...ears-deep-sleep-mode
Please Log in or Create an account to join the conversation.
- Scirocco
-
- Offline
- Premium Member
-

Registered
- Never change a running system
- Posts: 4398
- Thanks: 2260
Re: 1976 KZ400 D3 Restore Project
31 Mar 2018 15:42 - 31 Mar 2018 15:51
The valve stem condom thing. The red once are for 6,00 mm valve stems (16 valve engine)
I show the drink straw method with BMW valve stem seals.
Michael
I show the drink straw method with BMW valve stem seals.
Michael
My 1975 Z 1 B 900 Project
www.kzrider.com/forum/11-projects/605133...ears-deep-sleep-mode
www.kzrider.com/forum/11-projects/605133...ears-deep-sleep-mode
Last edit: 31 Mar 2018 15:51 by Scirocco.
The following user(s) said Thank You: TexasKZ, Wozza, Jack_Mills
Please Log in or Create an account to join the conversation.
- Jack_Mills
-
Topic Author
- Offline
- Sustaining Member
-

Registered
- Posts: 165
- Thanks: 17
Re: 1976 KZ400 D3 Restore Project
02 Apr 2018 14:03
Have any of yinz ever painted/powdered the plastic piece of the top of the 400 carbs? Or have you powdered the top and baked at 400 and the plastic piece didn’t melt?
74 kz400 D1
75 kz400 D2
75 kz400 D2
75 kz400 D2
76 kz400 D3
76 kz400 D3
77 kz400 A1
78 kz400 B1
80 xl80s
81 kz440 B2
81 GL1100
81 xl80s
81 xr80
96 K1100LT
18 HAWK250
Thanks goes out to all folks who share their great knowledge teaching others about classic metric motorcycles.
75 kz400 D2
75 kz400 D2
75 kz400 D2
76 kz400 D3
76 kz400 D3
77 kz400 A1
78 kz400 B1
80 xl80s
81 kz440 B2
81 GL1100
81 xl80s
81 xr80
96 K1100LT
18 HAWK250
Thanks goes out to all folks who share their great knowledge teaching others about classic metric motorcycles.
Please Log in or Create an account to join the conversation.
- Jack_Mills
-
Topic Author
- Offline
- Sustaining Member
-

Registered
- Posts: 165
- Thanks: 17
Re: 1976 KZ400 D3 Restore Project
02 Apr 2018 19:45
Well this new illusion powder is tits! and you can put the top of the carbs in and the plastic piece does not melt
Attachment not found
Attachment not found
Attachment not found
Attachment not found
74 kz400 D1
75 kz400 D2
75 kz400 D2
75 kz400 D2
76 kz400 D3
76 kz400 D3
77 kz400 A1
78 kz400 B1
80 xl80s
81 kz440 B2
81 GL1100
81 xl80s
81 xr80
96 K1100LT
18 HAWK250
Thanks goes out to all folks who share their great knowledge teaching others about classic metric motorcycles.
75 kz400 D2
75 kz400 D2
75 kz400 D2
76 kz400 D3
76 kz400 D3
77 kz400 A1
78 kz400 B1
80 xl80s
81 kz440 B2
81 GL1100
81 xl80s
81 xr80
96 K1100LT
18 HAWK250
Thanks goes out to all folks who share their great knowledge teaching others about classic metric motorcycles.
Please Log in or Create an account to join the conversation.
- Jack_Mills
-
Topic Author
- Offline
- Sustaining Member
-

Registered
- Posts: 165
- Thanks: 17
Re: 1976 KZ400 D3 Restore Project
11 Apr 2018 06:06
Hey All,
I just wanted to let you know that I bought Kawi # 44025-003 Plunger Piston rings for my 76 front shocks off of ebay, and they were not the proper ones, even though the seller claimed they are. Notice the thickness difference between the original (right) and the new one (left). Luckily the old ones were not in bad shape so I reused them and rebuilt the front shocks yesterday and they are holding up strong. I did notice from some old posts that users mentioned 5oz of fork oil per side (417 -500 mm from top of fork), but I feel this number is not correct. We ended up putting about 7oz of fork oil in each side and it seems to be the sweet spot. The sludge I took out of these forks looked like clay almost...
I just wanted to let you know that I bought Kawi # 44025-003 Plunger Piston rings for my 76 front shocks off of ebay, and they were not the proper ones, even though the seller claimed they are. Notice the thickness difference between the original (right) and the new one (left). Luckily the old ones were not in bad shape so I reused them and rebuilt the front shocks yesterday and they are holding up strong. I did notice from some old posts that users mentioned 5oz of fork oil per side (417 -500 mm from top of fork), but I feel this number is not correct. We ended up putting about 7oz of fork oil in each side and it seems to be the sweet spot. The sludge I took out of these forks looked like clay almost...
74 kz400 D1
75 kz400 D2
75 kz400 D2
75 kz400 D2
76 kz400 D3
76 kz400 D3
77 kz400 A1
78 kz400 B1
80 xl80s
81 kz440 B2
81 GL1100
81 xl80s
81 xr80
96 K1100LT
18 HAWK250
Thanks goes out to all folks who share their great knowledge teaching others about classic metric motorcycles.
75 kz400 D2
75 kz400 D2
75 kz400 D2
76 kz400 D3
76 kz400 D3
77 kz400 A1
78 kz400 B1
80 xl80s
81 kz440 B2
81 GL1100
81 xl80s
81 xr80
96 K1100LT
18 HAWK250
Thanks goes out to all folks who share their great knowledge teaching others about classic metric motorcycles.
Please Log in or Create an account to join the conversation.
- Jack_Mills
-
Topic Author
- Offline
- Sustaining Member
-

Registered
- Posts: 165
- Thanks: 17
Re: 1976 KZ400 D3 Restore Project
18 Jun 2018 16:24
Finally getting around to replacing the valve stem seals tonight. Life got super busy for a while, so its nice to spend some time on the bike projects. Lots of polishing on the motor to do yet also.
74 kz400 D1
75 kz400 D2
75 kz400 D2
75 kz400 D2
76 kz400 D3
76 kz400 D3
77 kz400 A1
78 kz400 B1
80 xl80s
81 kz440 B2
81 GL1100
81 xl80s
81 xr80
96 K1100LT
18 HAWK250
Thanks goes out to all folks who share their great knowledge teaching others about classic metric motorcycles.
75 kz400 D2
75 kz400 D2
75 kz400 D2
76 kz400 D3
76 kz400 D3
77 kz400 A1
78 kz400 B1
80 xl80s
81 kz440 B2
81 GL1100
81 xl80s
81 xr80
96 K1100LT
18 HAWK250
Thanks goes out to all folks who share their great knowledge teaching others about classic metric motorcycles.
Please Log in or Create an account to join the conversation.
- Jack_Mills
-
Topic Author
- Offline
- Sustaining Member
-

Registered
- Posts: 165
- Thanks: 17
Re: 1976 KZ400 D3 Restore Project
19 Nov 2018 19:19
Hello Guru's!
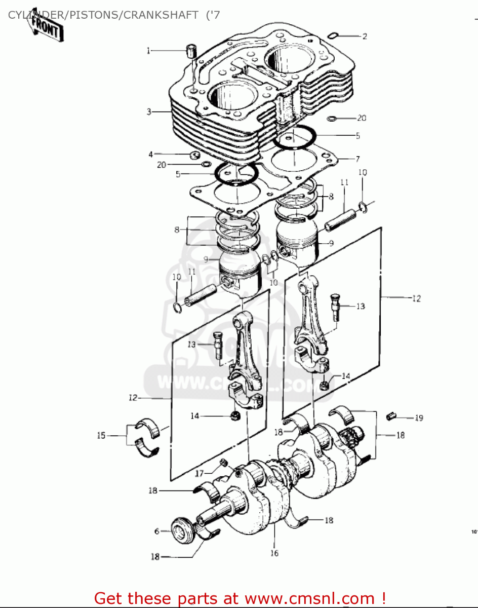
Long time no posting. Life gets busy. So Im making some headway on this project and I ordered some new o rings and gaskets and what not. In the attached photo there are 2 identical parts that were not on the motor to begin with. Part #4 on this photo. Cylinder Damper Rubber. Do these go in the holes in the bottom that the bolt in front of the spark plug goes? Thanks!
Long time no posting. Life gets busy. So Im making some headway on this project and I ordered some new o rings and gaskets and what not. In the attached photo there are 2 identical parts that were not on the motor to begin with. Part #4 on this photo. Cylinder Damper Rubber. Do these go in the holes in the bottom that the bolt in front of the spark plug goes? Thanks!
74 kz400 D1
75 kz400 D2
75 kz400 D2
75 kz400 D2
76 kz400 D3
76 kz400 D3
77 kz400 A1
78 kz400 B1
80 xl80s
81 kz440 B2
81 GL1100
81 xl80s
81 xr80
96 K1100LT
18 HAWK250
Thanks goes out to all folks who share their great knowledge teaching others about classic metric motorcycles.
75 kz400 D2
75 kz400 D2
75 kz400 D2
76 kz400 D3
76 kz400 D3
77 kz400 A1
78 kz400 B1
80 xl80s
81 kz440 B2
81 GL1100
81 xl80s
81 xr80
96 K1100LT
18 HAWK250
Thanks goes out to all folks who share their great knowledge teaching others about classic metric motorcycles.
Please Log in or Create an account to join the conversation.
- loudhvx
-
- Offline
- KZr Legend
-

Registered
- Posts: 10863
- Thanks: 1622
Re: 1976 KZ400 D3 Restore Project
19 Nov 2018 19:42
According to Kawasaki, that is part 92075-256 which is most likely a cylinder cooling-fin damper. Note there should be a quantity of 12 of them on the bike. They go in between cylinder fins to reduce ringing noise of the fins.
www.kawasaki.com/Parts/PartsDiagram/142718/1976/KZ400-D3
They usually are little bits of black rubber. I don't know why the photo looks so brownish, unless that is a coating of some sort.
www.kawasaki.com/Parts/PartsDiagram/142718/1976/KZ400-D3
They usually are little bits of black rubber. I don't know why the photo looks so brownish, unless that is a coating of some sort.
1981 KZ550 D1 gpz.
Kz550 valve train warning.
Other links.
Kz550 valve train warning.
Other links.
Please Log in or Create an account to join the conversation.
- Jack_Mills
-
Topic Author
- Offline
- Sustaining Member
-

Registered
- Posts: 165
- Thanks: 17
Re: 1976 KZ400 D3 Restore Project
19 Nov 2018 20:04
Ah that makes total sense! I bought 2, thinking they went in the bottom of the holes for the bolts that go in front of the spark plugs...probably paid too much 
I was also missing the o rings that go on the bottom of the cylinders. Thank you very much for your time and input. Ive been cleaning, sanding, and polishing for days. I wish I knew someone who did vapor blasting close to Pittsburgh. That matte finish is so niceeeeee!
I was also missing the o rings that go on the bottom of the cylinders. Thank you very much for your time and input. Ive been cleaning, sanding, and polishing for days. I wish I knew someone who did vapor blasting close to Pittsburgh. That matte finish is so niceeeeee!
74 kz400 D1
75 kz400 D2
75 kz400 D2
75 kz400 D2
76 kz400 D3
76 kz400 D3
77 kz400 A1
78 kz400 B1
80 xl80s
81 kz440 B2
81 GL1100
81 xl80s
81 xr80
96 K1100LT
18 HAWK250
Thanks goes out to all folks who share their great knowledge teaching others about classic metric motorcycles.
75 kz400 D2
75 kz400 D2
75 kz400 D2
76 kz400 D3
76 kz400 D3
77 kz400 A1
78 kz400 B1
80 xl80s
81 kz440 B2
81 GL1100
81 xl80s
81 xr80
96 K1100LT
18 HAWK250
Thanks goes out to all folks who share their great knowledge teaching others about classic metric motorcycles.
Please Log in or Create an account to join the conversation.
- DOHC
-
- Offline
- Sustaining Member
-

Registered
- Those Doe-Hawks really go!
- Posts: 1267
- Thanks: 595
Re: 1976 KZ400 D3 Restore Project
20 Nov 2018 05:43Jack_Mills wrote: I wish I knew someone who did vapor blasting close to Pittsburgh.
Not super close (about 2 hours NW), but I found this site a while back.
www.arnoldsdesign.com/Vapor-Blasting.html
I've never contacted them, but the pics look good.
'78 Z1-R in blue
, '78 Z1-R in black,
'78 Z1-R in pieces
My dad's '74 Z1
'00 ZRX1100
My dad's '74 Z1
'00 ZRX1100
The following user(s) said Thank You: Jack_Mills
Please Log in or Create an account to join the conversation.
- Jack_Mills
-
Topic Author
- Offline
- Sustaining Member
-

Registered
- Posts: 165
- Thanks: 17
Re: 1976 KZ400 D3 Restore Project
20 Nov 2018 07:13
I reached out to Arnolds Design...
85$ per case half
Cylinder block $75
Twin head $75
Head Cover 30$
Small caps 3.50
Carbs 50$ each
Side covers 15-40$ each.
Hes very expensive. Sigh...
85$ per case half
Cylinder block $75
Twin head $75
Head Cover 30$
Small caps 3.50
Carbs 50$ each
Side covers 15-40$ each.
Hes very expensive. Sigh...
74 kz400 D1
75 kz400 D2
75 kz400 D2
75 kz400 D2
76 kz400 D3
76 kz400 D3
77 kz400 A1
78 kz400 B1
80 xl80s
81 kz440 B2
81 GL1100
81 xl80s
81 xr80
96 K1100LT
18 HAWK250
Thanks goes out to all folks who share their great knowledge teaching others about classic metric motorcycles.
75 kz400 D2
75 kz400 D2
75 kz400 D2
76 kz400 D3
76 kz400 D3
77 kz400 A1
78 kz400 B1
80 xl80s
81 kz440 B2
81 GL1100
81 xl80s
81 xr80
96 K1100LT
18 HAWK250
Thanks goes out to all folks who share their great knowledge teaching others about classic metric motorcycles.
Please Log in or Create an account to join the conversation.
Moderators: Street Fighter LTD
